EasyManua.ls Logo

Sony RMT-D175A - Page 56

Sony RMT-D175A
90 pages
Print Icon
To Next Page IconTo Next Page
To Next Page IconTo Next Page
To Previous Page IconTo Previous Page
To Previous Page IconTo Previous Page
Loading...
1
A
B
C
D
E
F
G
H
I
J
2
12
13
11
10
98765
43
14
15
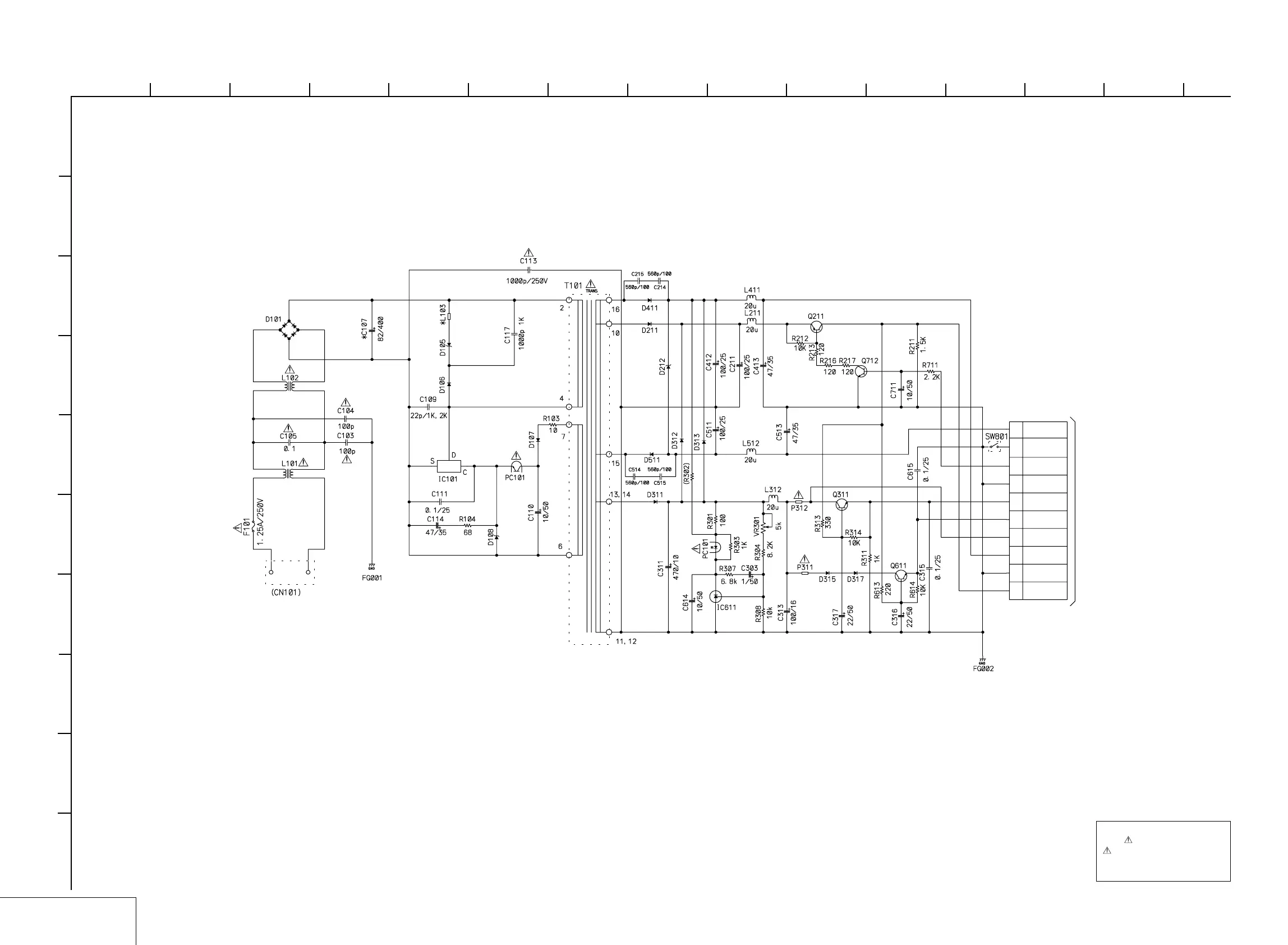
DVP-NS72HP/NS77H/NS77HP/NS78H/NS78HP
The components identified by
mark or dotted line with mark
are critical for safety.
Replace only with part number
specified.
4-35 4-36E
For Schematic Diagram
• Refer to page 4-33 to 4-34 for printed wiring board of Power board (SRV2020WW).
POWER BOARD
POWER SUPPLY (SRV2020WW)
(DVP-NS78H: EXCEPT CND/NS78HP: E,BR)
-REF.NO.:1000 SERIES-
XX MARK:NO MOUNT
NO MARK:PB MODE
MARKED:MOUNT TABLE
POWER BAORD
(SRV2020WW)
TO CN501
MV-55/56 BOARDS (SEE PAGE 4-25 to 4-26)
EVER - 10V10
POWER SW9
P. CONT8
GND7
SW + 5V6
SW + 3.3V5
EVER + 5V4
EVER + 11V3
MTR GND2
6W + 8V
CN201
1

Table of Contents

Related product manuals