EasyManua.ls Logo

Sony RMT-VB310E - Power Block Diagram (UBP-X800;UX80)

Sony RMT-VB310E
63 pages
Print Icon
To Next Page IconTo Next Page
To Next Page IconTo Next Page
To Previous Page IconTo Previous Page
To Previous Page IconTo Previous Page
Loading...
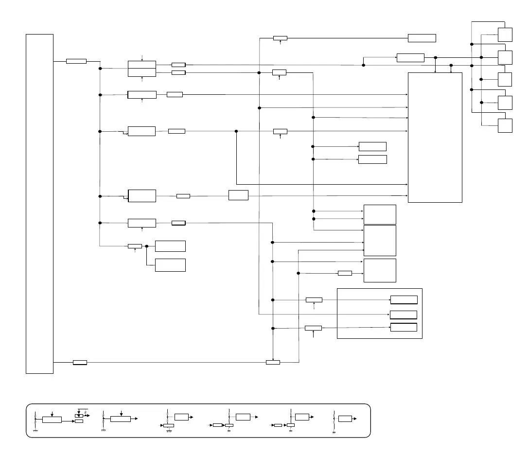
3-3. POWER BLOCK DIAGRAM ( UBP-X800/UX80 )
SW3.3V_BTW
VREF_0.75V
DDR_1.5V
UNSW3.3V SW3.3V
DVDD_CORE
CORE_1.0V CORE1.0V
UNSW3.3V
SW3.3V
UNSW1.8V SW1.8V
UNSW1.8V
UNSW2.5V UNSW1.05V
FE_A3.3V
FE_D3.3V
SW5V
FE_D3.3V
FE_SW5V_M
FE_SW12V_M
FE_SW5V_A
FE_SW12V_OPU
Reset/Delay Circuit
SoC
CXD90048GG-BA
IR
FRONT USB
POWER
SUPPLY
UNIT
DCDC1.5V
DCDC3.3V
DCDC5V
IC403
TPS54295PWPR
TI (2A/2A)
IC501
MP1471A
MPS (3A)
L404
L401
L501
2.2uH
2.2uH
2.2uH
PS401
3.15A
UNSW12V
DDR3
DDR4
DDR5
DDR2
DDR1
BT/WLAN
PCONT3#
PCONT2#
Q410
DCDC1.0V
L406
DCDC2.5V
L405
F/E
CXD90049EQ
DCDC1.8V
L402
NAND Flash
5V Reg
IC1102
MM1839A50NRE
Mits
umi (0.2A)
PCONT2#
HDMI1
CONNECTOR
HDMI2
CONNECTOR
PCONT1#
MOTOR DRIVER
TPIC2060A
OPU
KEM-481AAA
8V Reg
IC1201
MM1890A80NRE
Mitsumi (0.3A)
PS402
2A
FE_UNSW12V
Q402
USB SW
USB PCONT
IC901
TPS2065CDBVR
MT7662U
PCONT2#
SW5V
Q506
PCONT3#/
PCONT4
Q406
IC409
AOZ1267QI
AOS (8A)
IC401
MP1471A
MPS (3A)
IC406
MP1471A
MPS (3A)
2.2uH
PCONT1#/
PCONT2#
Voltage Divider
IC502
PST8450UL
(Mitsumi)
RESET IC
PGOODV
Q501
PCONT1
PCONT1#
IC407
PST8450UL
(Mitsumi)
RESET IC
SYSCON_XRST
UNSW12V
UNSW1.8V
IC506
PST8450UL
(Mitsumi)
RESET IC
PGOODV
UNSW12V
UNSW3.3V
Q511
Q512
UNSW12V
IC504
PST8450UL
(Mitsumi)
RESET IC
PGOODV
Q509
PCONT2
PCONT2#
IC505
PST8450UL
(Mitsumi)
RESET IC
PGOODV
Q510
PCONT3
PCONT3#
PCONT5
1.0uH
2.2uH
1.05V Reg
IC408
BD00IA5WEFJ
Rohm (0.5A)
IC507
PST8450UL
(Mitsumi)
RESET IC
UNSW12V
PCONT5
Delay: 150ms
Delay: 690ms
Delay: 69ms
Q513
Delay: 230ms
Q514
Delay: 150ms
LED
Q705
LED PCONT
COAXIAL
3-3

Table of Contents

Related product manuals