EasyManua.ls Logo

Sony SLV-478 - Tuner Block Diagram

Sony SLV-478
72 pages
Print Icon
To Next Page IconTo Next Page
To Next Page IconTo Next Page
To Previous Page IconTo Previous Page
To Previous Page IconTo Previous Page
Loading...
SLV-478/677HF/678HF/688HF/L47/L48/L57/
L58/L67HF/L68HF/L77HF/L78HF/X50/X60HF
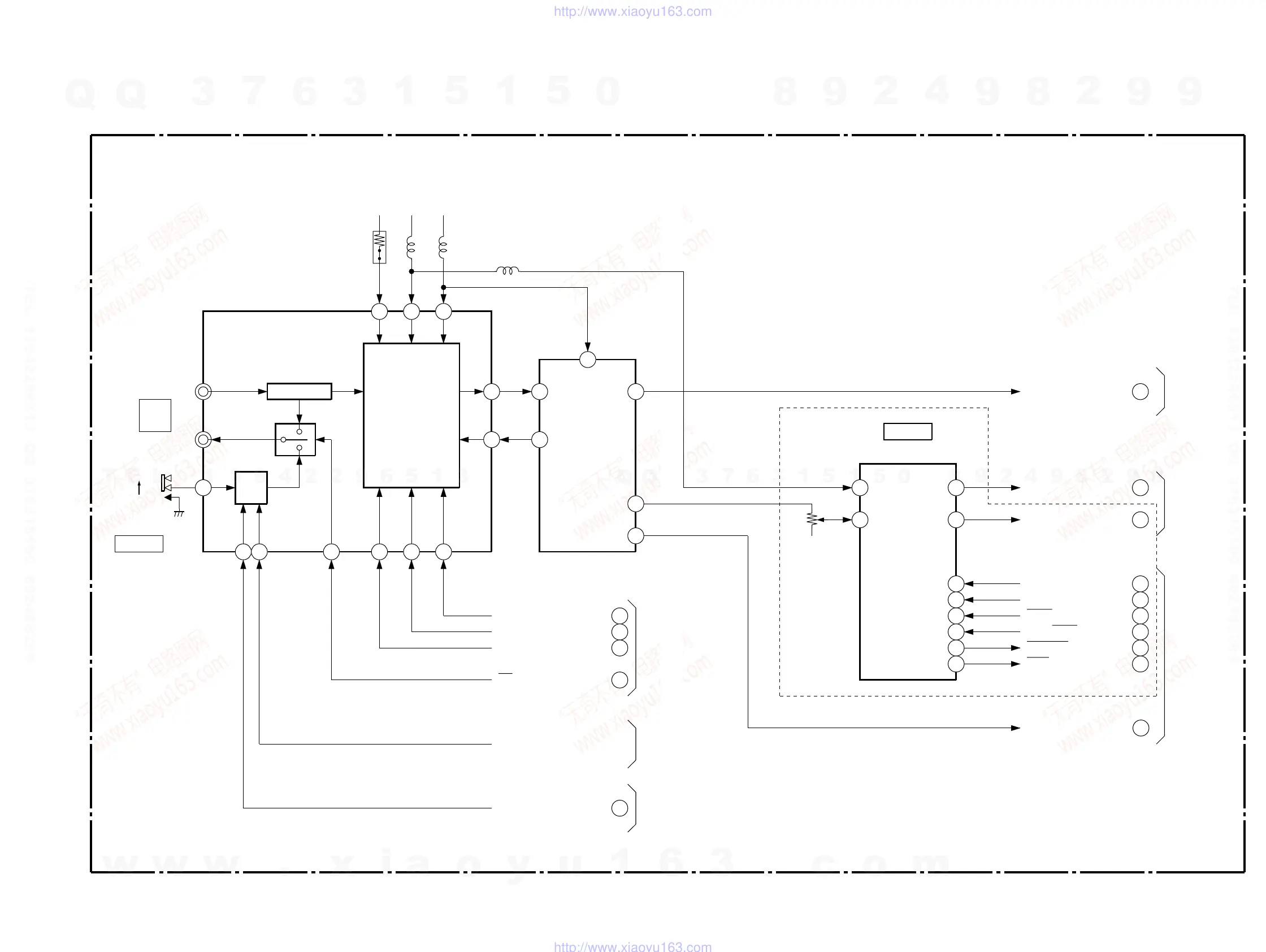
3-5. TUNER BLOCK DIAGRAM
3-9 3-10
L731
VHF/
UHF
SPLITTERIN
OUT
RF
MOD
2
4CH
3CH
RF CH
S701
9 8 7
14
6
12 10 111 5 4
AGC
L704
L702
30V
SW5V
SW12V
MA-317 BOARD
ENABLE
CLOCK
DATA
RF IF
TU701
TUNER/MOD/IF
30V
5V
12V
IF2
RF AGC
7
8
V OUT
4
MPX
6
AFT
3
12V
IF702
TV
VTR
PLL DATA IC160
100
RF VIDEO Q560
RF AUDIO IC360
11
PLL CLOCK IC160
23
PLL ENABLE IC160
24
TV/VTR IC160
21
FROM
SYSCON
BLOCK
FROM
VIDEO
BLOCK
FROM
AUDIO
BLOCK
ST / BILINGUAL
PROCESSOR
IC733
VCC
1
MPX IN
12
3
L
4
R
7
FORCED
5
MUTE
8
MS0
9
MS1
11
ST IND
10
SAP IND
TU VIDEO IC201 32
TU AUDIO L IC360
1
TU AUDIO R IC360
2
F MONO IC160
15
TA MUTE IC160
53
MAIN/SAP IC160
74
MAIN/SAP IC160
45
STEREO IC160
12
SAP IC160
25
TU AFT IC160
3
RV731
TO
VIDEO
BLOCK
TO
AUDIO
BLOCK
TO/FROM
SYSCON
BLOCK
HIFI ONLY
16
(SEE PAGE 4-19)
(SEE PAGE 3-5)
(SEE PAGE 3-4)
(SEE PAGE 3-8)
SEPARATION
(SEE PAGE 3-3)
(SEE PAGE
3-7)
(SEE PAGE 3-5)
w
w
w
.
x
i
a
o
y
u
1
6
3
.
c
o
m
Q
Q
3
7
6
3
1
5
1
5
0
9
9
2
8
9
4
2
9
8
T
E
L
1
3
9
4
2
2
9
6
5
1
3
9
9
2
8
9
4
2
9
8
0
5
1
5
1
3
6
7
3
Q
Q
TEL 13942296513 QQ 376315150 892498299
TEL 13942296513 QQ 376315150 892498299
http://www.xiaoyu163.com
http://www.xiaoyu163.com

Table of Contents

Related product manuals