EasyManua.ls Logo

Sony SLV-478 - Video) Schematic Diagram

Sony SLV-478
72 pages
Print Icon
To Next Page IconTo Next Page
To Next Page IconTo Next Page
To Previous Page IconTo Previous Page
To Previous Page IconTo Previous Page
Loading...
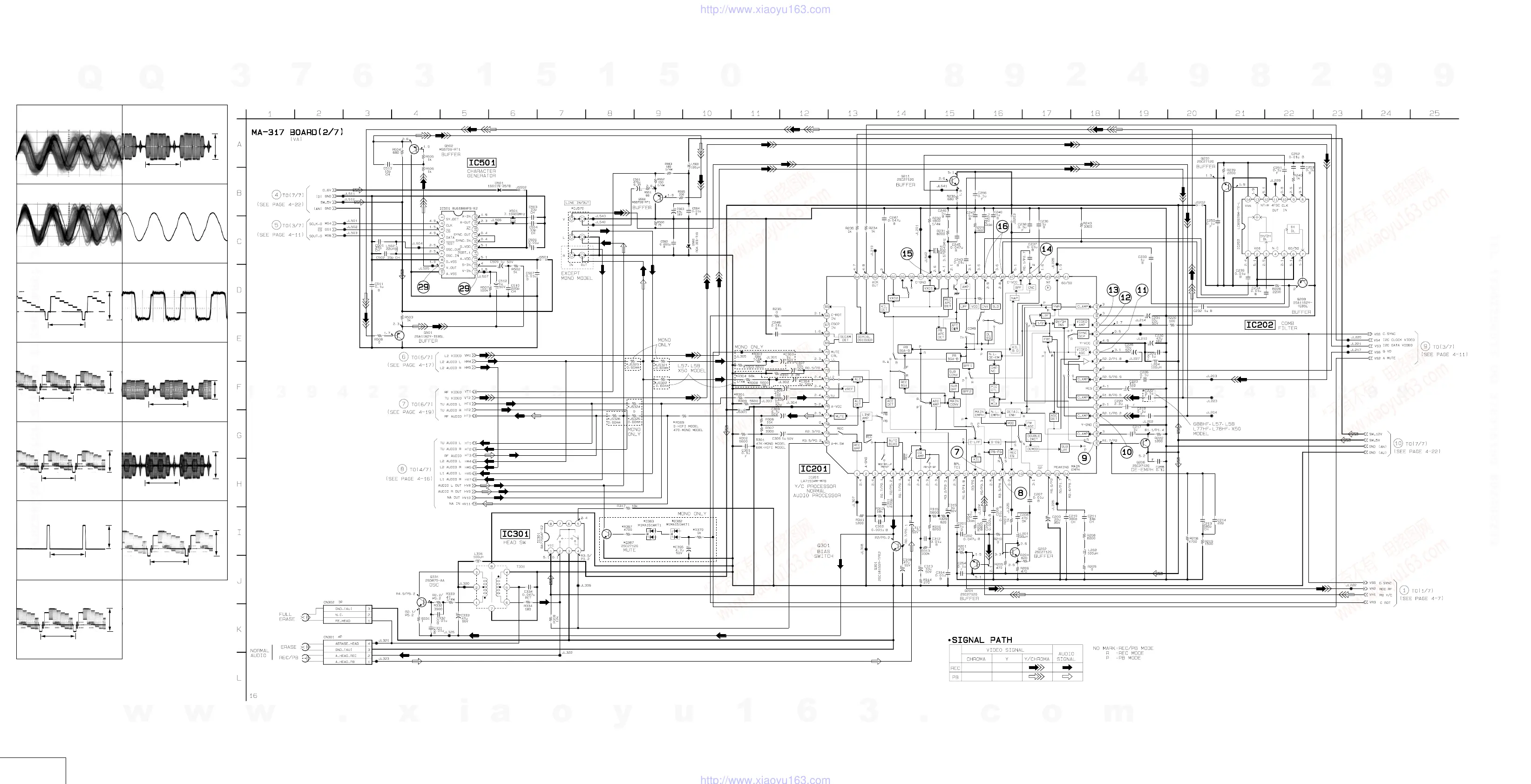
SLV-478/677HF/678HF/688HF/L47/L48/L57/
L58/L67HF/L68HF/L77HF/L78HF/X50/X60HF
MA-317 (VIDEO) SCHEMATIC DIAGRAM
— Ref. No.: MA-317 board; 1,000 series —
• See page 4-3 for MA-317 BOARD printed wiring board.
4-8 4-9 4-10
VIDEO
MA-317 (2/7)
MA-317
BOARD
(2/3)
7
IC201 !∞ PB
CN261 2 PB
8
IC201 PB
9
IC201 @∞ REC
200mV/Div
0.1µsec/div
200mV/Div 0.1µsec/div
IC201 #• REC/ PB
IC201 $∞ PB
500mVp-p
H
!∞
IC201 REC
3.579545MHz
550mVp-p
0.5Vp-p
H
IC201 @• REC
1Vp-p
H
IC201 #∞ REC
1Vp-p
H
!™
IC201 REC/PB
4Vp-p
H
2Vp-p
H
!∞
IC201 PB
3.579545MHz
500mVp-p
IC201 $• REC
IC201 REC
0.23Vp-p
H
IC201 $• PB
IC201 PB
340mVp-p
H
IC501 9, REC/PB
2Vp-p
H
w
w
w
.
x
i
a
o
y
u
1
6
3
.
c
o
m
Q
Q
3
7
6
3
1
5
1
5
0
9
9
2
8
9
4
2
9
8
T
E
L
1
3
9
4
2
2
9
6
5
1
3
9
9
2
8
9
4
2
9
8
0
5
1
5
1
3
6
7
3
Q
Q
TEL 13942296513 QQ 376315150 892498299
TEL 13942296513 QQ 376315150 892498299
http://www.xiaoyu163.com
http://www.xiaoyu163.com

Table of Contents

Related product manuals