EasyManua.ls Logo

Sony SLV-478 - Power Supply Block Diagram

Sony SLV-478
72 pages
Print Icon
To Next Page IconTo Next Page
To Next Page IconTo Next Page
To Previous Page IconTo Previous Page
To Previous Page IconTo Previous Page
Loading...
SLV-478/677HF/678HF/688HF/L47/L48/L57/
L58/L67HF/L68HF/L77HF/L78HF/X50/X60HF
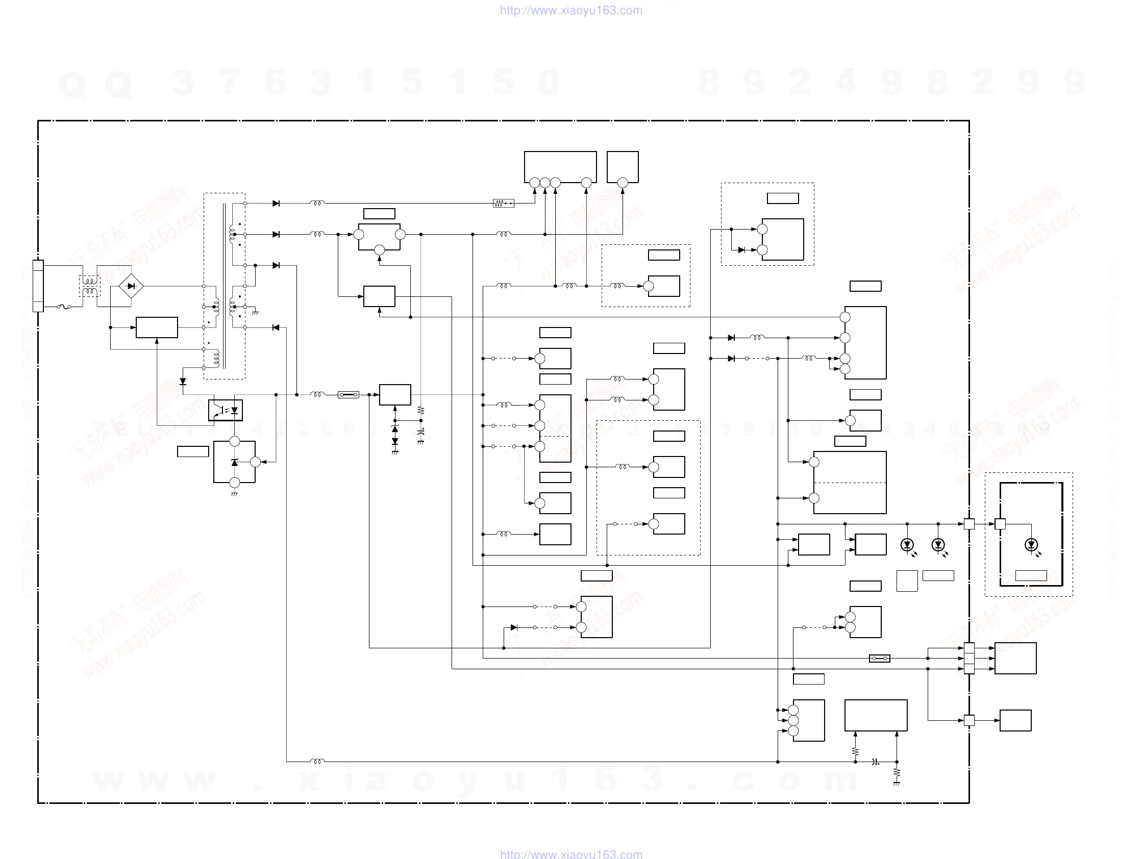
3-6. POWER SUPPLY BLOCK DIAGRAM
3-11 3-12E
1
3
AC
IN
CN600
LF600
D600
SWITCHING
Q601,602
F600
T600
3
2
7
6
5
9
10
12
13
11
14
D609
D608
D607
D606
PH600
3
1
2
IC602
SHUNT
REG.
+12V
REG
L604
L601
L602
M12V
SW
Q604,605
21
4
IC601
PS600
+5V
REG
Q603
SW 5V
D 6V
P C0NT
MTR 12V
SW 12V
+30V
L603
-10V
MA-317 BOARD
JOG LED VCC
IC202
1H DELAY
L702
L703
30V
9
12V
7
5V
3
5V
8
12V
3
TU701 IF702
R705
L704 L731
VCC
1
R/G ST
DUAL PROC.
IC733
HIFI MODEL
VDD
2
JS202
IC201
Y/C PROC.
Y VCC
36
C VCC
47
A VCC
76
(MONO)
L204
JS203
JS301
BIAS
OSC
T331,Q331
IC301
HEAD SW
VCC
1
L331
VCC
16
VCC
29
L263
L262
VCC
14
VIDEO
REC/PB AMP
AUDIO
REC/PB AMP
IC260
IC340
L341
12V
35
AUDIO
PROC.
IC360
JS361
HIFI MODEL
AVDD
13
DVDD
15
CHARACTER
GEN.
IC501
JS501
JS502
D501
REG IN
14
VCC
13
SIRCS/
CBC I/O
IC980
SERVO/SYSTEM
CONTROL
IC160
D982
688HF MODEL ONLY
P CONT
56
VCC
37
D161
D162
L611
L163
JS105
AVDD
99
AMP VCC
98
VCC
8
IC161
EEPROM
VCC1
7
VCC2
5
POWER
FAIL
DET
RESET
PULSE
GEN.
IC162
T/S
REEL
PH101,102
T/S
SENS
Q101,102
T/S
LED
D103
D405
POWER
VCC1
8
LOADING
MOTOR DRIVE
IC101
VCC2
9
JS104
VDD
14
DISPLAY
DRIVER
IC420
VDD
38
VEE
27
ND420
DISPLAY
F- F+
7
LIMITER
PS101
SW 5V
MTR 12V
MTR 12V
CN101
CN102
CAPSTAN
MOTOR
DRUM
MOTOR
BOARD
DS-79
CN401
D441
JOG
L57,L58,L77HF,
L78HF,X50 MODEL
9 9
CN441
1
6
1
16
(SEE PAGE 4-21)
(SEE PAGE 4-23)
w
w
w
.
x
i
a
o
y
u
1
6
3
.
c
o
m
Q
Q
3
7
6
3
1
5
1
5
0
9
9
2
8
9
4
2
9
8
T
E
L
1
3
9
4
2
2
9
6
5
1
3
9
9
2
8
9
4
2
9
8
0
5
1
5
1
3
6
7
3
Q
Q
TEL 13942296513 QQ 376315150 892498299
TEL 13942296513 QQ 376315150 892498299
http://www.xiaoyu163.com
http://www.xiaoyu163.com

Table of Contents

Related product manuals