EasyManua.ls Logo

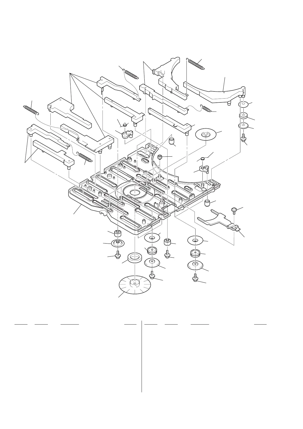
Sony SS-CHP7 - Exploded Views and Parts Lists (Continued); CD Mechanism Section-5 Exploded View (9-9)

Sony SS-CHP7
72 pages
Print Icon
To Next Page IconTo Next Page
To Next Page IconTo Next Page
To Previous Page IconTo Previous Page
To Previous Page IconTo Previous Page
Loading...
50
HCD-HP7
Ref. No. Part No. Description Remark Ref. No. Part No. Description Remark
401 X-4955-448-1 PULLEY(A)(KSM213)ASSY,CHUCKING
402 4-992-069-01 SCREW (+PTPWH)(M2)(DIA. 7)
403 4-239-648-01 PARASOL (ROLLER)
404 4-239-646-01 ROLLER (ROLLER)
405 4-239-641-01 SPRING (1.2), TENSION
406 4-239-642-01 SPRING (3), TENSION COIL
407 4-239-679-01 SPRING (5), TENSION COIL
408 4-243-703-01 YOKE (213)
409 4-239-649-01 PARASOL (STOCKER)
411 4-244-035-01 ROLLER (STOCKER), RUBBER
412 4-239-640-01 PINION (SLIDER)
413 4-243-291-01 SPRING, TORSION
414 4-240-039-01 LEVER (DISC STOPPER)
415 4-239-702-01 ROLLER (DISC STOPPER)
416 4-985-672-01 SCREW (+PTPWHM2.6), FLOATING
417 4-243-713-01 LEVER (LIFTER)
418 4-239-647-01 PARASOL (MAIN)
419 4-243-916-01 ROLLER (S), RUBBER
420 4-241-599-01 LEVER (SUPPORT)
421 4-239-643-01 SPRING (4), TENSION COIL
422 1-471-244-11 MAGNET
423 4-244-032-01 ROLLER, RUBBER
9-7. CD Mechanism Section-3 (CDM69CH-K6BD71C)
405
406
407
402
409
409
411
not supplied
not supplied
not
supplied
414
413
421
408
not
supplied
415
412
404
402
416
417
415
418
418
402
422
419
402
403
404
401
405
420
413
not
supplied
not supplied
418
418
402
423

Table of Contents

Related product manuals