EasyManua.ls Logo

Sony STR-D2010 - Digital Section; Schematic Diagram -Digital Section

Sony STR-D2010
55 pages
Print Icon
To Next Page IconTo Next Page
To Next Page IconTo Next Page
To Previous Page IconTo Previous Page
To Previous Page IconTo Previous Page
Loading...
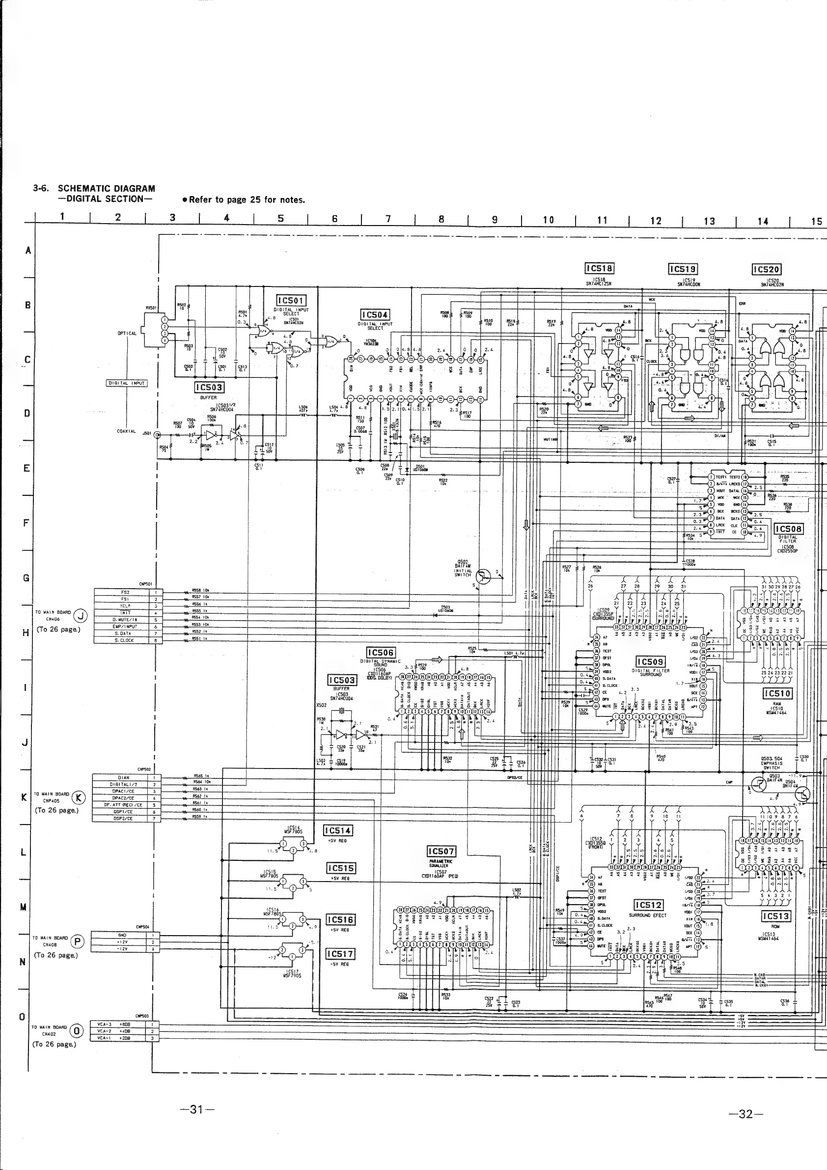
3-6.
SCHEMATIC
DIAGRAM
—DIGITAL
SECTION—
e
Refer
to
page
25
for
notes.
1C518
SN74HCI2SN
RXSO1
DIGITAL
INPUT
959
ag
SELECT
1C504
CW)
a
0.3,
“"
su7e02n
DIGITAL
INPUT
OPTICAL
I
DIGITAL
INPUT
|
I
BUFFER
C503
172
‘SN74HCU0S
cu
S07,
10
COAXIAL
480!
+
Bea
4
2.24
24
9.
7|
St
6
i
xu
Sov
cst
O1
ln
0
SS
BY
,
——
Bs
CNPSO1
[
rsa
Sere
fe
FS
re
2
To
WAIN
BOARD
a
fa
cneée
[a
wate
psp
to
ee
ee
H
(To
26
page.)
[ms
sosipata
on
sp
gg
MO
DIGITAL
DYNAMIC
SOUND
“a
DIGITAL
FILTER
‘SURROUND
Lay
28
24
23
22
21
BUFFER
1503
SN74HCUOS
RAM
ICS10
g
s
MSM61464
KIA
Xi9)
s
2.9
RS4E
|
it
109
--{}——_}
=
a
CER
SN
EEE
|
RACINE
RA
SIT
+
TE
FE
SE
ON)
(PE
ea
a
aT
\
4
|
RS40
C$32
C531
470
10
7
0.
|
acnmnnad
t——
|
{14
tRellil|
av ot
Seca
es
a
ND
Oe
|
ia
MNT
Sra
°o
2
Fy
2
s
Cn
QS503.
S04
EMPHASIS
SWITCH
EY
TO
MAIN
BOARD
®
[____peacivee_
|
3
|
[___peacarce
|
«|
gate
[ora
meo vce
|
5
|
[__oseice
|
6 |
[___ose27ce__|
(To
26
page)
DSP1/CE
PARAMETRIC
1C515
pect
160K.
Tape
CHDIIGOAP
PEG)
SURROUND
EFECT
ROM
isle
Sei
a
aie
es
ee
a
(To
26
page)
i]
CNPSO3
[vers
vane
4
sei
[vea-2__+aoa
|
2
|
[vea-1_+zna
|
3 |
(To
26
page.)

Related product manuals