EasyManua.ls Logo

Sony STR-D2010 - Diagrams; Block Diagram

Sony STR-D2010
55 pages
Print Icon
To Next Page IconTo Next Page
To Next Page IconTo Next Page
To Previous Page IconTo Previous Page
To Previous Page IconTo Previous Page
Loading...
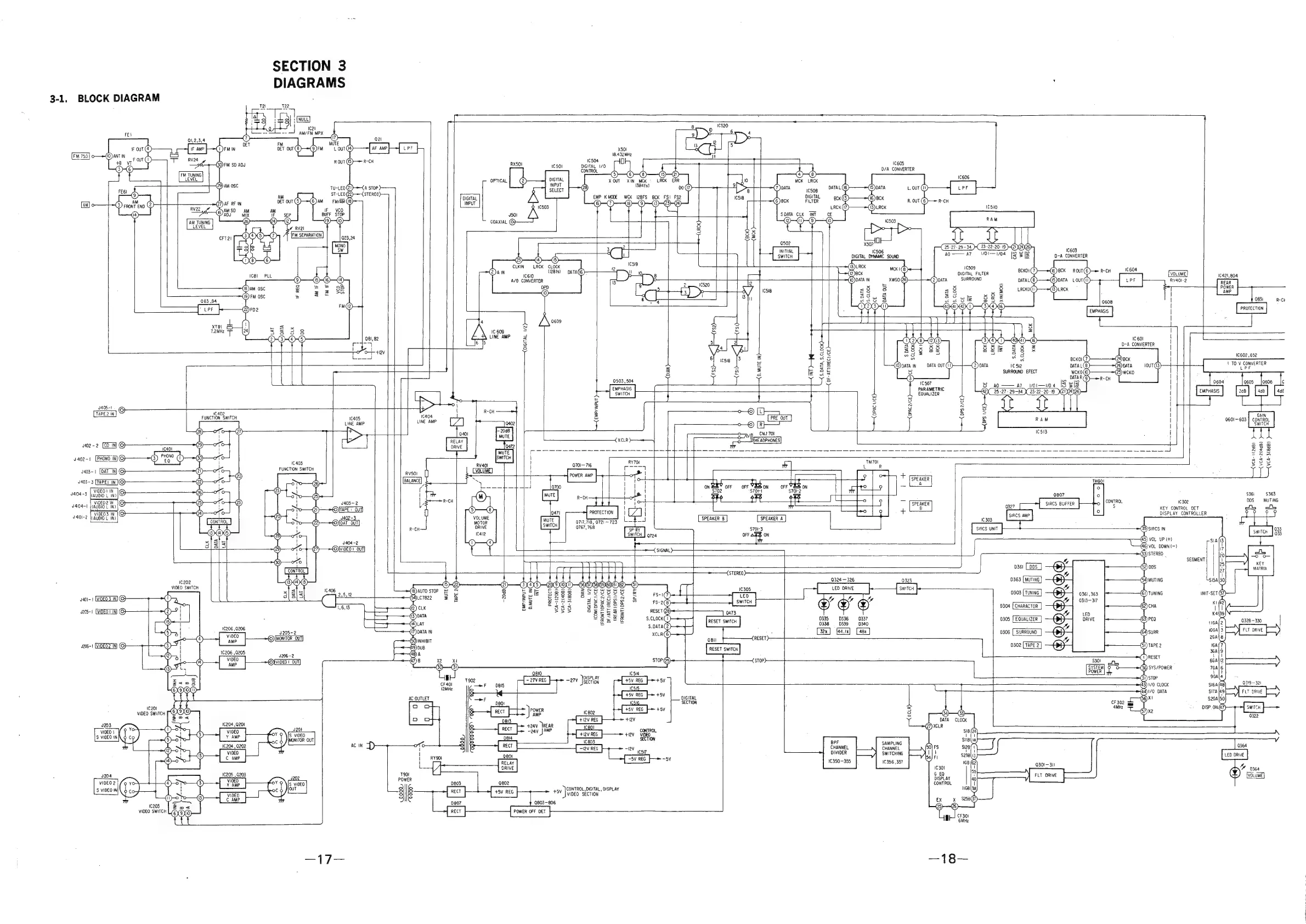
SECTION
3
DIAGRAMS
3-1.
BLOCK
DIAGRAM
ia
c——
z
|
+
(NuLE
pal
sa
C2
AM/FM
MPX
01,2,3,4
x501
18.432MHz
1504
1605
DIGITAL
1/0
D/A
CONVERTER
CONTROL
FM
TUNING
DIGITAL
XOUT
XIN
MCK
LRCK
ERR
MCK
LRCK
LEVEL
OPTICAL
INPUT
(38448)
(7)pata
‘esos
DATALGS)
(8)oata
L.our
Q)
ASTOP)-—
SELECT
oO
Co
STEREO
EMP
KMODE
WCK
i28FS
BCK
FSI
FS2
ack
FILTER
<<
Bet
R.
OUT
(6)
LRCK
(1?)
a
SOATA
CLK
INT
=
CE
eh
‘AM
TUNING
$
4
LEVEL
ei
Ss
}
B=
q
ed
1603
IC506
WOI—1/04
|2YIe
=
DIGITAL
DYNAMIC
SOUND
40
ae
|Z
#8
D-A
CONVERTER
C508
1604
CLKIN
LRCK
CLOCK
2
gia
eicteR
8C01
(7)
VOLUME
1c421,804
@)aw
(128ts)
pata(6)
Oe
ADUND
RV40I-2
AP
:
SURROU!
ie
DATAL)
A/D
CONVERTER
g
=
083)
R-Cr
é
oes
PROTECTION
[
ewPnasis
|
V
fed
.
i
ce
=
Y
b
1c601
|
b=
ee
LINE
AMP
‘|
7
4
S
D-A
CONVERTER
S
4
\
Sa
=
1602
652
3
88
:
ot
tev
is
A
5
z
¥
os
1
TO
V
CONVERTER
Ic518
a
ae
LPF
5
Se
;
Ee
e
=
fe
SE
lees
oe
ee
=
'
0503
504
2
>
T
PARAMETRIC
ft
Be
EQUALIZER
ae
=
8
:
pe)
Z
Z
§
;
0601-603
|
conto
1405-1
©
g
PRE OUT
£
1603)
Conny
(rare2
w]
FUNCTION
SwiTCH
1405
Ictos
S
J
if
H
LINE
AMP
LINE
AME:
[e
J
1513
|
oFyp}_CNI
TOL
Sage
oaoe
as
I
eaoPHONES
ze
238
—_—
_
——
oo
we
a.
Sc
=n
wm
veo
2
(IN
rag
oe
Lope
ff
oar)
i
ee
ir
ie
338
gee
402-1
[PHONO
in]
1¢.403,
:
d
FUNCTION
SWITCH
4403-1
(ORTON
+
SPEAKER
Tw80!
403-3
FTEPELIN]
$361
$363
4404-3
|
AUDIO
LIND
SPEAKER
0327
al
s
KEY
CONTROL_DET
VIDEO?
IN
g03=2
%
+L
DISPLAY
CONTROLLER
4
404=1
(AUDIO
L
IN)
|
[wen]
SrEAMEREE
1€303
|
|
saol-2
|
AUR
ein
402
=
OME
o7i?,
718,
O721=
723
See
G38)siRcs
IN
933
uy
©)paT_ovT]
WRIE
0767,
768
S703
SMITCH
033
icale
0724
OFF
ON
45)
VOL
UP
(+)
sia(i3
|
(46)
VOL_DOWN(-)
é
1404-2
3)
STEREO
20
ss
WDEOT
OUT
SIGNAL
}
A
secwent|
|
|
Cc)
ey
a
fa
on
_)
D361
>)
62)
DDS
et
MATRIX
Pe
[stereo
GN”
fe
cae
rN
S15A|30}
rt
|
7
t
|
0324
—326
0363
[wuTing}]
—(Y
ey
ao
6
é
[wire
a
00
SWiToH
©
oe
=
1¢305
|
ten
ore]
DRIVE
Suite
0303
[TUNING
<
>)
361,363
Gl)
TUNING
INIT-SET
G?)
VIDEO
Swi
he
g
S22
be
SS
Sas
FS-1
LED
Me
=
g
&
ge"
Soze
8
felis
es
22)
7
oy}
ee
are
or)
DETER
#
a
neo
ZEEE
F
tse
O08
co
ou
me
:
Za
&
SrEe
&|
ED
ira
Sree
RESET
@8)
on
=
-)
(EO
=
Z2e8
033503360337
0305
[EQuaLizer
|]
—PH)
DRIVE
G5)
Pe
iga(2
9328=
350
205-1
WD
fete
s.cLock)
RESET
SWITCH
0338
©
-0339.««O340
Se
vocal
3
es
0306
[
SURROUND
On
G4)
SuRR
2gale
Sy
(©)
[MONITOR
OUT]
0302
PD
Gi)
Tare
2
als
;
RESET
SWITCH
1
site|
EDT
En
ORES
eta}
2
5206-2
—{sTOP)
(36)
SYS/POWER
760]
6
MDEOT
OUT
cult].
DISPLAY
F
ts
§
aoe
sieafia)
_,
9832
~27V
+5V
i
BIN
SECTION
T
Ga)\/0
DATA
SI7A
ea)
Fur
oawe
|
xl
$20a|50]
teM
DIGITAL
cr302
a
&
SECTION
a
‘4MH2
DISP.
ONG?)
+5V
re
Gx
POWER
eS
AMP:
+12V
1C204
0201
+24v
jae
1CB0r
CONTROL
rea]
ous
sev
hes
5
VIDEO
IN
C803
SECTION
BF
SAMPLING
0364
CHANNEL
CHANNEL
DIVIDER
SWITCHING
=i
LED
ORIVE
-5v
1360-355
C356
,357
©
i
9204
VIDEO
2)
egy
]CONTROL,
DIGITAL,
DISPLAY
5
VIDEO
IN
VIDEO
SECTION
Q803—806
CF301
ty
6MH2
—17—-
ee
>
aes

Related product manuals