EasyManua.ls Logo

Sony STR-DE185 - Power Section Block Diagram

Sony STR-DE185
32 pages
Print Icon
To Next Page IconTo Next Page
To Next Page IconTo Next Page
To Previous Page IconTo Previous Page
To Previous Page IconTo Previous Page
Loading...
STR-DE185
13 13
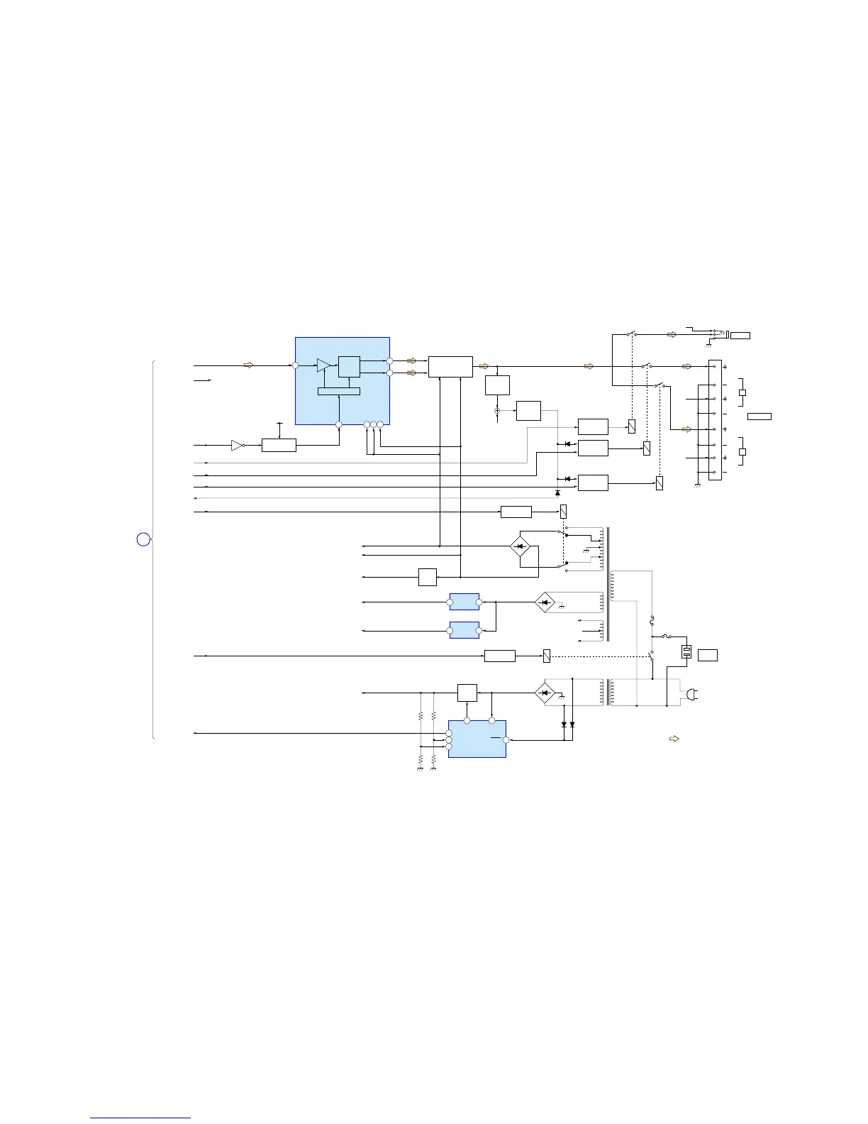
4-4. BLOCK DIAGRAM POWER SECTION
6
2
3
DRIVE
POWER AMP
Q701-704
BIAS
MUTE CONTROL
Q680
1 13 14 15
-24V
REG
Q904
+5V REG
IC902
3 1
+10V REG
IC903
3 1
67
8
2
53
RELAY DRIVER
Q783
RELAY DRIVER
Q903
RELAY DRIVER
Q901
+5.6V
REG
Q902
RELAY DRIVER
Q782
RELAY DRIVER
Q781
+B
-B
-24V
+5V
+10V
+5.6V
OUT C V+
RESET
VSA
VSC
RESET/+5.6V REG
IC901
VSB/SESIN
F2
F2
RY982
F901
F902
RY981
RY781
R-CH
RY782
RY783
RECT
D901-904
RECT
D908-911
RECT
D907
T901
POWER
TRANSFORMER
T902
POWER
TRANSFORMER
D905 D906
CNJ901
AC
OUTLET
SWITCHED 120W/1A MAX
AC 120V 60 Hz (US)
SWITCHED 100W MAX
(AEP,UK)
~
AC IN
+B
-B
+B
MUTE
VCC1
VCC2
VEE
PRE DRIVER
IC601
PRE
DRIVE
IN 1
+VOUT
-VOUT
OVERLOAD
DET
Q705,706
PROTECT
SWITCH
Q784-786
R-CH
J803
PHONES
TM801
SPEAKERS
IMPEDANCE
USE 8-16
L
R
A
L
R
B
R-CH
R-CH
ST-L
ST-R
INV.
Q681
AC MUTE
HP RELAY
SPK A RELAY
SPK B RELAY
PROTECTOR SIG
R1 COIL RELAY
POWER RELAY
STOP SIGNAL
R-CH
MAIN
SECTION
1
D786
D787
D789
Signal path
: FM/AM
R-ch is omitted due to
same as L-ch.
(Page 12)

Other manuals for Sony STR-DE185

Related product manuals