EasyManua.ls Logo

Sony STR-DE185 - Main Section Schematic (Part 2)

Sony STR-DE185
32 pages
Print Icon
To Next Page IconTo Next Page
To Next Page IconTo Next Page
To Previous Page IconTo Previous Page
To Previous Page IconTo Previous Page
Loading...
STR-DE185
17 17
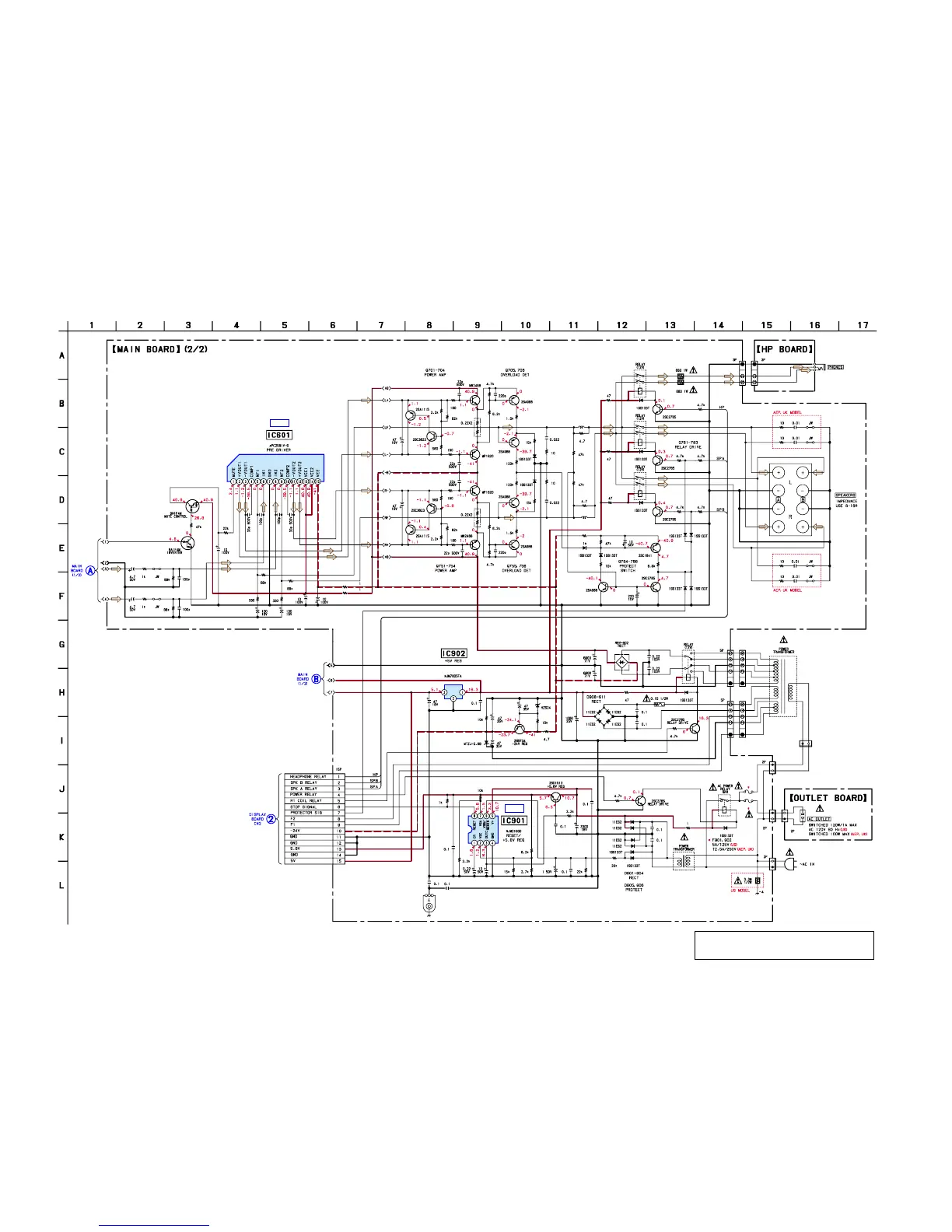
4-8. SCHEMATIC DIAGRAM MAIN SECTION (2/2) Refer to page 15 for Common Note on Schematic Diagram and page 20 for IC Block Diagrams.
Note: The components identified by mark 0 or dotted line
with mark 0 are critical for safety.
Replace only with part number specified.
IC B/D
IC B/D
R915
Q703
Q704
Q754
C702
C703
C704
C752
C753
C754
D782
D783
D784 D785
D908D909
D910D911
D981
D982
Q701
Q705
Q706
Q751
Q781
Q782
Q786
R681
R697
R704
R705
R707
R708
R714
R754
R755
R758
R759
R764
R781
R782
R783
R786
R787
R788
R792
R793
R794
R901
R904
R905
R906
R909
R910
R911
R912
R916
R929
R930
R789
Q784
B901
Q756
Q755
R923
D912
R917
R652
R602
R603
R653
C606
C656
C929 C930
C921
C920
C919
C922
C911 C791
C910
C903C904
C908
C905
C917
C914
C705
C912
C913
C901
C902
C682
C601
C651
R655C657
C607 R605
C751
C701
R757
R711
R712
R709
R701
R702
R753
Q752
Q702
R703
Q753
R752
R751
D751
R762
R761
R760
R710
D701
C755
R713
R763
L751
L701
R795
R785
R784
C781
Q785
R790
D787D786
Q783
D788D789
C916
R914
C906
C907
R902
R908
R907
C915
CNP901
CNP905
CNP906
CNP907
D901
D902
D903
D904
D905
D906
C909
Q680
CNP801
RR701 CC701 CC702
RR751 CC751 CC752
RR702 CC703 CC704
RR752 CC753 CC754
CNP802
Q903
Q904
CNJ901
CNP903
CNP904
Q901
T902
J803
C603
C653
C604
C654
C652
C602
R706
R756
RY781
RY782
RY783
D781
TM801
T901
RY981
D907
R913
C918
D913
IC902
CN5
EP901
R903
F902
F901
RY982
R604
R654
C782
C923
Q681
IC601
IC901
Q902
(Page
16)
(Page 16)
(Page 18)

Other manuals for Sony STR-DE185

Related product manuals