EasyManua.ls Logo

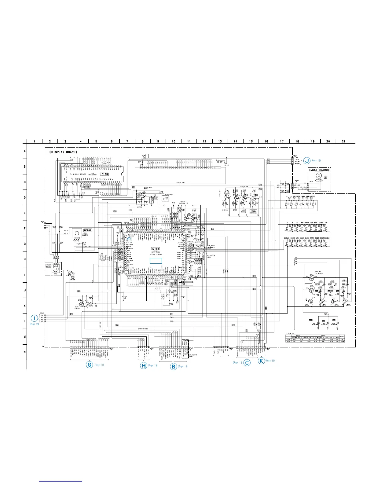
Sony STR-DE445 - Schematic Diagram - Display Section

Sony STR-DE445
48 pages
Print Icon
To Next Page IconTo Next Page
To Next Page IconTo Next Page
To Previous Page IconTo Previous Page
To Previous Page IconTo Previous Page
Loading...
STR-DE445/DE545/SE501
17 17
3-10. SCHEMATIC DIAGRAM DISPLAY SECTION
See page 7 for Waveforms.
See page 26 for IC Pin Functions.
PIN
FUNCTION

Other manuals for Sony STR-DE445

Related product manuals