EasyManua.ls Logo

Sony STR-DE445 - Power Section

Sony STR-DE445
48 pages
Print Icon
To Next Page IconTo Next Page
To Next Page IconTo Next Page
To Previous Page IconTo Previous Page
To Previous Page IconTo Previous Page
Loading...
STR-DE445/DE545/SE501
99
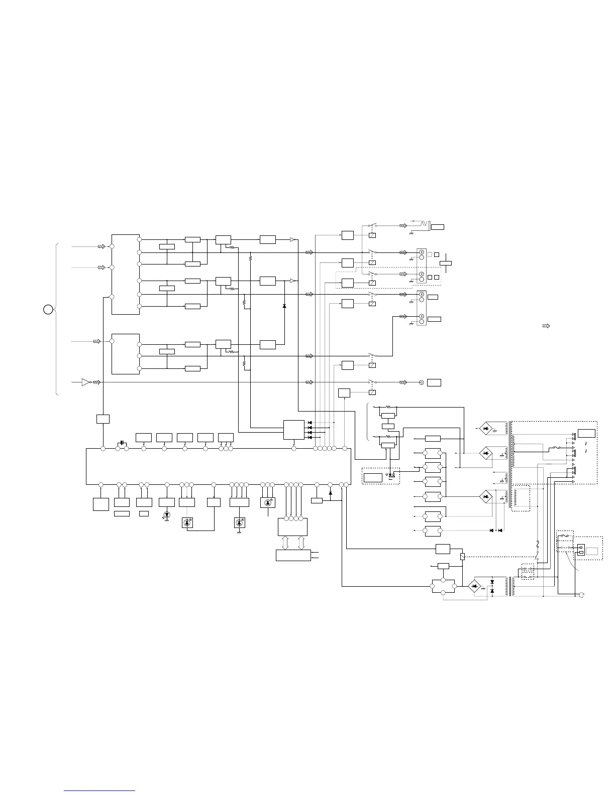
- POWER SECTION -
FRONT
REAR
CENTER
WOOFER
A
IN2
8
IN1
+V OUT2
NF2
-VOUT2
+V OUT1
NF1
-VOUT1
6
MUTE
1
IN
+VOUT
NF
-VOUT
1
29 82 83 38
57 8685
IC701
POWER AMP
12
12 13141015
9
11
2
6
3
2
5
3
RELAY
DRIVER
Q791
Q709
Q659
CURRENT
DET
Q705,706
CURRENT
DET
Q505,506
AF POWER
PROTECT
Q707,708
Q747,748
AF POWER
PROTECT
Q507,509
RELAY
DRIVER
Q730
RELAY
DRIVER
Q740
RELAY
DRIVER
Q610
RELAY
DRIVER
Q550
RELAY
DRIVER
Q560
BOOSTER
Q703
BOOSTER
Q704
BOOSTER
Q503
IC501
POWER AMP
BOOSTER
Q504
LIMTER
Q701,702
LIMTER
Q501,502
REMOTE
CONTROL
RECEIVER
ROTARY
ENCODER
4645 87 33323130 4321 19181716
29342624
3 2
39
FUNCTION
KEY
S110-119
FUNCTION
KEY
S100-109
IC101
40
FUNCTION
KEY
S120-128
41
FUNCTION
KEY
S129-137
55
FUNCTION
KEY
S150-152
Q722,723,725
56 54 58
AD KEY IN1
XI
XO
AC MUTE
SIRCS
VOL-A
VOL-B
JOG-A
JOG-B
MUTE LED
LED1
LED2
LED3
SELECT LED
BLUE LED
BB LED
TONE LED
DOLBY LED
AFD LED
2CH LED
MODE LED
FL LED
FL LAT
FL CLK
FL DATA
RESET
HSTX
STOP
PWRY
AD KEY IN2
AD KEY IN3
ADKEY IN4
PWKEY IN
SP A
SP B
PROTECTOR
H/P RY
SP-A RY
SP-B RY
REAR RY
CENTER RY
WOOFER RY
LED
DRIVER
77 52 47 8
RESET
+7V
F1
F2
IC103
FL DRIVER
FL101
G1-11
P1-19
3
6
8 5
POWER
CONTROL
REG
3 2
REG
Q901
D898
IC950
D910-913
D915
D914
D899
IC806
IC802
Q951
RELAY
DRIVER
REG
3 2
REG
IC803
3 2
REG
IC804
3 2
REG
IC807
3 2
REG
IC801
Q697
Q695,696
Q691-694
Q801
SWITCH
INV.SW
SWITCH
REG
S501
IMPEDANCE
SELECTOR
8 4
DE545,SE501 MODEL
DE545,SE501 MODEL
+5V
+7V
+9.2V
B+
B-
+30V
+5V
-12V
+5.6V
-7V
LED
+5V
TUNER
+12V
S901
240V
220V
120V
VOLTAGE
SELECTOR
JW519
JW518
T902
E,PX MODEL
DE545:US,CND,E,PX,SE501
MODEL
DE545,SE501 MODEL
F902
JW515
J911
AC
OUTLET
US,CND,E,PX MODEL
L
FRONT
A
L B
REAR
CENTER
SUB
WOOFER
R CH
J791
TM602
TM601
J502
RY791
RY730
RY740
RY601
RY550
T901
D824-827
D802
F1
F903
F2
D820-823
PHONES
R ch is omitted
Signal Path
: CD(ANALOG)
Abbraviation
CND: Canadian model
AUS: Australian model
SP : Singapore model
TW : Taiwan model
CH : Chinese model
MUTE
SWITCH
AC IN
F901
B+
B-
CURRENT
DET
Q655,656
AF POWER
PROTECT
Q657,658
BOOSTER
Q653
Q654
BOOSTER
LIMTER
Q651,652
X101
16MHz
RY560
IC401
5
7
ROTARY
ENCODER
LED
DRIVER
LED
SWITCH
LED
DRIVER
RV102
VOLUME
RV101
D001
Q007
D005-010
Q004-006 Q001-003
JOG
Q008
I
Q011
D002
I
D004
765
Q100,101
PROTECTOR
FOR POWER AMP
E,PX MODEL
EXCEPT E,PX
EXCEPT US,CND,E,PX
9
CLR
LAT
CLK
D.IN
IC102(2/2)
SYSTEM CONTROL
D011-014
EXCEPT E,PX
(Page 8)

Other manuals for Sony STR-DE445

Related product manuals