EasyManua.ls Logo

Sony STR-DE445 - Block Diagrams - Main Section

Sony STR-DE445
48 pages
Print Icon
To Next Page IconTo Next Page
To Next Page IconTo Next Page
To Previous Page IconTo Previous Page
To Previous Page IconTo Previous Page
Loading...
STR-DE445/DE545/SE501
88
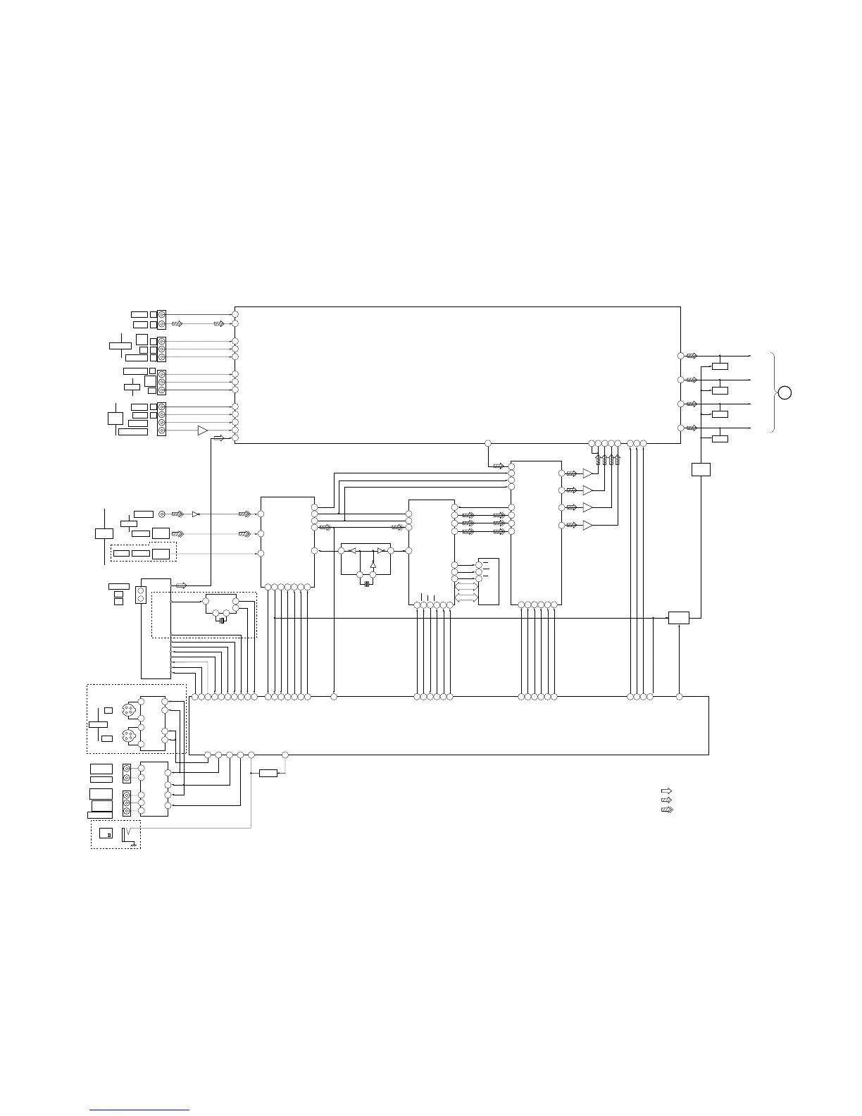
3-2. BLOCK DIAGRAMS
- MAIN SECTION -
R ch is omitted
Signal Path
: FM
: CD(ANALOG)
: DVD(DIGITAL)
71
INA2
L
INB2
AUX IN
CD IN
70
L
J401
J1001
IC1001
IC1002
61
REC OUT 2A
L
INC2
REC
OUT
IN
69
L
IND2
TV/SAT IN
68
L
J402
67
INE2
L
REC OUT 2B
REC
OUT
IN
62
INF2
66
MD/TAPE
VIDEO
DVD/LD IN
J403
50
LCH NIN
L
SLCH NIN
CENTER
44
L
DIGITAL
IN
IR LINK
DET
IR LINK
DET
REAR
FRONT
SUBWOOFER
COAXIAL
OPTICAL
OPTICALTV/SAT
ANTENNA
FM
AM
DVD/LD
CCH NIN
38
SWCH NIN
27
DIN0 BCK
3 14
CK OUT
13
LRCK
15
DATAO
16
X IN
22
IC301
RDS
SIGNAL
STEREO
TUNED
T.MUTE
S.DATA
S.CLK
DO
S.LAT
4 16
2
DIN2
5
DIN1
ERROR
4
XSTATE
TUNER LAT
TUNER DATA OUT
TUNER CLK
TUNER DATA IN
TUNER MUTE
AUTO STOP
STEREO
RDS SIGNAL
RDS DT
RDS CLK
DIR XSTATE
D.EER
D.DO
DIR DI
DIR CE
DIR CLK
DIR XMODE
DIR DATAO
Y-IC
Y-CS
Y-SO
Y-SI
Y-CLK
Y-CSB
CCODE MUTE
CCODE DFS
CCODE PD
CCODE CS
CCODE CLK
CCODE CDTI
M.CLK
M.DATA
M.CE
ANA/DIG
SYSTEM MUTE
64
96 95 8962 65 6659 60 61 67 44 48 53
DO
DI
CE
CLK
XMODE
ING2
63
J501
10
MON
S VIDEO
MUTE
S1
S2
VIDEO
MUTE
AUBUS IN
AUBUS OUT
V3
SW1
SW2
M2
M1
SW1
SW2
M2
M1
V1
Q102
VOUT
MON
V1
12
J1004
3
V2
V3
MONITOR
OUT
VIDEO IN
1
OUT
5
J1006
J1007
S VIDEO
IN
OUT
DVD/LD
VIDEO IN
VIDEO OUT
CTRL
A1
TV/SAT
VIDEO IN
31
IC401
57
31
31
57
IC402
IC403
IC404(1/2)
IC404(2/2)
IC1003
94
SDOB0
47
LCH OUT
49
SLCH OUT
43
CCH OUT
37
SWCH OUT
28
SDIAI
85
SDOB1
46
SDOB2
45
RAMCEN
2
RAMWEN
88
RAMDEN
89
CS
20
WE
27
OE
22
CSB
65
IC
62
CS
SO
67
SI
68
SCK
69
LOUT2
25
LOUT1
27
ROUT3
24
LOUT3
23
DFS
11
SMUTE
3
PDN
17
DIFO/CSN
41
CCLK
42
CDTI
43
CLOCK
31
DATA
32
LATCH
33
79 78 80 8898
SD BCKO
83
SDWCKO
82
SDIA
84
XI
SDTI1
6
SDTO
9
SDTI2
7
SDTI3
8
MCLKI
39
LIN+
30
BCLK
4
LRCK
5
CCH DIN
39
SLCH DIN
45
DOUT2
59
TIN2
SEL OUT2
58
SWCH DIN
26
IC1007
SRAM
A0-A14
D0-D7
60
5 2
3 1
X1101
12.288MHz
13 14
X301
4.33MHz
FRONT
REAR
CENTER
WOOFER
MUTE
MUTE
MUTE
MUTE
MUTE
SWITCH
Q379
MUTE
CONTROL
Q103,104
Q361
Q362
Q363
Q364
DET OUT
L CH
12
13
4
11
1
12
5
10
2
13
4
11
6374767528
BUFFER
TUNER UNIT
A
IC1016
SELECTOR
J1003
J1002
3417 35 36 37 38 48
C
Y
C
Y
IC102(1/2)
SYSTEM CONTROL
IC201
SOUND PROCESSOR
IC1004
DIGITAL AUDIO
I/F RECEIVER
IC1006
AUDIO DSP
IC1005
CLOCK OSC
IC1008
AUDIO CODEC
DE545,SE501 MODEL
DE545,SE501 MODEL
AEP,UK,CIS MOEL
DE545,SE501 MODEL
5.1CH
INPUT
99100 25 24 22 21
66
7072 71 73 68 69
8
90 91 92 93
(Page 9)

Other manuals for Sony STR-DE445

Related product manuals