EasyManua.ls Logo

Sony STR-DE495 - Block Diagram - Power Section

Sony STR-DE495
54 pages
Print Icon
To Next Page IconTo Next Page
To Next Page IconTo Next Page
To Previous Page IconTo Previous Page
To Previous Page IconTo Previous Page
Loading...
STR-DE495/DE595
19 19
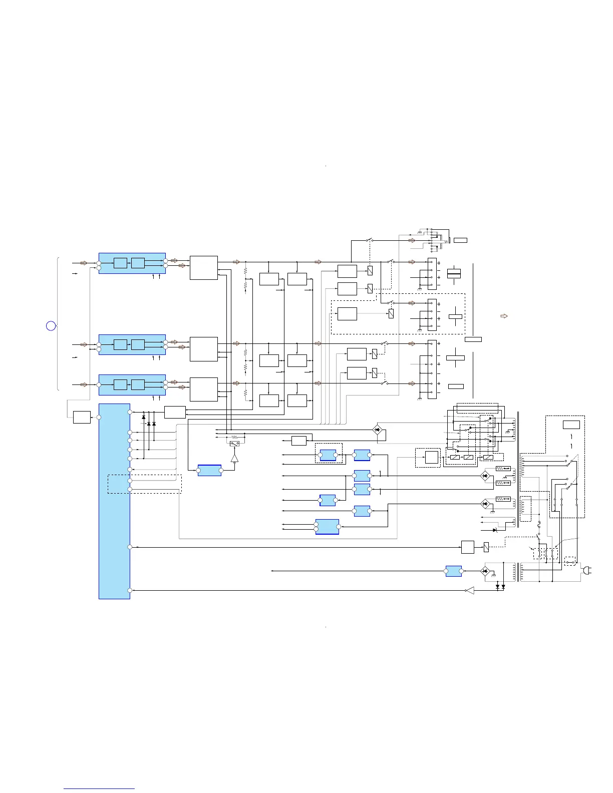
4-6. BLOCK DIAGRAM — POWER SECTION —
8
1
12
11
DRIVE
POWER AMP
Q701-704
CURRENT
DETECT
Q705,706
RY791
RY701
RY601
RY851
PRE DRIVER
IC701
IN 2
MUTE
+VOUT2
-VOUT2
SPEAKERS
IMPEDANCE
USE 8-16
R
L
FRONT (DE495)
(DE595)
FRONT A
L
SURROUND
CENTER
R
R-CH
R-CH
R-CH
FL-CH
FR-CH
SL-CH
C-CH
R-CH
SR-CH R-CH
TUNER/
AUDIO
SECTION
D
RY901
RY802 RY803
RY801
DE595:CND MODEL
DE595
DE495
D804
F1
F2
-30V
+3.3V
(STBY)
+2.5V
+5V-1
-7V
+7V
TU+10V
TU+3.3V
-30V
F901
JW907
JW906
JW904
JW905
RECT
D910-913
T902
POWER
TRANSFORMER
D914
Q921
D915
JW910
JW909
JW908
D731
D734
D733
~ AC IN
OVERLOAD
DETECT
D740,Q740
1
66
6
5
DRIVE
POWER AMP
Q501-504
CURRENT
DETECT
Q505,506
-30V REG
Q801
RELAY
DRIVER
Q901
PRE DRIVER
IC501
IN+
AC MUTE
+VOUT
-VOUT
OVERLOAD
DETECT
D540,Q540
8
12
11
DRIVE
POWER AMP
Q651-654
CURRENT
DETECT
Q655,656
PRE DRIVER
IC702
IN 2
1
MUTE
+VOUT2
-VOUT2
OVERLOAD
DETECT
D640,Q640
RELAY
DRIVER
Q790
RELAY
DRIVER
Q710
RELAY
DRIVER
Q610
RY501
RELAY
DRIVER
Q510
69
71
67
PROTECTOR
D721,722
Q722,723,725
25
65
48
70
OVERLOAD
DETECT AMP
72
IC601
Q692
Q691
+B
-B
-BB
+3.3V
REG
13
IC1905
BACK-UP
SWITCH
4
5
+3.3V
2
IC1901
+5V-2
+5V
REG
13
IC1503
+10V
REG
13
IC1902
-V
+V
+7V
REG
13
IC801
-7V
REG
23
IC802
+5V
REG
13
IC1903
+3.3V
REG
13
IC1904
R-CH
R-CH
R-CH
-BB +B
-BB +B
-BB +B
R-CH
R-CH R-CH
RECT
D802
RECT
D820-823
RECT
D902-905
T901
POWER
TRANSFORMER
TM601
TM602
R
FRONT B
L
R-CH
TM603
DE595
J791
PHONES
S901
VOLTAGE
SELECTOR
240V
220V
120V
HP-RY
FRONT-RY
SPK B-RY
REAR-RY
CENTER-RY
HP DETECT
HP-RY
SPK B-RY
DE595
HP DETECT
FRONT-RY
REAR-RY
CENTER-RY
HEADPHONE
RELAY
PREOUT/FRONT
RELAY
REAR RELAY
PROTECTOR
HP DETECT
POWER RELAY
17
SPK B RELAY
72
R1 RELAY
STOP
CENTER RELAY
AEP,UK M0DEL
EXCEPT
E2
M0DEL
EXCEPT
E2
MODEL
EXCEPT
E2
MODEL
E2 M0DEL
E2 M0DEL
SYSTEM
CONTROL
IC1601 (4/4)
PRE
DRIVE
PRE
DRIVE
PRE
DRIVE
RELAY
DRIVER
Q851
22
MUTE
BUFFER
Q747,748
-1
-2
RELAY
DRIVER
Q809
EXCEPT
DE595:CND MODEL
R810
R812
R910
• Signal path
: TUNER (FM/AM)
• R-ch is omitted due to
same as L-ch.
(Page 16)

Other manuals for Sony STR-DE495

Related product manuals