EasyManua.ls Logo

Sony STR-DE495 - Schematic Diagram - Power Section

Sony STR-DE495
54 pages
Print Icon
To Next Page IconTo Next Page
To Next Page IconTo Next Page
To Previous Page IconTo Previous Page
To Previous Page IconTo Previous Page
Loading...
STR-DE495/DE595
33 33
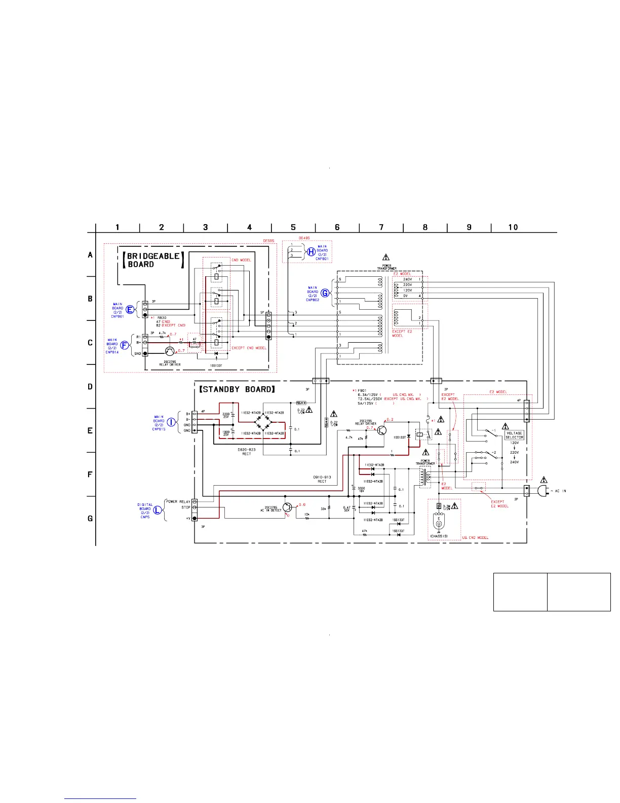
4-19. SCHEMATIC DIAGRAM — POWER SECTION — • Refer to page 20 for Common Note on Schematic Diagram.
DE595:
DE495: TW
TW
TW
CND MODEL
EXCEPT
CND MODEL
C813
C814
C920
C921
C950
D820
D821 D822
D823
R902
R903
R904
C815
D910
D911
D912
D913
RY901
CNP903 CNP902
Q901
F901
T902
CNP901
R901
G901
D915
D914
D901
R921
C923
R922
R923
D818
CNP905
CNP912
Q921
CNP906
R810
R812
JW
907
JW
905
JW906
JW909
JW910
JW904
JW
908
S901
T901
CN906
R830
RY801
CNP904
CN908
RY803
RY802
R831
R831
R824
Q809
C816
Note:
The components identi-
fied by mark 0 or dotted
line with mark 0 are criti-
cal for safety.
Replace only with part
number specified.
Note:
Les composants identifiés par
une marque 0 sont critiques
pour la sécurité.
Ne les remplacer que par une
piéce portant le numéro
spécifié.
(Page 27)
(Page 23)
(Page 23)
(Page 23)
(Page 23)
(Page 23)
Ver 1.1

Other manuals for Sony STR-DE495

Related product manuals