EasyManua.ls Logo

Sony STR-DK5 - Section 4: Diagrams - Block Diagrams; Block Diagram - Tuner;Audio Section

Sony STR-DK5
58 pages
Print Icon
To Next Page IconTo Next Page
To Next Page IconTo Next Page
To Previous Page IconTo Previous Page
To Previous Page IconTo Previous Page
Loading...
STR-DK5
11 11
STR-DK5
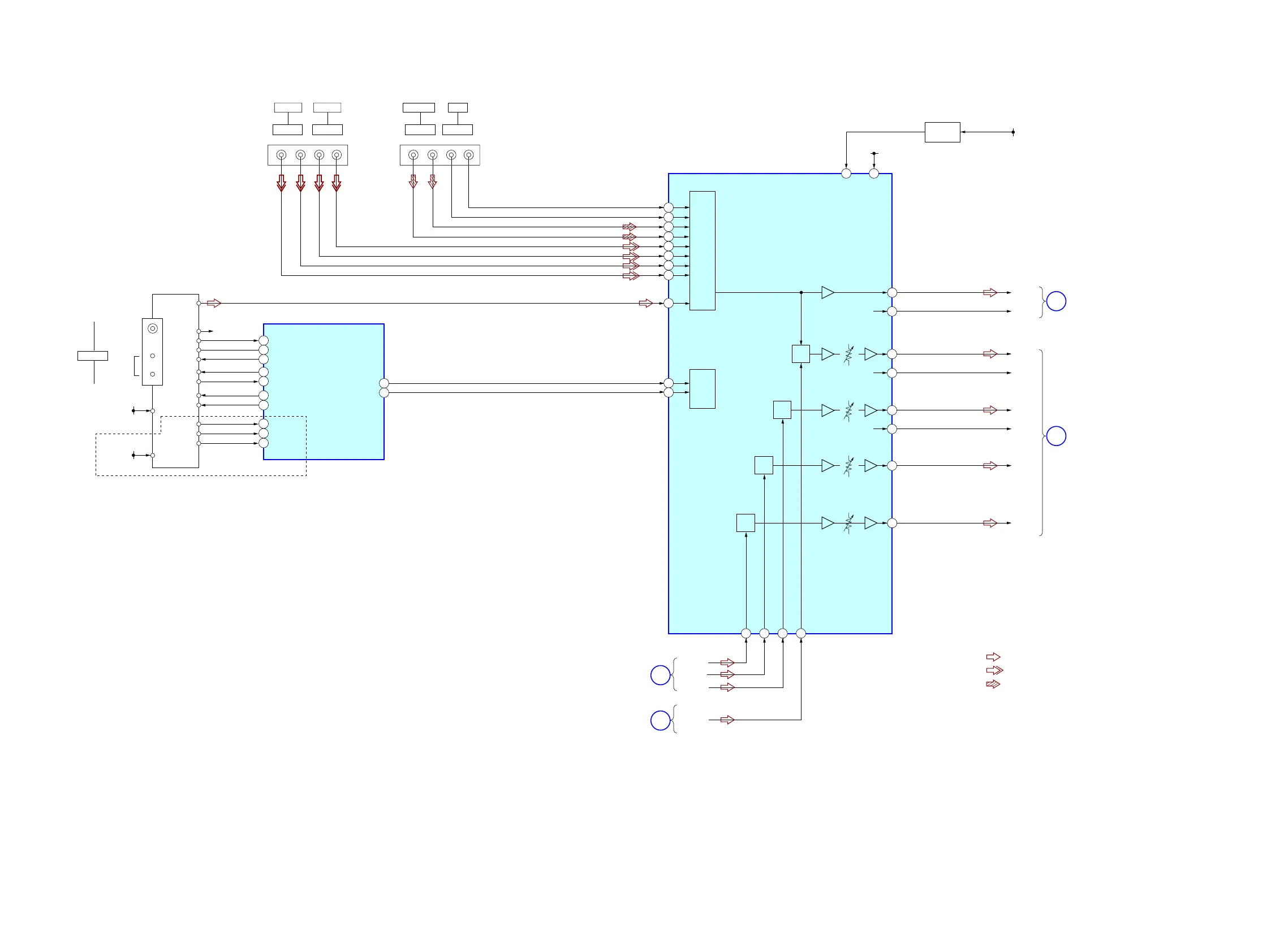
4-1. BLOCK DIAGRAM — TUNER/AUDIO SECTION —
(Page 13)
(Page 12)
(Page 15)
SECTION 4
DIAGRAMS
(Page 12)
C-CH
SR-CH
R-CH
SL-CH
L-CH
R-IN
L-IN
SW
SEL
C
SEL
SL
SEL
R-CH
R-CH
R-CH
DIR
FUNCTION SELECT
IC400
AVCCDVDD
+7V
+3.3V
+7V
SEL
SW
MCU
I/F
SW OUT
C OUT
SL OUT
L OUT
• Signal path
: TUNER (FM/AM)
: VIDEO (AUDIO)
: CD (ANALOG)
• R-ch is omitted due to
same as L-ch.
76
75
78
74
73
AUDIO INAUDIO IN
LRLR
VIDEO 1
DVD
AM
TN1
FM/AM TUNER UNIT
SYSTEM
CONTROL
IC1101 (1/5)
SA-CD/CD
LRLR
J401 J402
R-CH
SLATCH
17
TUNER DATA
16
T.SERIAL CLK
VOL DATA
VOL CLK
STEREO
TUNED
MUTE
DO
L-CH
R-CH
STEREO
TUNED
MUTING
CE
DO
DATA
CLOCK
TU+10V
32
31
VIDEO 2
FM 75
COAXIAL
ANTENNA
-1 -2 -3 -4-1 -2 -3 -4
VDD3.3V
53
RDS DATA
RDS DATA
52
RDS CLK
RDS INT
43
RDS SIG
RUSSIA MODEL
FM SIG OUT
10
AUDIO IN AUDIO IN
26 27
24
25
14
49
48
40
41
SB-CH
33
21 20 19 16
7
6
9
8
3
2
5
4
32
+3.3V REG
Q471
13
L
SEL
DIGITAL
SECTION
B
KARAOKE
SECTION
D
DIGITAL
SECTION
A
POWER
SECTION
C
Ver. 1.1

Other manuals for Sony STR-DK5

Related product manuals