EasyManua.ls Logo

Sony STR-DK5 - Block Diagram - Digital Section

Sony STR-DK5
58 pages
Print Icon
To Next Page IconTo Next Page
To Next Page IconTo Next Page
To Previous Page IconTo Previous Page
To Previous Page IconTo Previous Page
Loading...
STR-DK5
1212
STR-DK5
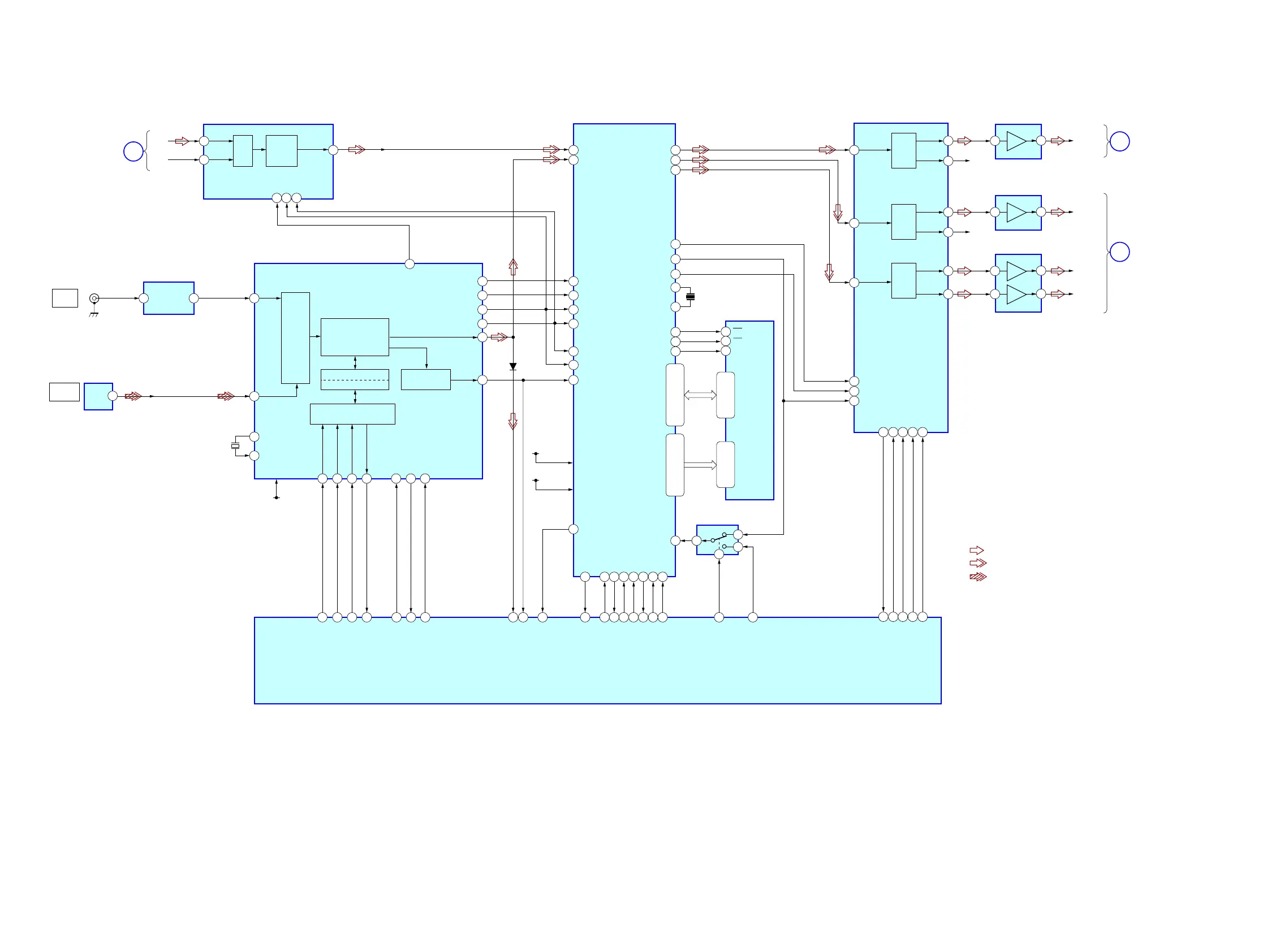
4-2. BLOCK DIAGRAM — DIGITAL SECTION —
(Page 13)
(Page 11)
(Page 11)
• Signal path
: TUNER (FM/AM)
: VIDEO (AUDIO)
: CD (DIGITAL)
• R-ch is omitted due to
same as L-ch.
SDI1
SD01
DOUT
15
18
SDI2
30
GP8
AUDIO
24
XMCK
20
69
LRCKI1
15
BCKI1
17
KFSI0
CKOUT
13 22
BCKI2
BCK
14 29
LRCKI2
LRCK
15 28
CS
WE
DATAO
23
SD02
24
SD03
25
SCKOUT
14
LRCKO
19
BCKO
20
X1502
13.9MHz
X1301
12.288MHz
MCLK1
9
MCLK2
12
CSO
44
WEO
45
68
108,107,105 -102,99,
98,80 - 77,75 - 72
24 - 27,42 - 44,
1 - 5,18 - 21
29 - 32,35 - 38,
16-13,10 - 7
112,110,109,97 - 92,
85-82,66 - 64
6
17
OE
OEO
43
41
2 11336 35 33 3432
299
37
6 74 18 19 205
EXLOCK
GP12
56
BST
ERROR
21
22
SYSCLK
16
BCK
14
LRCK
13
95 96 97 98
38 37 36 35 47 17
INPUT
DATA
DEMODULATOR
Pa,Pb DETECTION LOCK
DETECTION
MICROPROCESSOR
I/F
C bit DETECTION
34 59
16
DVD
IN
(COAXIAL)
1
SA-CD/CD
IN
(OPTICAL)
OUT
OPTICAL
RECEIVER
IC1352
IC1303
DIGITAL AUDIO
I/F RECEIVER
IC1301
J1301
23
WAVE
SHAPER
+1.8V
VDDI
+3.3V
VDDE
5
+3.3V
VDD
L-IN
DIGITAL
DECIM.
FILTER
ADC
IC1401
DSP
IC1501
SDRAM
IC1502
SWITCH
IC1503
8
GP12
ERROR
1
DATAO
HACN
XRST
HDIN
PM
392
BST_SEL
HDOUT
GP9
HACN
HCS
XRST
HDIN
PM
HDOUT
HCLK
6
CLK
CE
DI
DO
XSTATE
CLK
CE
DI
DO
CKSEL1
93100
48
XMODE
94
CKSEL1
XMODE
XSTATE
5
3
XOUT
DIN2
DIN0
XIN
D1301
D0-15A0-15
D0-15A0-15
SYSTEM
CONTROL
IC1101 (2/5)
TUNER/
AUDIO
SECTION
B
KARAOKE
SECTION
E
TUNER/
AUDIO
SECTION
A
∆Σ
MOD.
HCLK
BST
HCS
3633
1215
PCM1602 MDO
PCM1602 MDI
PCM1602 MC
PCM1602 ML
PCM1602 RST
MDO
ML
35
13
MC
34
14
MDI
37
10
RST
GP9
DATA3
L OUT
R-CH
VOUT5
VOUT6
VOUT1
VOUT2
VOUT3
VOUT4
47
2
9
10
1
AMP
IC1403
45
46
38
SCKI
40
BCK
LRCK
41
LRCKO
6CH DAC
IC1452
DAC
DATA1
SL OUT
R-CH
5
13
14
7
AMP
IC1405
DAC
DATA2
C OUT
312
1
SW OUT
511
7
AMP
IC1404
DAC
1
2
1
L IN
R-IN
5
R IN

Other manuals for Sony STR-DK5

Related product manuals