EasyManua.ls Logo

Sony STR-DK5 - Block Diagram - Karaoke Section

Sony STR-DK5
58 pages
Print Icon
To Next Page IconTo Next Page
To Next Page IconTo Next Page
To Previous Page IconTo Previous Page
To Previous Page IconTo Previous Page
Loading...
STR-DK5
13 13
STR-DK5
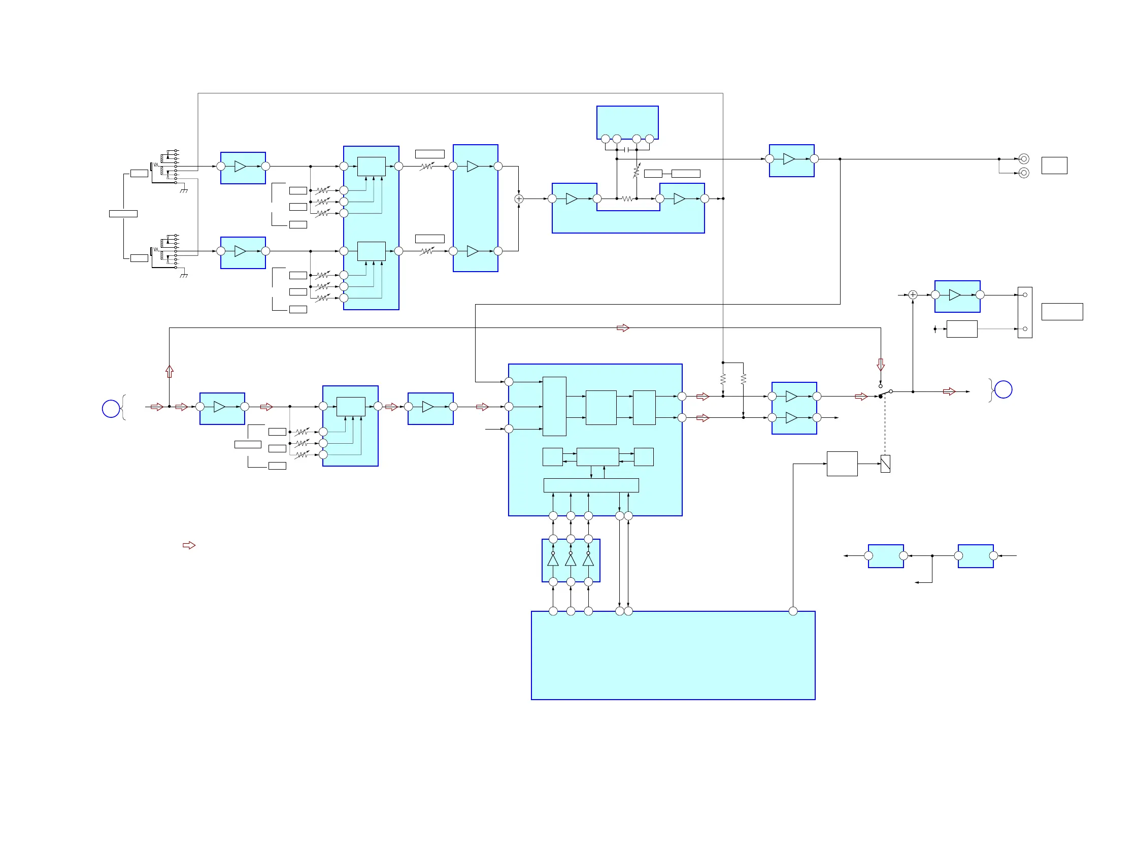
4-3. BLOCK DIAGRAM — KARAOKE SECTION —
(Page 12)
(Page 11)
• Signal path
: TUNER (FM/AM)
• R-ch is omitted due to same as L-ch.
5 1
TONE CONTROL
IC2000
MIC AMP
IC2004
MIC 1 AMP
IC2001
RV2000
MIC 1 VOL
RV2003
HIGH
J2000
MIC 1
KARAOKE
RV2002
MID
RV2001
LOW
5 7
MIX AMP
IC2350 (1/2)
5 7
AF AMP
IC2102
5 7
AF AMP
IC2101
L OUT
5 7
BUFFER AMP
IC2351
3 1
3 1
MIX AMP
IC2350 (2/2)
+9V
+K5V +15V
RY2000
INVERTER
IC2301
SYSTEM CONTROL
IC1101 (3/5)
64
63
KARAOKE CONTROL
IC2300
7
MIC AMP
IC2003
IC2120
ECHO
CONTROL
ECHO
RV2109
KARAOKE
16
18
20
14 12 5
75 13
2 10
TONE
(MIC 1 TONE)
TONE CONTROL
IC2100
RV2103
HIGH
RV2102
MID
RV2101
LOW
16
18
20
14 12
TONE
(MUSIC TONE)
KARAOKE
5 1
MIC 2 AMP
IC2002
RV2050
MIC 2 VOL
RV2053
HIGH
J2050
MIC 2
RV2052
MID
RV2051
LOW
1
5
3
1
7 9 3
TONE
(MIC 2 TONE)
93
77
75
74
SEL
R-CH
WR
STB
CLK
REQ
DATA
LOUT
MIC IN
L IN
R IN
ROUT
SRAM
K-OK R/W
K-OK STB
K-OK CLK
K-OK REQ
K-OK DATA
INTERFACE
SRAM
36
1
88
34
4
90
33
3 6 8
10
89
K-OK RY
87
35
34
32
33
RELAY
DRIVER
Q2000
+4V REG
Q2350
CN2506
D-LIGHT
SYNC OUTPUT
+9V
D+4V
L+R
-1
-2
3
L
4
R-CH
R-CH
MIC
OUTPUT
J400
R
DIGITAL
SECTION
E
L OUT
TUNER/
AUDIO
SECTION
D
PHASE
SHIFTER
LOGIC
EQ
3 1
IC2303 IC2302
3 1
+5V
REG
+9V
REG

Other manuals for Sony STR-DK5

Related product manuals