EasyManua.ls Logo

Sony STR-DK5 - Schematic Diagram - Power Section

Sony STR-DK5
58 pages
Print Icon
To Next Page IconTo Next Page
To Next Page IconTo Next Page
To Previous Page IconTo Previous Page
To Previous Page IconTo Previous Page
Loading...
STR-DK5
3232
STR-DK5
(Page 18)
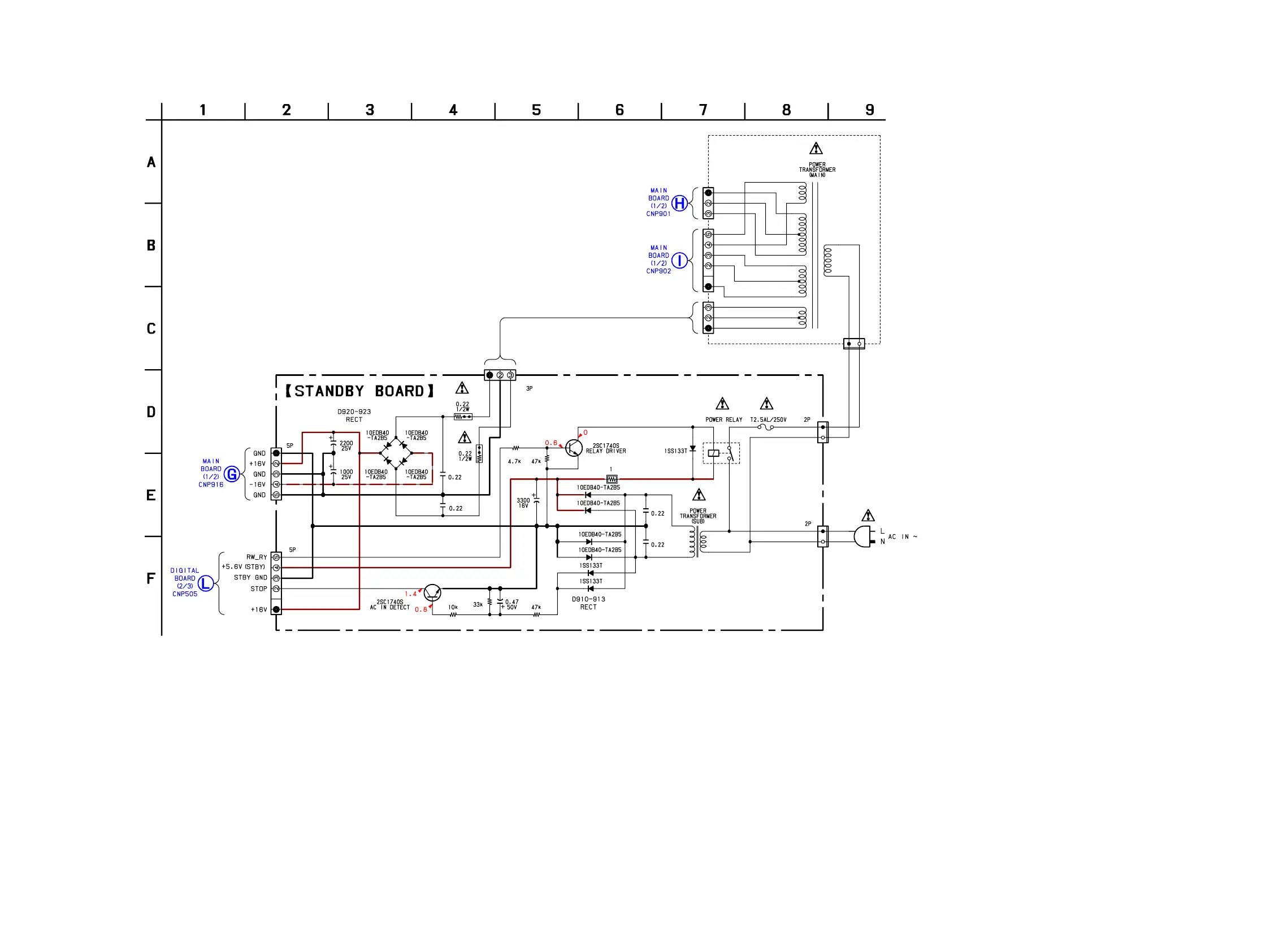
4-22. SCHEMATIC DIAGRAM — POWER SECTION —
D914
D915
R911
C913
R912
R913
R905
R904 R903
C916
C914
D913
D912
D911
D910
CNP801
CNP904
C901
C902
C911
C912
CNP906
CNP900
CNP903
C915
D921 D922
D920 D923
RY901
T901
F901
Q911
R812
R810
Q901
T902
D901
(Page 18)
(Page 18)
(Page 23)

Other manuals for Sony STR-DK5

Related product manuals