EasyManua.ls Logo

Sony STR-K650P - Main Section Schematic (3;3); Main Section Schematic Connections (Part 3)

Sony STR-K650P
40 pages
Print Icon
To Next Page IconTo Next Page
To Next Page IconTo Next Page
To Previous Page IconTo Previous Page
To Previous Page IconTo Previous Page
Loading...
1717
STR-K650P
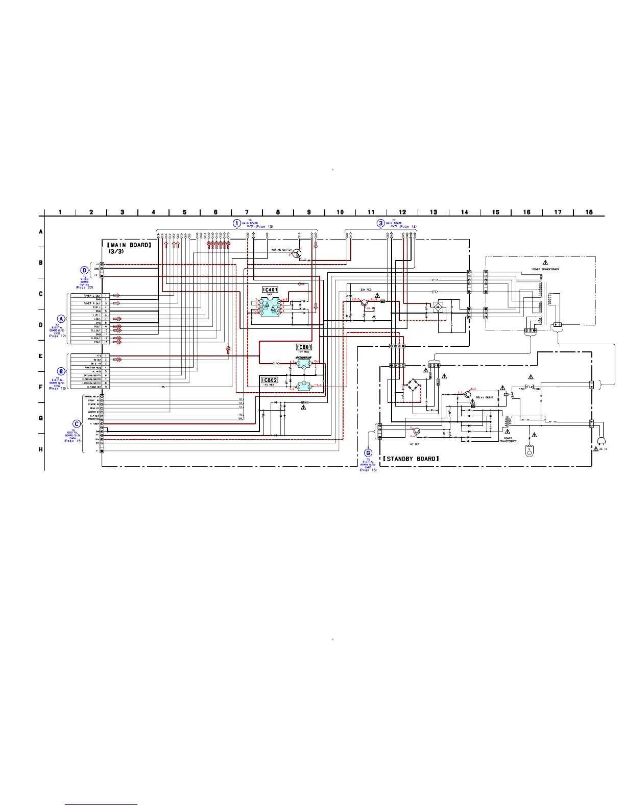
3-10. Schematic Diagram – MAIN Section (3/3) –
C804
C803
C805
C808
IC801
D802
IC802
C806
IC401
R473
C471
R499
C498
R381
C807
R804
R803
D801
D804
D905
D
904
D902
D903
C901
C830
CN505
C472
R560
C811
CN801
CNP915
Q901
R903
R902
D914
D915
C920
C921
C950
D913
D912
D911
D910
R
901
D901
CNP901
RY901
T902
CNP902
F901
R810
C813
C814
R904
R921
R922R923
C923
JW904
JW905
CNP905
JW906
R479
Q379
D896
CNP502
D820
D
82
3
D
82
2
D
82
1
CNP903
G901
C
81
5
C816
Q921
T901
C822
C903
R474
R812
CNP912
CNP802
CNP911
R910
R
8
06
C801
C802
C810
Q801
CNP501
4700
63V
4700
63V
0.22
100V
470
10V
D5SBA20-4003
M5F79M07L
0.22
100V
NJM4565DD
4.7k
4.7
50V
47k
33p
10k
100
10V
5.6k
4.7
HZS30-1LTA
RD5.6F-T7B2
11ES2-NTA2B
1
1ES2
-N
T
A
2B
11ES2-NTA2B
11ES2-NTA2B
0.1
0.1
3P
4.7
50V
10k
0.1
3P
4P
2SC2785TP-FEK
4.7k
0.22
47k
1SS133T-72
1SS133T-72
0.1
6.3A/125V
0.1
3300
16V
11ES2-NTA2B
11ES2-NTA2B
11ES2-NTA2B
11ES2-NTA2B
3.3M
ISS133T-72
VH 2P
2P
0.1
0.1
1
47k
33k10k
0.47
50V
4P
2.2k
BN1F4M-TP
AK04V1
9P
11ES2-NTA2B
11
ES
2-N
T
A2
B
11ES
2
-N
T
A2B
11ES
2
-N
T
A
2B
3P
22
00
25V
1000
25V
2SC2785TP-FEK
47
35V
3300
16V
10k
0.22
1/2W
3P
5P
14P
0.33
22
k
47
35V
47
35V
0.1
2SB734 -T-34
13P

Related product manuals