EasyManua.ls Logo

Sony STR-K660P - Schematic Diagram - POWER Section

Sony STR-K660P
44 pages
Print Icon
To Next Page IconTo Next Page
To Next Page IconTo Next Page
To Previous Page IconTo Previous Page
To Previous Page IconTo Previous Page
Loading...
2323
STR-K660P
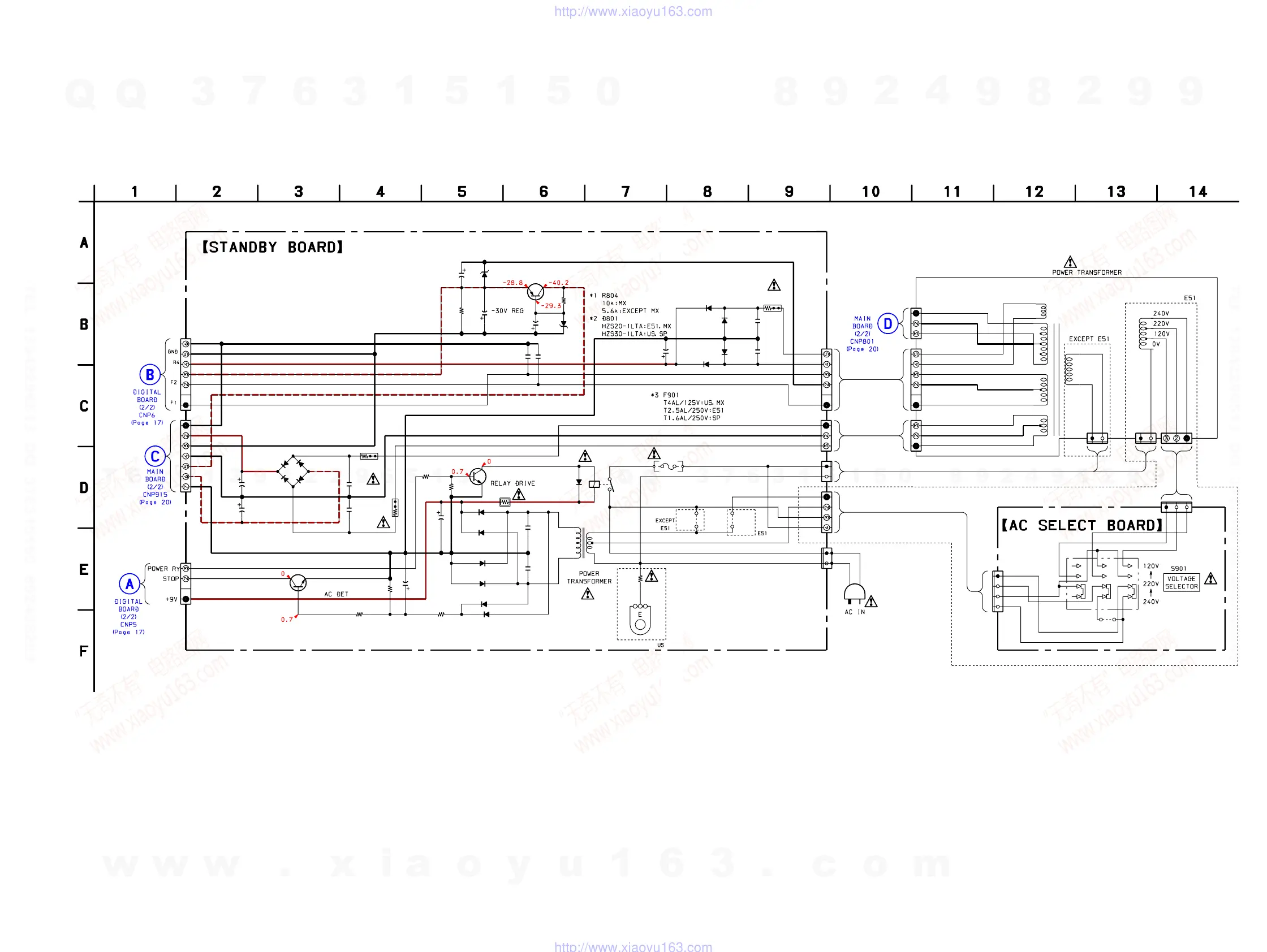
3-13. SCHEMATIC DIAGRAM – POWER SECTION –
C801
D804
C822
C821 C820
C831
C830
R806
R903
R902
C920
C921
C950
RY901
C813
C814
R904
R921
R922
R923
C923
CNP905
CNP804
C815
C816
R901
T902
F901
*3
CN909
CNP902
CNP901
FH902
FH952
JW905
JW904
G901
D910
D914
D915
D913
D912
D911
Q921
D822
D823
D820
D821
R810
R812
Q901
Q801
R910
D814
D813
D815
C823
D812
CNP802
R804
*1
D801
*2
CNP903
CNP912
JW795
CNP910
CNP907
T901
D901
C80247
35V
HZ6.8BP-TK
47
35V
0.1 0.1
0.1
0.1
22k
4.7k
47k
0.1
0.1
3300
16V
0.1
0.1
1
47k
33k
10k
0.47
50V
7P
5P
2200
25V
1000
25V
3.3M
4P
2P
2P
10EDB40-TA2B5
1SS133T-72
1SS133T-72
10EDB40-TA2B5
10EDB40-TA2B5
10EDB40-TA2B5
2SC2785TP-FEK
10EDB40-TA2B5
10EDB40-TA2B5
10EDB40-TA2B5
10EDB40-TA2B5
0.22
0.22
2SC2785TP-FEK
2SB734-T-34
0.33
10EDB40-TA2B5
10EDB40-TA2B5
10EDB40-TA2B5
3300
16V
10EDB40-TA2B5
6P
3P
3P
3P
4P
ISS133T-72
47 35V
w
w
w
.
x
i
a
o
y
u
1
6
3
.
c
o
m
Q
Q
3
7
6
3
1
5
1
5
0
9
9
2
8
9
4
2
9
8
T
E
L
1
3
9
4
2
2
9
6
5
1
3
9
9
2
8
9
4
2
9
8
0
5
1
5
1
3
6
7
3
Q
Q
TEL 13942296513 QQ 376315150 892498299
TEL 13942296513 QQ 376315150 892498299
http://www.xiaoyu163.com
http://www.xiaoyu163.com

Related product manuals