EasyManua.ls Logo

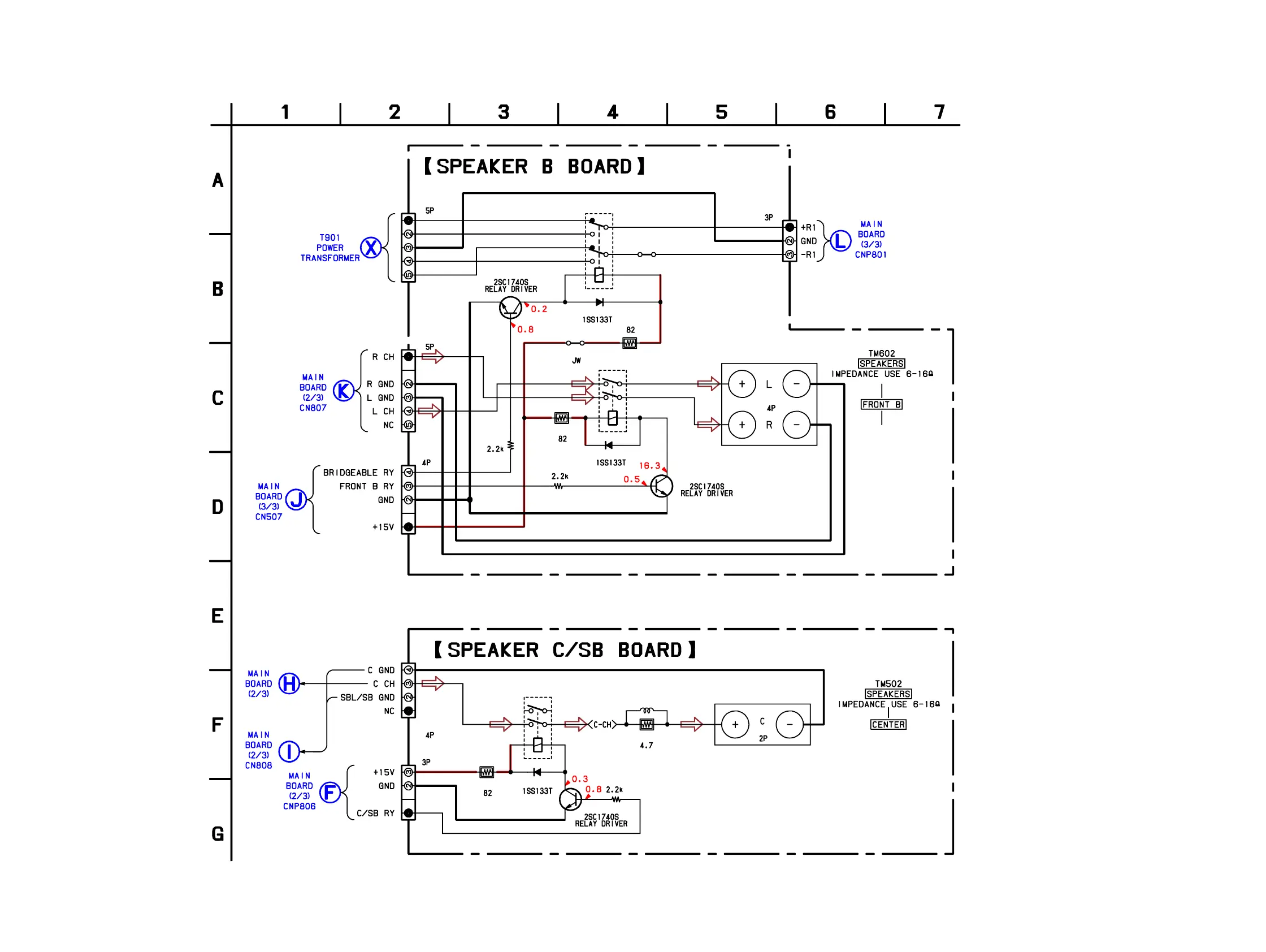
Sony STR-K7000 - Schematic Diagram - Front B;Center Speaker Section

Sony STR-K7000
72 pages
Print Icon
To Next Page IconTo Next Page
To Next Page IconTo Next Page
To Previous Page IconTo Previous Page
To Previous Page IconTo Previous Page
Loading...
STR-K7000
3232
STR-K7000
4-20. SCHEMATIC DIAGRAM — FRONT B/CENTER SPEAKER SECTION —
(Page 23)
(Page 23)
(Page 22)
D510
R531
L571
R578
R534
CNP503
CN502
Q550
TM502
RY501
TM602
R800
D800
Q800
D818
Q809
R824
R831
CNP808
CNP600
R812
CNP807
CNP601
RY801
RY600
JW786
R830
(Page 22)
(Page 22)
(Page 22)
(Page 43)

Table of Contents

Related product manuals