EasyManua.ls Logo

Sony STR-K7000 - Schematic Diagram - XM Section

Sony STR-K7000
72 pages
Print Icon
To Next Page IconTo Next Page
To Next Page IconTo Next Page
To Previous Page IconTo Previous Page
To Previous Page IconTo Previous Page
Loading...
STR-K7000
3838
STR-K7000
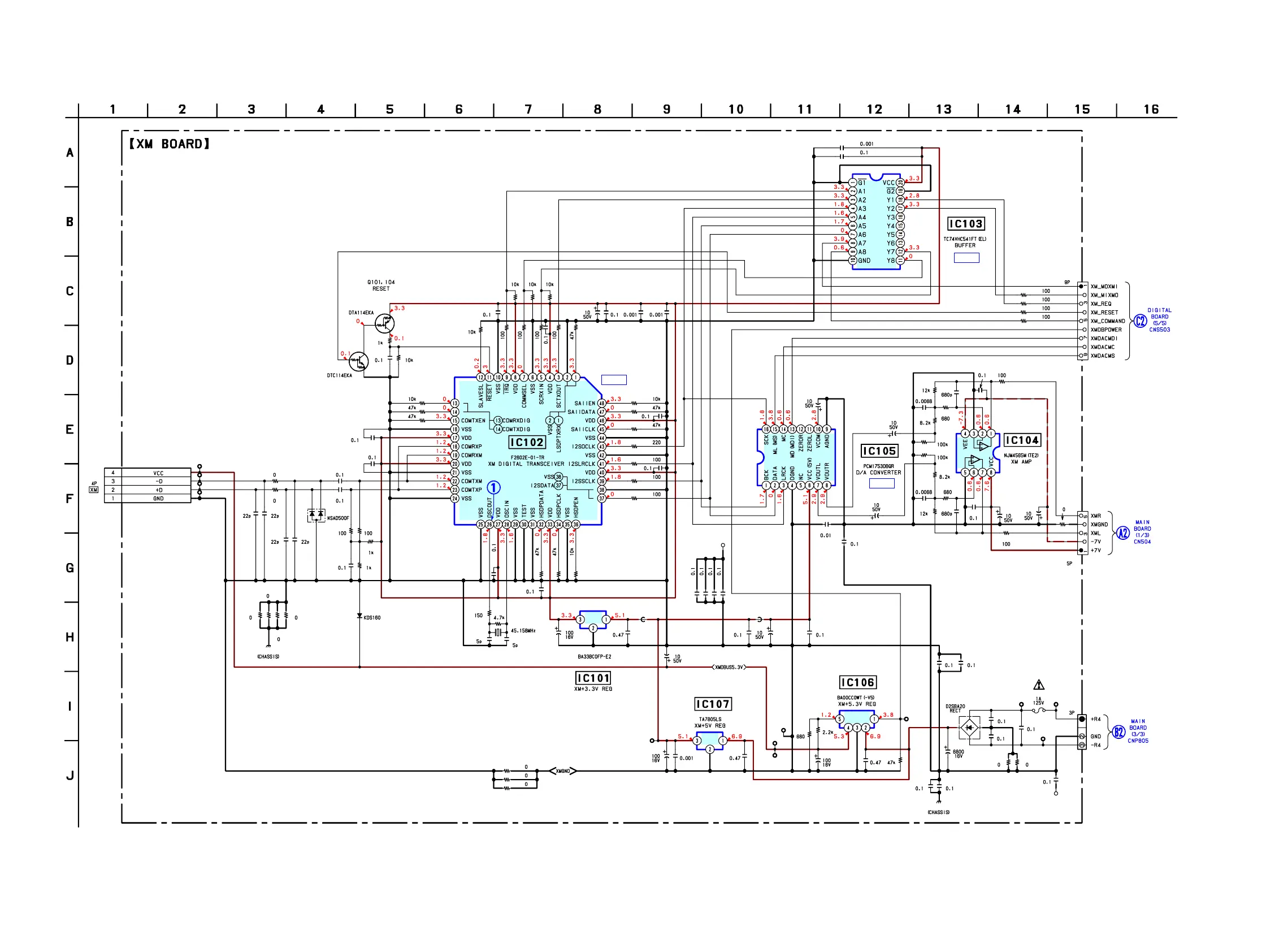
4-26. SCHEMATIC DIAGRAM — XM SECTION — • Refer to page 13 for Waveform and page 46 for IC Block Diagrams.
IC B/D
IC B/D
IC B/D
R127
J101
R105
R106
R107
R108
R115
R116
R117
R118
R119
R122
R124
R126
R128
R129
R130 R131
R132
R134
R138
R143
R144
R145
R146
R147
R166
R167
C103
C111
C119
C130
C136
C140
IC107
TP1
TP2
TP3
TP4
TP5
TP6
TP7
TP8
TP9
TP10 TP11
TP12
L102
L101
R121
R109
C144
R165
R120
R137
R123
R133
C109
R158
C163 C164
X101
C145
C146
C147
C148
C149
C113
C122
C125
C118
C120
C128
C129
CN102
C157
CN103
C151
C150
C152
C137
C139
C101
C102
C142
C143
C124
C116
C107C106C105
C104
C138
C108
R104
R112
C110
R111
R160
R164
R162
R163
C153
D103
C127
C126
D101
C134
C133
C132C131
C161
C160
C159
R152
R153
R154
R155
IC105
R156
CN101
IC103
Q104
Q101
R103R102R101
C121
C123
R125
C114
C112 C117
C115
EP101
IC101
EP102
R172 R173
F40
R168R169
C135
FB101
FB104
IC102
C165
C166
IC106
D104
C154
C158
IC104
C167
(Page 30)
(Page 21)
(Page 23)

Table of Contents

Related product manuals