EasyManua.ls Logo

Sony STR-K790 - Schematic Diagram - MAIN Board (2;4), STANDBY Board

Sony STR-K790
56 pages
Print Icon
To Next Page IconTo Next Page
To Next Page IconTo Next Page
To Previous Page IconTo Previous Page
To Previous Page IconTo Previous Page
Loading...
2828
STR-K790
STR-K790
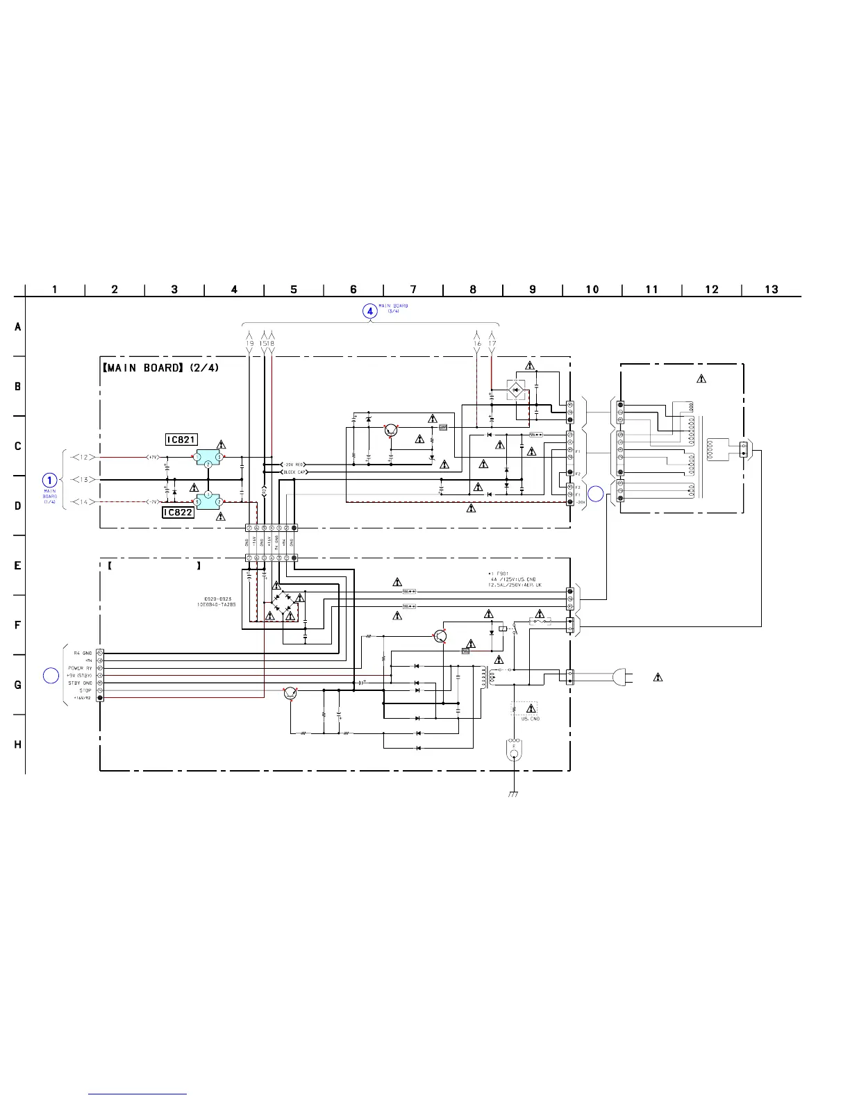
4-15. SCHEMATIC DIAGRAM – MAIN BOARD (2/4), STANDBY BOARD –
C
DIGITAL
BOARD
(4/5)
CNP505
(Page 21)
I
DISPLAY
BOARD
CN104
(Page 32)
(Page 29)
0
0.3
-37
14
0
0.8
-21.4
7
-14.4
-7
0.6
0
-21.8
AC IN
STANDBY BOARD
C813
C811
C824
IC821
D811
IC822
C822
C823
C806 C808
Q801
R804
R803
D801
D802
C807
D805
D807
D804
D806
C801
C802
R806
C821
Q901
R904
R903
D914
D915
C911
C912
C914
D913
D912
D911
D910
R900
No mark:FM
D901
CNP900
RY901
T902
CNP904
R810
C901
C902
R812
R905
R911
R912
R913
C913
JW901
FH902
F901
*1
FH952
C812
C814
CNP906
CNP916
CNP907
CNP801
D821
CNP902
R910
C803
T901
D920
D923
D922
D921
CNP903
G901
C916
Q911
CNP908
C915
47
25V
TA7807S
D5SBA20-4003
TA79007S
-7V REG
+7V REG
0.47
47
25V
47
35V
47
35V
2SB734-T-34
-20V REG
10k
4.7
HZS22-1LTA
HZ5.6BP-TK
47
35V
10EDB40-TA2B5
10EDB40-TA2B5
10EDB40-TA2B5
10EDB40-TA2B5
0.22
0.22
22k
0.47
2SC1740S-QRT
RELAY DRIVE
4.7k
47k
1SS133T-72
1SS133T-72
0.22
0.22
3300 16V
10EDB40-TA2B5
10EDB40-TA2B5
10EDB40-TA2B5
10EDB40-TA2B5
ISS133T-72
2P
POWER RELAY
2P
0.22
1/2W
0.22
0.22
0.22
1/2W
1
47k
33k
10k
0.47
50V
7P
7P
3P
AK04V1
5P
0.33
3300
16V
POWER
TRANSFORMER
3P
1000
25V
2SC1740S-QRT
AC DET
3P
2200
25V
4700
63V
0.22
3.3M
POWER
TRANSFORMER
0.22
4700
63V
3P
(CHASSIS)
(Page 27)

Related product manuals