EasyManua.ls Logo

Sony STR-K790 - Page 37

Sony STR-K790
56 pages
Print Icon
To Next Page IconTo Next Page
To Next Page IconTo Next Page
To Previous Page IconTo Previous Page
To Previous Page IconTo Previous Page
Loading...
37
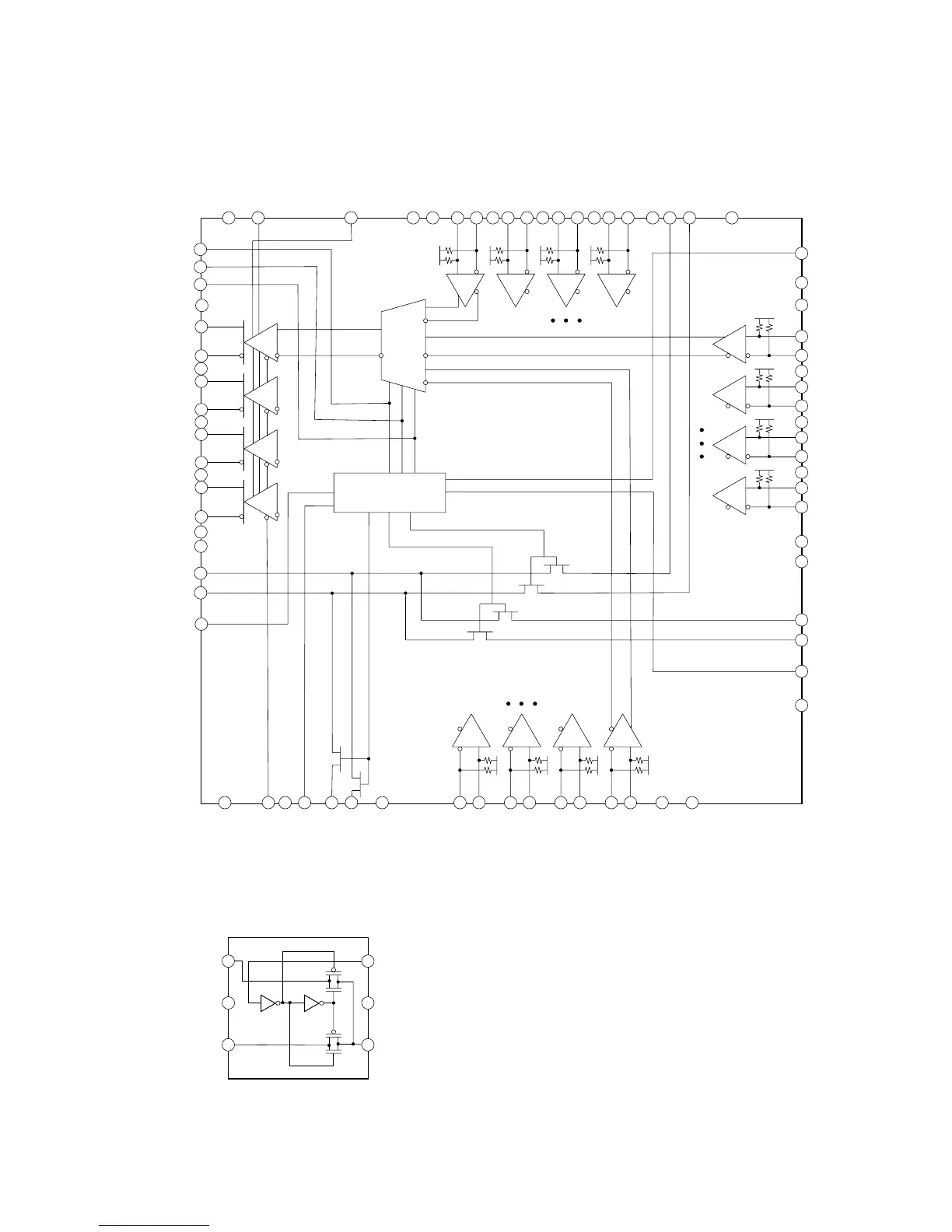
STR-K790
– HDMI SW Board –
IC5005 SN74LVC1G3157DCKR
1
2
3
6
5
4
B2
GND
B1
S
VCC
A
IC5001 TMDS341PFCR
SCL1
R
INT
V
CC
3
GND
4
GND
65
GND
66
GND
72
GND
78
GND
10
GND
24
GND
30
GND
36
GND
37
GND
47
GND
59
GND
16
VCC
7
VCC
61
VCC
69
VCC
75
VCC
79
VCC
13
VCC
27
VCC
33
VCC
43
VCC
17
SDA1
2
NC
1
NC
20
NC
41
NC
60
HPD1
80
B31
48
A31
49
HPD2
62
HPD3
44
SCL2
64
SDA2
63
SCL3
46
SDA3
45
Y4
25
VSADJ
18
PRE
19
Z4
Y3
Z3
26
S1
21
S2
22
S3
23
SCL_SINK
38
HPD_SINK
40
SDA_SINK
39
Control Logic
R
INT
V
CC
B32
51
A32
52
R
INT
V
CC
B33
54
A33
55
Rx w/
R
INT
V
CC
(3.3V)
EQ
Rx w/
EQ
Rx w/
EQ
Rx w/
EQ
B34
57
A34
58
Rx w/
R
INT
V
CC
EQ
B21
67
A21
68
Rx w/
R
INT
V
CC
EQ
B22
70
A22
71
Rx w/
R
INT
V
CC
EQ
B23
73
A23
74
Rx w/
R
INT
V
CC
(3.3V)
EQ
B24
76
A24
77
R
INT
V
CC
R
INT
V
CC
R
INT
V
CC
Rx w/
R
INT
V
CC
EQ
Rx w/
EQ
Rx w/
EQ
Rx w/
EQ
TMDS
Drive
B11
5
A11
6
B12
8
A12
9
B13
11
A13
12
(3.3V)
B14
14
A14
15
3-to-1 MUX
28
29
TMDS
Drive
Y2
Z2
31
32
TMDS
Drive
Y1
Z1
34
35
OEB
42
TMDS
Drive

Related product manuals