EasyManua.ls Logo

Sony STR-KM2 - IC Block Diagram: BD3470 KS2 (IC300); IC Block Diagram: STK350-630 TS-E (IC501;IC601;IC701;IC801)

Sony STR-KM2
82 pages
Print Icon
To Next Page IconTo Next Page
To Next Page IconTo Next Page
To Previous Page IconTo Previous Page
To Previous Page IconTo Previous Page
Loading...
STR-KM2/KM3
49
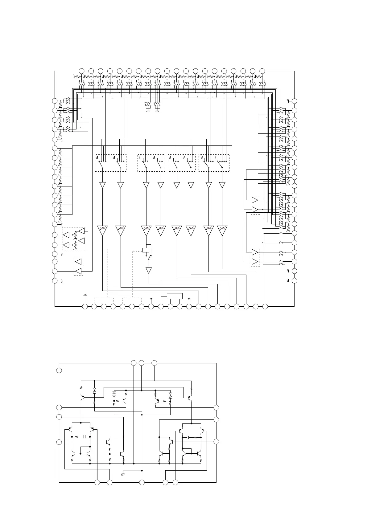
IC300 BD3470KS2 (MAIN BOARD (3/4))
INL2
INR2
INL1
INR1
AGND
SBLIN1
SBRIN1
SLIN1
SRIN1
CIN1
SWIN1
FLIN1
FRIN1
AGND
ADCR
ADCL
AGND
AGND
SUB1R
SUB1L
FRIN2
FLIN2
SWIN2
CIN2
AGND
SRIN2
SLIN2
SBRIN2
SBLIN2
RECR1
RECL1
RECR2
RECL2
AGND
RECR3
RECL3
RECR4
RECL4
AGND
AGND
INR3
INL3
INR4
INL4
INR5
INL5
INR6
INL6
INR7
INL7
INR8
INL8
INR9
INL9
INR10
INL10
INL11
INR11
INL12
INR12
HPFN
LPF01
LPF02
LPFN2
AGND
LPFN1
SWVOL
VCC
DGND
VEE
OUTFR
OUTFL
OUTSW
OUTC
OUTSR
OUTSL
OUTSBL
OUTSBR
MainL
MainR
Mode
selector
Mode
selector
Mode
selector
Logic
FR
Volume
FL
Volume
SW
Volume
C
Volume
SR
Volume
SL
Volume
SBR
Volume
SBL
Volume
Mode
selector
Sub2
Rec
Sub2
Main
Sub1
ADC
Main
Sub1
CL
DA
EQ
Multi1
Multi2
SubR1
SubR2
SubL1
SubL2
62
61
60 59 58 57 56 55 54 53 52 51 50 49 48 47 46 45 44 43 42 41
1 2 3 4 5 6 7 8 9 10 11 12 13 14 15 16 17 18 19 20
64
63
65
67
66
68
70
69
71
73
72
74
76
75
77
79
80
78
39
40
37
38
36
34
35
33
31
32
30
28
29
27
25
26
24
22
21
23
IC501 STK350-630TS-E (MAIN BOARD (1/4))
IC601, IC701 STK350-630TS-E (MAIN BOARD (2/4))
IC801 STK350-630TS-E (MAIN BOARD (1/4)) (KM3)
MUTE
+VOUT1
-VOUT2
COMP1
NF1
NF2
COMP2
-VOUT2
+VOUT1
VCC
VCC
VEE
IN1
IN2
GND
1
2
3
4
5 6 7 8 9
10
11
12
13
14
15

Table of Contents

Related product manuals