EasyManua.ls Logo

Sony STR-KM2 - Exploded View: Back Panel Section

Sony STR-KM2
82 pages
Print Icon
To Next Page IconTo Next Page
To Next Page IconTo Next Page
To Previous Page IconTo Previous Page
To Previous Page IconTo Previous Page
Loading...
60
STR-KM2/KM3
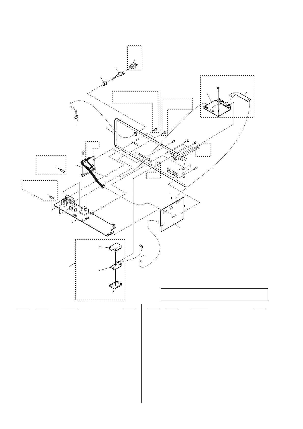
6-3. BACK PANEL SECTION
101 1-828-368-61 WIRE (FLAT TYPE) (21 CORE)
9
102 A-1846-040-A HDMI RE BOARD, COMPLETE (KM3)
103 A-2044-511-A DIGITAL AUDIO BOARD, COMPLETE (KM3)
103 A-2044-513-A DIGITAL AUDIO BOARD, COMPLETE (KM2)
104 1-828-310-61 WIRE (FLAT TYPE) (9 CORE)
105 A-1846-561-A TUNER1AMPR ASSY (EXCEPT MX)
105 A-1846-564-A TUNER1AMF ASSY (MX)
106 A-1852-373-A DCDC BOARD, COMPLETE
107 A-1852-100-A POWER AVIDEO BOARD, COMPLETE (KM3: SAF)
107 A-1852-109-A POWER AVIDEO BOARD, COMPLETE (TH, AUS)
107 A-1852-125-A POWER AVIDEO BOARD, COMPLETE (EA)
107 A-1852-233-A POWER AVIDEO BOARD, COMPLETE (KM3: E51)
107 A-1852-251-A POWER AVIDEO BOARD, COMPLETE (MX)
107 A-1852-264-A POWER AVIDEO BOARD, COMPLETE (KM3: AR)
107 A-1852-274-A POWER AVIDEO BOARD, COMPLETE (KM2: SAF)
107 A-1852-317-A POWER AVIDEO BOARD, COMPLETE (KM2: E51)
107 A-1852-339-A POWER AVIDEO BOARD, COMPLETE (KM2: AR)
107 A-1879-728-A POWER AVIDEO BOARD, COMPLETE (SP)
107 A-1887-724-A POWER AVIDEO BOARD, COMPLETE (RU)
0
108 4-966-267-12 BUSHING (FBS001), CORD
0
109 1-777-071-83 CORD, POWER (E51, SAF, RU, SP)
0
109 1-833-566-21 POWER-SUPPLY CORD (AUS)
0
109 1-834-288-21 POWER-SUPPLY CORD (TH)
0
109 1-835-078-31 CORD, POWER (EA)
0
109 1-837-312-11 CORD, POWER-SUPPLY (AR)
0
109 1-837-344-11 CORD, POWER-SUPPLY (MX)
0
110 1-785-504-21 ADAPTOR, CONVERSION (E51)
0
F901 1-532-465-32 FUSE (T3.15AL/250V) (EXCEPT RU, MX)
0
F902 1-532-505-32 FUSE (T5AL/250V) (E51, EA)
0
F902 1-532-506-32 FUSE (T6.3AL/250V) (MX)
#1 7-685-646-71 SCREW +BVTP 3X8 TYPE2 IT-3
#2 7-682-546-09 SCREW +B 3X5
Ref. No. Part No. Description Remark Ref. No. Part No. Description Remark
Note: If wire ( at type) is replaced, install it after bending
it in the same form as that before replacement.
Ver. 1.3
D
D
E
E
#1
#1
#2
#1
#1
#1
F901
not
supplied
not supplied
not supplied
not supplied
(TUNER1 board)
F902
#1
#1
#2
103
104
106
108
101
102
107
105
(E51, EA, MX)
(E51)
(KM2: E51)
(KM3: E51, EA)
(KM2: except E51)
(KM3: except E51, EA)
(except RU, MX)
(KM3)
(KM3)
(KM3)
(KM3)
109
110

Table of Contents

Related product manuals