EasyManua.ls Logo

Sony STR-V919 - Schematic Diagram - Video Section

Sony STR-V919
62 pages
Print Icon
To Next Page IconTo Next Page
To Next Page IconTo Next Page
To Previous Page IconTo Previous Page
To Previous Page IconTo Previous Page
Loading...
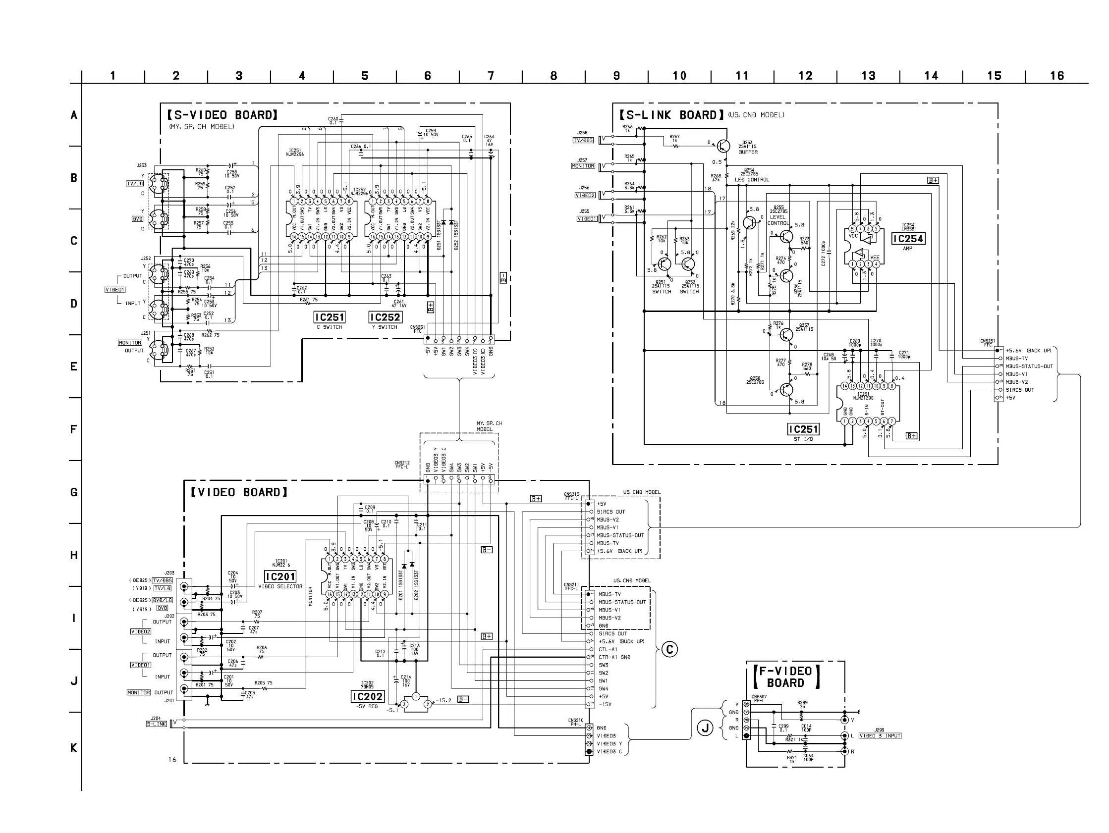
STR-DE925/V919
— 19 — — 20 —
3-7. SCHEMATIC DIAGRAM — VIDEO SECTION —
• See pages 61 for IC Block Diagrams.
(Page27)
(Page31)