EasyManua.ls Logo

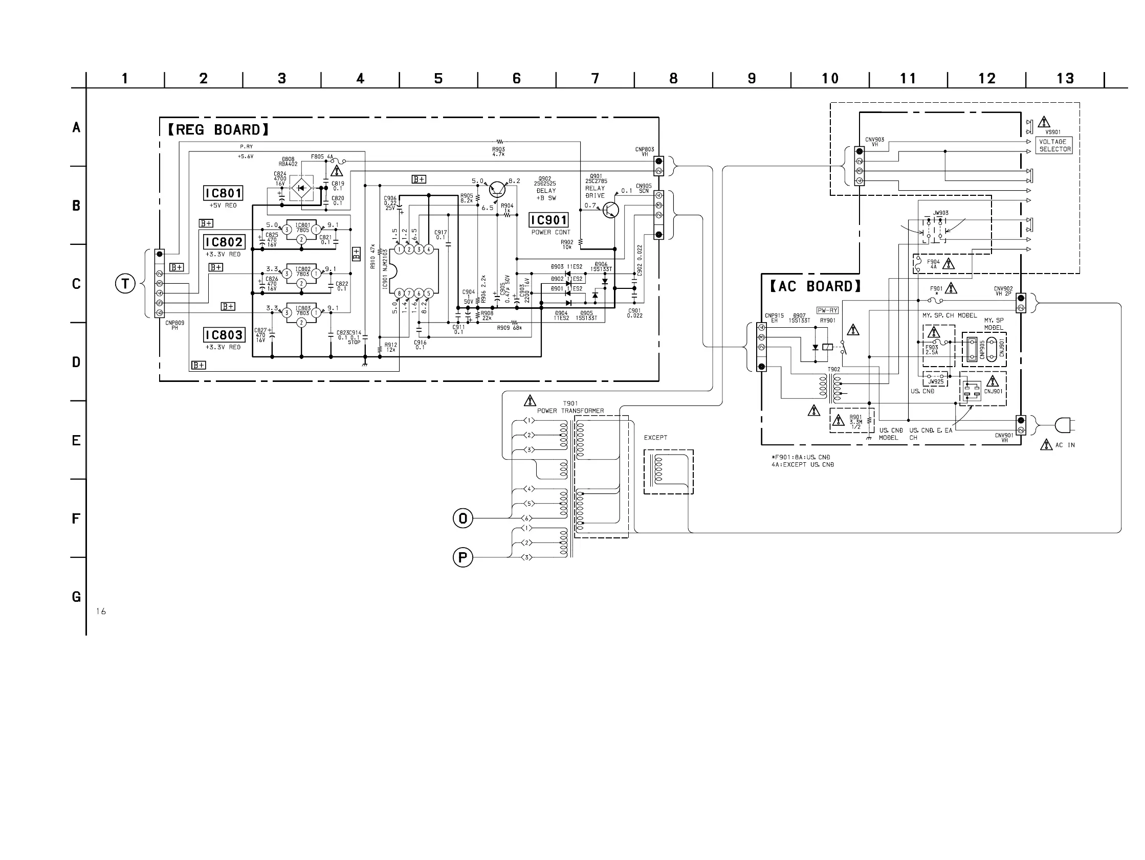
Sony STR-V919 - Schematic Diagram - Power Section

Sony STR-V919
62 pages
Print Icon
To Next Page IconTo Next Page
To Next Page IconTo Next Page
To Previous Page IconTo Previous Page
To Previous Page IconTo Previous Page
Loading...
STR-DE925/V919
— 39 —
— 40 —
3-17. SCHEMATIC DIAGRAM — POWER SECTION —
• See page 61 for IC Block Diagrams.
(Page16)
(Page16)
(Page49)
E, EA, PX MODEL
E, EA, PX MODEL
E, EA, PX MODEL
, PX MODEL
E, EA, PX
MODEL
EXCEPT
E, EA, PX
MODEL
E, EA, PX MODEL

Related product manuals