EasyManua.ls Logo

Sony STR-W555 - Schematic Diagram - Power Amp Section

Sony STR-W555
62 pages
Print Icon
To Next Page IconTo Next Page
To Next Page IconTo Next Page
To Previous Page IconTo Previous Page
To Previous Page IconTo Previous Page
Loading...
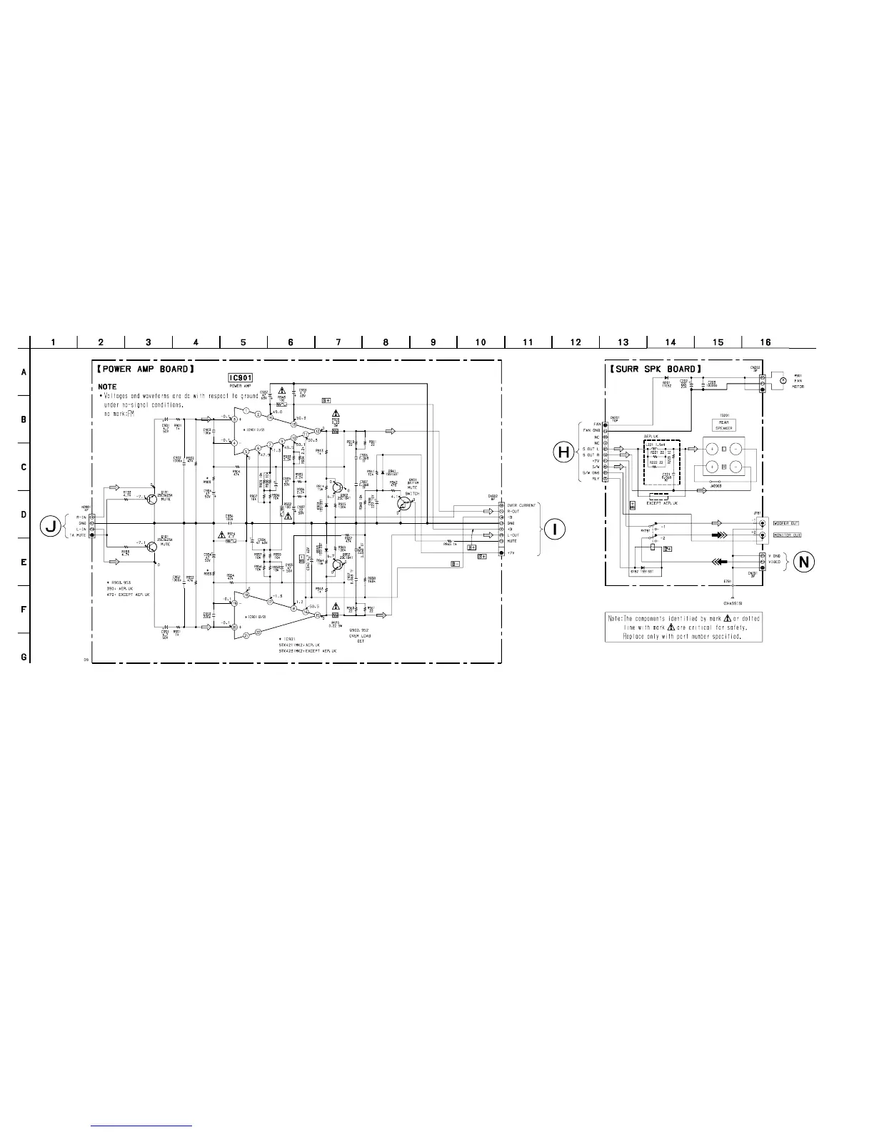
5-12. SCHEMATIC DIAGRAM – POWER AMP SECTION –
– 37 – – 38 –
STR-W555
(Page 34)
(Page 34)
(Page 34)
(Page 35)

Related product manuals