EasyManua.ls Logo

Sony Trinitron CPD-E530 - Harness Location

Sony Trinitron CPD-E530
86 pages
Print Icon
To Next Page IconTo Next Page
To Next Page IconTo Next Page
To Previous Page IconTo Previous Page
To Previous Page IconTo Previous Page
Loading...
CPD-E530 (E) 1-9
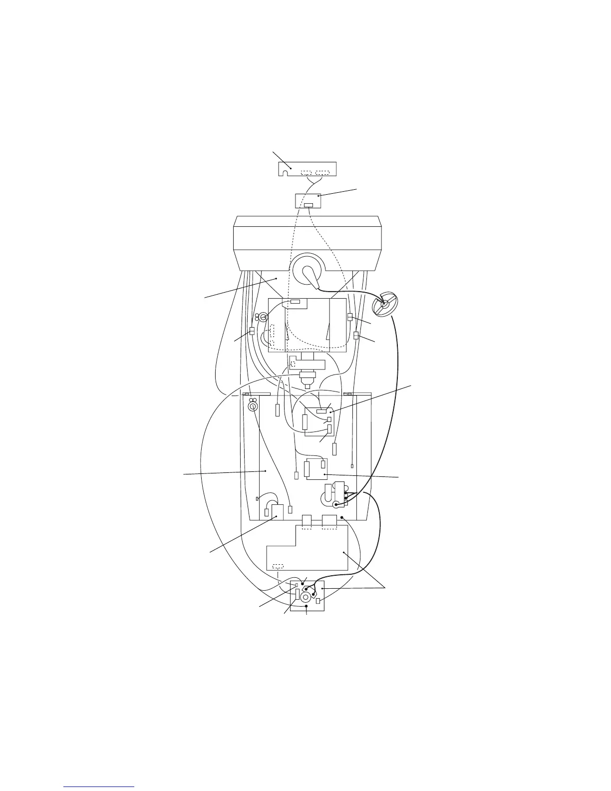
1-8. HARNESS LOCATION
CN602
CN601
CN604 CN1102
CN312 CN311
CN318
CN319
CN320
CN316
CN315
CN303
CN1103
CN1400
CN1500
CN1401
CN701
CN501
CN1601
CN1600
CN1602
CN2
CN1
CN1
5P
CN3
CN1003
CN904
4P
4P
D board
A1 board
N board
L2 board
Magnetic sensor
H1 board
Picture tube
AC inlet (3P)

Other manuals for Sony Trinitron CPD-E530

Related product manuals