EasyManua.ls Logo

Sony Trinitron CPD-E530 - Schematic Diagrams of D (A, B, C) Board

Sony Trinitron CPD-E530
86 pages
Print Icon
To Next Page IconTo Next Page
To Next Page IconTo Next Page
To Previous Page IconTo Previous Page
To Previous Page IconTo Previous Page
Loading...
CPD-E530 (E) 4-10
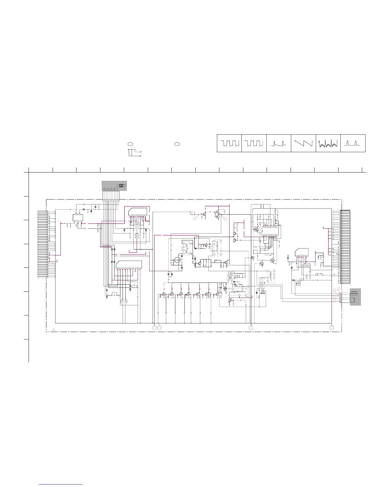
(2) Schematic Diagrams of D (a, b, c) Board
Divided circuit diagram
One sheet of D board circuit diagram is divided into three sheets,
each having the code D-a to D-c. For example, the destination
ab1 on the code D-a sheet is connected to ab1 on the D-b sheet.
a b 1
Ref. No.
Circuit diagram division code
0.71 Vp-p (H)
1
11.3 Vp-p (H)
2
1.7 Vp-p (V)
3
59.5 Vp-p (V)
4
180 Vp-p (H)
5
640 Vp-p (H)
6
• D-a BOARD WAVEFORMS
123456
7
8 9 10 11 12 13
14
A
B
C
D
E
F
G
H
3
4
5
6
1
2
0.21.2
1.2
1.5
1.5
1.5
1.5
1.5
1.5
0.2
0.2
0
0.8
0.8
0.8
0.8
-0.1
4.8
0.3
6.1
6.1
6.1
-0.2
-10.4
217.4
66.6
66.7
-1.3
-0.7
0.2
0.2
24.2
0.2
24.2
0.2
24.8
0.2
24.8
0.2
24.8
0.2
12.8
26.5
4.9
0
0.4
0.9
10.1
9.8
0.2
5.6
2.6
3.7
9
0.5
3.2
3.8
3.2
10.1
8
3
4.7
4.7
0-0.6
15.1
-14.4
0.7
0.7
10µH
H100
2
4
5
6
10
1
9
1 2 3 4 5 6 7 8 9 10
1 2 3 4 5 6 7 8 9
101112131415161718
S
1 8
4 5
3
2
1
2
3
4
5
6
7
8
9
10
1 2 3 4 5 6 7 8 9 10
1
2
3
4
5
6
7
8
9
10
11
12
13
14
15
16
17
18
19
20
21
22
23
24
25
26
27
28
+12V
29
30
31
32
33
34
35
36
37
38
39
40
S
1 5
2 3
4
SS
1
2
3
4
5
SSSS
1
2
3
4
5
6
1
2
5
6
9
7
12
4 5 6 7 1 2 3
1
2
4 5
6
7
1
2
3
4
5
6
7
8
9
10
11
12
13
14
15
16
17
18
19
20
21
22
23
24
25
26
27
28
29
30
31
32
33
34
35
36
37
38
39
40
41
42
43
44
D503
D501
CN502
CN1104
S501
(RASTER CENTER TAP SWITCH)
C537
D506
C401
C403
C404
C406
C407
C408
C500
C502
C503
C504
C505
C509
C510
C512
C513
C514
C515
C516
C522
C524
C533
C535
C536
C548
C554
C559
C562
C701
C703
C704
C705
C706
C707
C708
C713 C714
C718
C719
C726
C727
C730
C734
C736
C737
C738
CN501
TO N BOARD
CN1001
CN701
D405
D505
D509
D512
D516
D518
D519
D520
D521
FB501
IC501
IC701
IC703
L501
L508
L510
Q501
Q502
Q503
Q504
Q507
R401
R402
R403
R404
R405
R406
R407
R409
R410
R501
R502
R503
R504
R505
R506
R507
R508
R509
R511
R512
R513
R514
R515
R516
R517
R518
R519
R520
R521
R522
R528
R532
R533
R534
R536
R541
R550
R553
R555
R557
R559
R561
R566
R567
R575
R580
R588
R589
R590
R591
R592
R594
R596
R700
R701
R703
R706
R707
R709
R710
R711
R712
R713
R716
R717
R719
R721
R724
R725
R726
R727
R728
R729
R731
R732
R733
R734
R735
R737
R738
R754
R755
R758
R759
T504
C402
C405
C506
C507
C508
C517
C519
C520
C521
C525
C534
C538
C539
C540
C541
C542
C543
C544
C545
C546
C547
C549
C550
C563
C564
C711
C712
D401
D502
D504
IC401
L502
L504
L505
L506
L509
Q505
Q506
Q508
Q509
Q510
Q511
Q512
Q513
Q514
Q515
Q516
R408
R412
R510
R523
R524
R525
R526
R527
R530
R531
R537
R542
R546
R547
R548
R549
R552
R563
R564
R565
R568
R570
R571
R572
R573
R574
R578
R584
R585
R586
R593
R598
R599
R718
R722
T501
T503
TH401
HZS182-TE
HZS182-TE
40P
44P
HZS5B2-TE
470
25V
220
470
25V
2200p
:PT
2200p
B:CHIP
5p
CH:CHIP
220p
CH:CHIP
0.01
:PT
0.1
:PT
0.0047 :PT
220
35V
100p
2kV
SL
0.0022
100V
:PT
25V
25V
C511
0.1
F:CHIP
470p
B:CHIP
0.1
25V
F:CHIP
0.0047
:PT
0.01
B:CHIP
220
16V
22
470
25V
4700p
B:CHIP
0.1 25V B:CHIP
0.47
400V
0.01
B:CHIP
1000p
B:CHIP
0.1
25V
F:CHIP
1000p
B:CHIP
25V
C565
0.1
B:CHIP
330p
B:CHIP
330p
B:CHIP
0.01
:PT
0.1
25V
B:CHIP
0.01
:PT
220
25V
220
25V
0.01
B:CHIP
0.01
B:CHIP
0.1
25V
F:CHIP
0.1
25V
F:CHIP
0.1
25V
F:CHIP
0.1
25V
F:CHIP
1000p
B:CHIP
0.1
B:CHIP
47
47
0.22
:MPS
6P
WHT
:VH
10P
WHT
:S-MICRO
RD5.1ES-T1B2
D2L40-TA
MA111-TX
1SS119-25TD
D1NL40-TA
RB441Q-40T-77
UDZS-TE17-5.1B
1SS119
1SS119
1.1µH
BA9759F-E2
PWM CONT
LA6510
AMP
LA6500-FA
ROTATION
DRIVE
:HOC
2SC1623-T1-L5L6
KTC3876S
KTA1505S
2SK2231
H DRIVE
2SC2412K
BUFF
1.5
:FPRD
470
1W
:RS
1.5
1/2W
:RN
15k
:RN
1.5
1/2W
:RN
18k
:RN
B-SS3602<AEP>-D..-P1-EPS05
10k
:CHIP
15k
:RN-CP
18k
:RN-CP
1k
:CHIP
100
:CHIP
220
:CHIP
10k
:CHIP
22k
:CHIP
10
22k
47
1W
:RS
1
:FPRD
22k
:RN-CP
2.2k
:CHIP
27
1W
:RS
22
:FPRD
FB555
0
:CHIP
4.7k
4.7k
:CHIP
47k
:CHIP
220
:CHIP
330
:CHIP
220
:CHIP
100
1k
:CHIP
22k
:RN
22k
:CHIP
18k
:RN-CP
2.2k
:CHIP
100
1W
:RS
47k
:CHIP
47k
47k
47k
47k
47k
47k
100
:CHIP
100
:CHIP
470
:CHIP
470
1/4W
:FPRD
4.7k
:CHIP
4.7k
:CHIP
4.7k
:CHIP
4.7k
4.7k
4.7k
:CHIP
100
82k
:CHIP
2.2
2.2
150
2W
:RS
82k
4.7k
:CHIP
8.2k
:RN-CP
9.1k
:RN-CP
4.7k
150
2W
:RS
2.2
:FPRD
2.2
:FPRD
2.2
2W
:RS
10k
:RN-CP
10k
:RN-CP
2.2
2W
:RS
8.2k
:RN-CP
8.2k
:RN-CP
10k
:RN-CP
8.2k
:RN-CP
22k
:CHIP
1.5
:FPRD
22
1W
:RS
220
1W
:RS
4.7k
:CHIP
2.7k
:CHIP
6.8k
:CHIP
10k
:RN-CP
8.2k
:RN-CP
2.2
:FPRD
2.2
:FPRD
:HST
+15V
-15V
-15V
+15V
+B
+15V
-15V
+15V
2
1
2
1
52
21
53
2
1
2
1
2
1
YSC
XSC
YDC
S1
S2
S3
V.FBP
DCC2
S0
S1
S2
S3
S4
S5
S6
HSP
VSAWN
HD
XDC
REFDC
PWR SW1
D.TILT
H.DF
V.DF
POC
+3.3V
PLL
LOCK
VSAWN
VS OUT
DCC2
HS OUT
H BLK
IIC SCL
IIC SDA
GYSC
GXSC
YDC
XDC
YSC
XSC
H.LIN BAL
REFDC
HFBP
D.TILT
IIC SDA
TXD
IIC SCL
RXD
ECO SW
HV DET
ABL DET
HTR SW
PWR SW
DGS SW
V.FBP
LED2
LB DET
LED1
KEY SCAN
WAKE UP
POC
INPUT
HSP
HD
LCC NS
HSW
HSW
S6
H LIN BAL
HFBP
S6
S5
S4
DDC SDA1
DDC SCL1
G2
DDC GND1
DDC SDA2
DDC SCL2
DDC GND2
PLL LOCK
JW(5)
*
IOUTA
OUTA
INA-
INA+
VEE
INB+
INB-
OUTB
IOUTB
VCC
OUT B(Y)
-IN B(Y)
+IN B(Y)
-IN A(X)
OUT A(X)
VEE
VCC
GND
STBY
+IN A(X)
PVCC
PWMOUT
PGND
SLOW SW
VREG9
SAWR
SAWOUT
SGND
HDIN
NC
MIX+
MIX-
MIXOUT
VCC
REFIN
ERRIN
NC
ERROUT
ROTATION-
ROTATION
0
ROTATION+
H.DF
V.DF
A.GND
A.GND
POC
PLL LOCK
VSAWN
VS OUT
DCC2
HS OUT
H BLK
NC
H.LINBAL
A.GND
A.GND
IIC SDA
IIC SCL
HSHAPE
D.GND
YSC
GXSC
NC
D.GND
GYSC
3.3V
A.GND
+12V
+12V
REFDC
HD OUT
YDC
HFBP
XDC
D.TILT
XSC
TO DA BOARD
CN1101
IIC SDA
TXD
IIC SCL
RXD
ECO SW
HV DET
ABL DET
GND
GND
S0
GND
HTR SW
PWR SW
DGS SW
S1
+5V
INPUT SW
V.FBP
LED2
LB DET
LED1
IK SIGMA
KEY SCAN
GND
PLL LOCK
POC
NC
NC
NC
S7
NC
G2
S6
S5
S4
S3
S2
GND
LCC NS
HSAW_SW
WAKE UP
V+
H DY
V DY
V-
NC
H-
NC
H+
DDC SDA1
DDC SCL1
DDC GND1
DDC SDA2
DDC SCL2
DDC GND2
YDC+
YDC-
XDC+
XDC-
YSC+
YSC-
XSC+
XSC-
A.GND
A.GND
100V
:PT
B:CHIP
250V
CH:CHIP
B:CHIP
B:CHIP
B:CHIP
0.1
F:CHIP
250V
25V
250V
:PP
250V
:PP
250V
:PP
:PP
B:CHIP
B:CHIP
CH:CHIP
CH:CHIP
EGP10GPKG23
KTC3876S
KTA1505S
:CHIP
:RN-CP
:RN-CP
:RN-CP
:RN-CP
:RN-CP
:RN-CP
:RN-CP
1/2W
:RN
:RN
:CHIP
:CHIP
:CHIP
:CHIP
1/2W
:RN
1/2W
:RN
:CHIP
:CHIP
:CHIP
:CHIP
3W
:RS
3W
:RS
3W
:RS
:RN-CP
330
330
100V
:PT
B:CHIP
250V
CH:CHIP
B:CHIP
B:CHIP
B:CHIP
0.1
F:CHIP
250V
25V
250V
:PP
250V
:PP
250V
:PP
:PP
B:CHIP
B:CHIP
CH:CHIP
CH:CHIP
:CHIP
:RN-CP
:RN-CP
:RN-CP
:RN-CP
:RN-CP
:RN-CP
:RN-CP
:RN
:CHIP
:CHIP
:CHIP
:CHIP
:CHIP
:CHIP
:CHIP
:CHIP
3W
:RS
3W
:RS
3W
:RS
:RN-CP
330
330
100V
:PT
B:CHIP
250V
CH:CHIP
B:CHIP
B:CHIP
B:CHIP
0.1
B:CHIP
250V
25V
250V
:PP
250V
:PP
250V
:PP
B:CHIP
B:CHIP
CH:CHIP
CH:CHIP
:CHIP
:RN-CP
:RN-CP
:RN-CP
:RN-CP
:RN-CP
:RN-CP
:RN-CP
:RN
:CHIP
:CHIP
:CHIP
:CHIP
:CHIP
:CHIP
:CHIP
:CHIP
3W
:RS
3W
:RS
3W
:RS
:RN-CP
330
1W
:RS
330
1W
:RS
100V
:PT
B:CHIP
250V
CH:CHIP
B:CHIP
B:CHIP
B:CHIP
0.1
B:CHIP
250V
25V
250V
:PP
250V
:PP
250V
:PP
B:CHIP
B:CHIP
CH:CHIP
CH:CHIP
:CHIP
:RN-CP
:RN-CP
:RN-CP
:RN-CP
:RN-CP
:RN-CP
:RN-CP
:RN
:CHIP
:CHIP
:CHIP
:CHIP
:CHIP
:CHIP
:CHIP
:CHIP
3W
:RS
3W
:RS
3W
:RS
:RN-CP
330
1W
:RS
330
1W
:RS
100V
:PT
B:CHIP
250V
CH:CHIP
B:CHIP
B:CHIP
B:CHIP
0.1
F:CHIP
250V
25V
250V
:PP
250V
:PP
250V
:PP
:PP
B:CHIP
B:CHIP
CH:CHIP
CH:CHIP
STV9379A
V OUT
:CHIP
:RN-CP
:RN-CP
:RN-CP
:RN-CP
:RN-CP
:RN-CP
:RN-CP
:RN
:CHIP
:CHIP
:CHIP
:CHIP
:CHIP
:CHIP
:CHIP
:CHIP
3W
:RS
3W
:RS
3W
:RS
:RN-CP
330
330
100V
:PT
B:CHIP
250V
:MPS
CH:CHIP
B:CHIP
B:CHIP
B:CHIP
0.1
F:CHIP
250V
25V
250V
:PP
250V
:PP
250V
:PP
:PP
B:CHIP
B:CHIP
CH:CHIP
CH:CHIP
:CHIP
:RN-CP
:RN-CP
:RN-CP
:RN-CP
:RN-CP
:RN-CP
:RN-CP
:RN
:CHIP
:CHIP
:CHIP
:CHIP
:CHIP
:CHIP
:CHIP
:CHIP
3W
:RS
3W
:RS
3W
:RS
:RN-CP
330
330
100V
:PT
B:CHIP
250V
CH:CHIP
B:CHIP
B:CHIP
B:CHIP
0.1
B:CHIP
250V
250V
:PP
1
250V
:PP
250V
:PP
:PP
B:CHIP
B:CHIP
CH:CHIP
CH:CHIP
:CHIP
:RN-CP
:RN-CP
:RN-CP
:RN-CP
:RN-CP
:RN-CP
:RN-CP
:RN
:CHIP
:CHIP
:CHIP
:CHIP
:CHIP
:CHIP
:CHIP
:CHIP
3W
:RS
3W
:RS
3W
:RS
:RN-CP
1W
:RS
330
1W
:RS
0.082
250V
:PP
:LCT
0.13
FS30KMJ
FS10KMJ
2200p
2kV
0.47
100V
:PT
1000p
B:CHIP
22
250V
0.047
400V
3300p
1.8kV
:PP
470p
CH:CHIP
4700p
B:CHIP
0.015
B:CHIP
0.01
B:CHIP
0.1
B:CHIP
PINDRIVE
PINDRIVE
0.01
B:CHIP
4.7
250V
1.2
47
25V
0.82
250V
:PP
F:CHIP
0.39
250V
:PP
0.47
F:CHIP
0.18
250V
:PP
0.22
25V 16V 16V
F:CHIP
0.033
400V
0.01
B:CHIP
0.01
B:CHIP
33p
CH:CHIP
33p
CH:CHIP
D5SC4M-F
FMQ-G5GS
AMP
IC702
STK391-220
:HLC
4.7mH
4.7mH
2.2mH
:HCC
2SC5570
H OUT
2SJ569LS-CC11
PIN OUT
2SC3371A
H LIN BAL SW
FS30KMJ
FS30KMJ
FS10KMJ
FS10KMJ
S CAP CHANGE S CAP CHANGE
S CAP CHANGE
S CAP CHANGE
S CAP CHANGE
S CAP CHANGE
100k
:CHIP
2.2
10W
:RN
27k
:RN-CP
3.3k
:RN-CP
1.8k
:RN-CP
47k
:RN-CP
22k
:RN-CP
R577
1000p
B:CHIP
3k
:RN-CP
2.7k
:RN-CP
2.2k
:RN-CP
120
2W
39
:RN
100
47
47k
100
:CHIP
1k
:CHIP
100
:CHIP
100
:CHIP
120
120
100
:CHIP
2.2k
:CHIP
0
:CHIP
1k
:CHIP
47
3W
:RS
0.22
3W
:RS
47
3W
:RS
10k
:CHIP
3.9k
:RN-CP
100k
:RN-CP
1W
:RS
330
1W
:RS
:HDT
D
-a(DEFLECTION)
OUT
VEE+
-
VCC
+12V
+15V
H DRIVE BUFF
H DRIVE BUFF
H DRIVE BUFF
+15V
-15V
+15V
+5V
+5V
VCC-+OVEE
-15V+15V
+3.3V
µ
S
R581
C560
C561
Q517
R583
47k
S1
:PP
B:CHIP
:CHIP
:PP
B:CHIP
:CHIP
B:CHIP
:CHIP
B:CHIP
:CHIP
:PP
B:CHIP
:CHIP
:PP
B:CHIP
:CHIP
:PP
B:CHIP
:CHIP
0.018
400V
0.01
B:CHIP
FS10KMJ
S CAP CHANGE
100
:CHIP
C732
C733
D705
D706
R756
R757
B:CHIP
10V
:CHIP
B:CHIP
10V
:CHIP
B:CHIP
10V
:CHIP
B:CHIP
10V
:CHIP
0.01
B:CHIP
2200
10V
MA111-TX
UDZS-TE17-5.1B
2.2k
10k
:CHIP
D406
RB441Q-40T-77
C566
0.1
B:CHIPB:CHIP
25V
B:CHIP
R545
:CHIP:CHIP
2.2k
:CHIP
Q519
Q521
Q523
Q524
R579
2SA1037AK
SIZE DETECT BUFF
DTC124EKA-T146
H-SAW SW
DTA124EKA-T146
H-SIZE FILTER SW
DTC124EKA-T146
1k B:CHIP
H-SIZE FILTER SW
ac1
ac2
ab1
ab2
D510
11DF2N
D517
11DF2N
470 :RS
1/2W
:FPRD
2
1
400V
:PP
250V
:PP
1/2W
:FPRD

Other manuals for Sony Trinitron CPD-E530

Related product manuals