EasyManua.ls Logo

Sony Trinitron PVM-5041Q - P Board Removal; Rear Assy Removal

Sony Trinitron PVM-5041Q
112 pages
Print Icon
To Next Page IconTo Next Page
To Next Page IconTo Next Page
To Previous Page IconTo Previous Page
To Previous Page IconTo Previous Page
Loading...
'VM-6041OM I
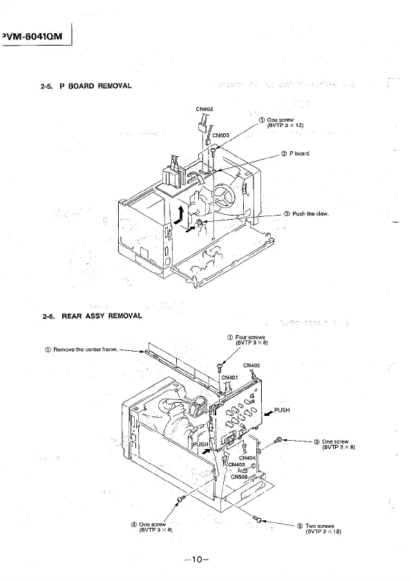
2-5. P BOARD REMOVAL
2-6. REAR ASSY REMOVAL
-10-
(D One screw
(BVTP3 X 12}
@ Pboard
@ Push the claw.

Related product manuals