EasyManua.ls Logo

Sony Trinitron PVM-5041Q - Block Diagram (1)

Sony Trinitron PVM-5041Q
112 pages
Print Icon
To Next Page IconTo Next Page
To Next Page IconTo Next Page
To Previous Page IconTo Previous Page
To Previous Page IconTo Previous Page
Loading...
PVM-6041OM I
I PVM-6041OM
PVM-6041(
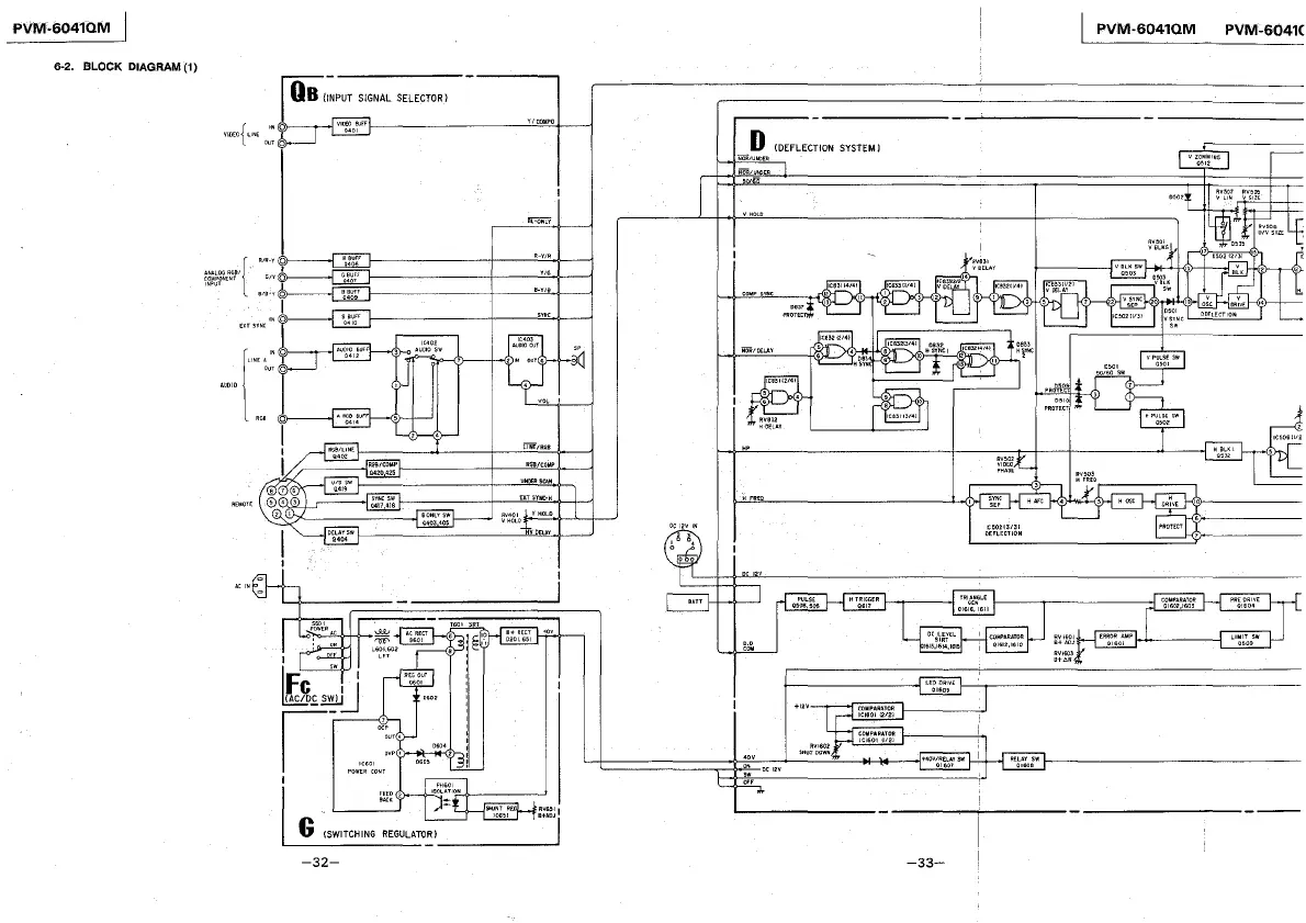
6-2. BLOCK DIAGRAM (1)
I OB l:PUT SIGNAL SELECTOR 1
VID(O{LJNE >N O Vl~~O~UFF}------------~='t------j
OuT Q
(SWITCHING REGULATOR)
-32-
-33-

Related product manuals