EasyManua.ls Logo

Sony Trinitron PVM-5041Q - Page 41

Sony Trinitron PVM-5041Q
112 pages
Print Icon
To Next Page IconTo Next Page
To Next Page IconTo Next Page
To Previous Page IconTo Previous Page
To Previous Page IconTo Previous Page
Loading...
I PVM-6041QM
PVM-6041QM
I
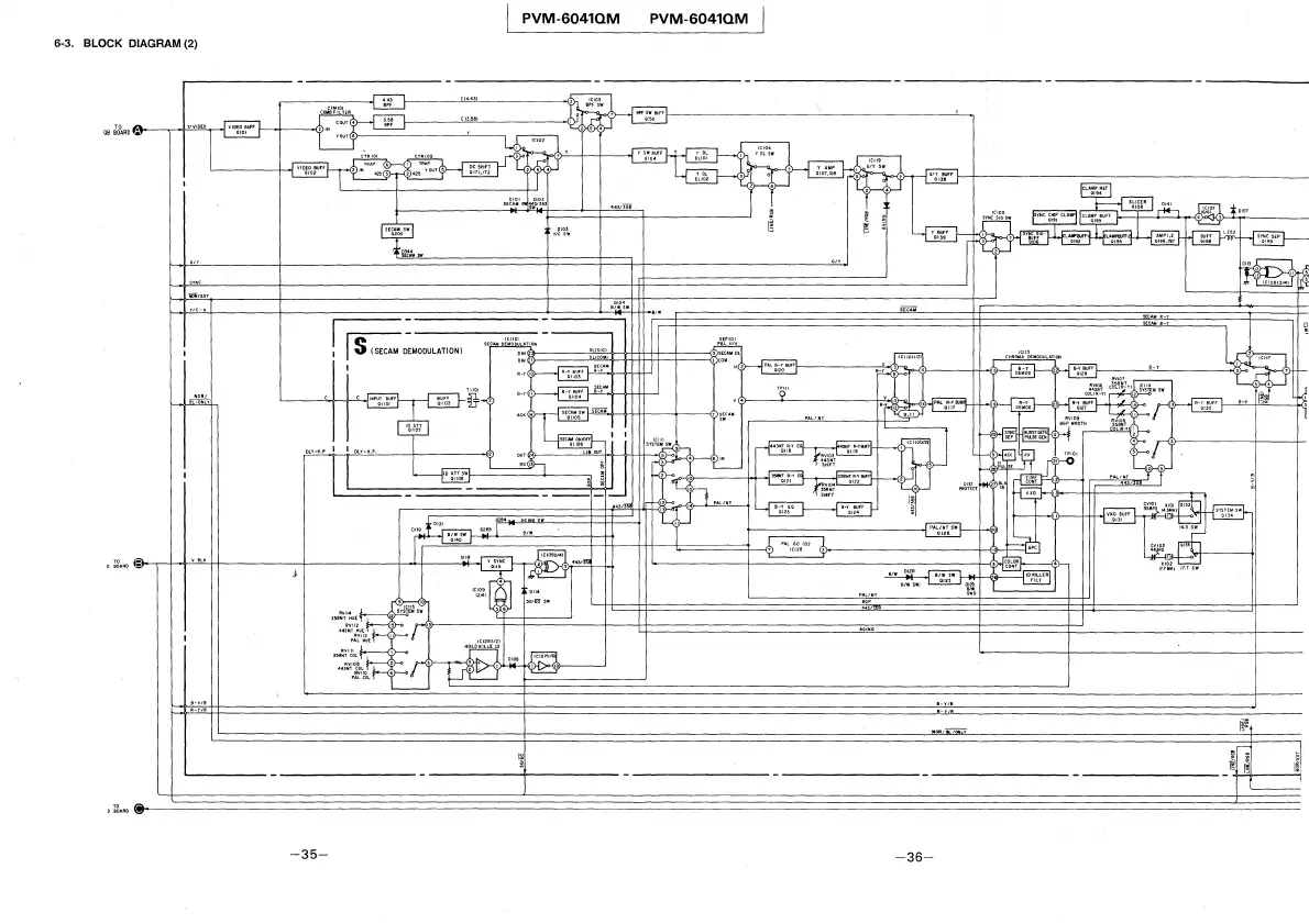
6-3. BLOCK DIAGRAM (2)
-35-
-36-

Related product manuals