EasyManua.ls Logo

Sony Trinitron PVM-5041Q - Page 43

Sony Trinitron PVM-5041Q
112 pages
Print Icon
To Next Page IconTo Next Page
To Next Page IconTo Next Page
To Previous Page IconTo Previous Page
To Previous Page IconTo Previous Page
Loading...
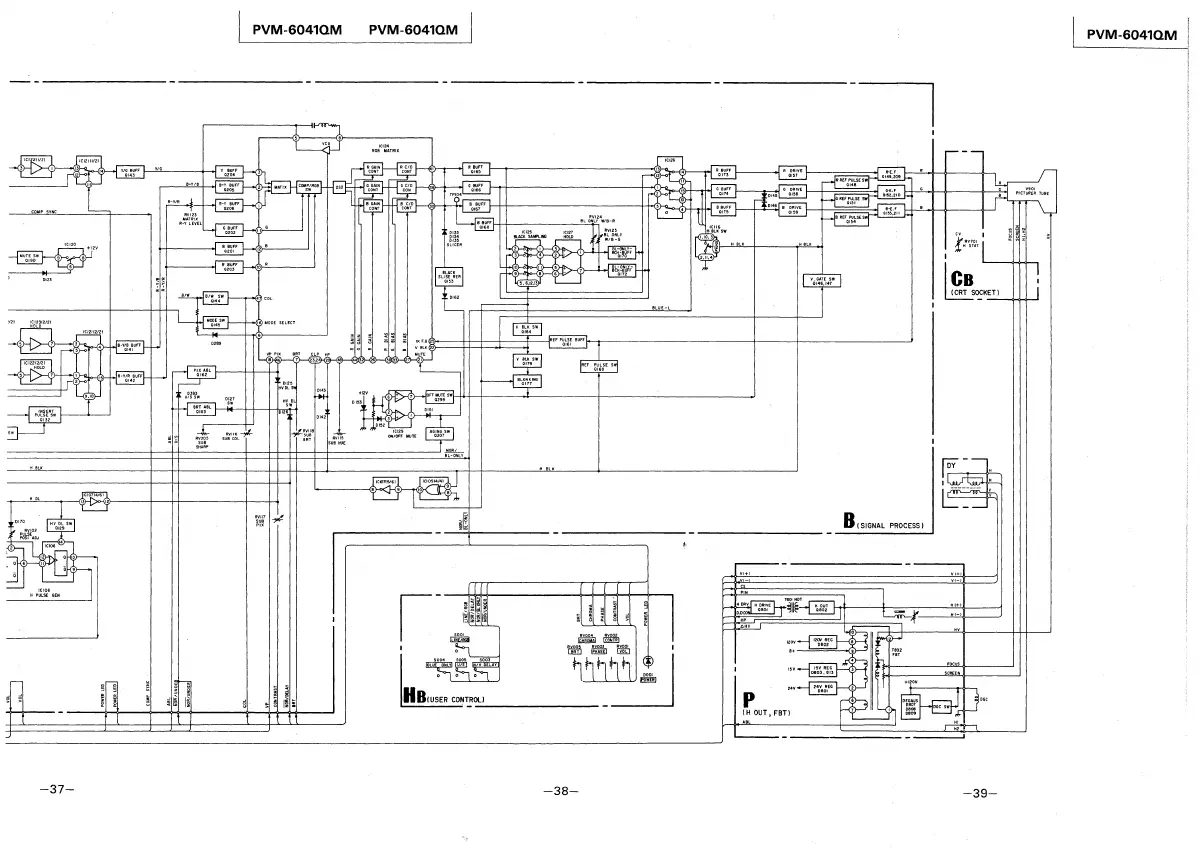
I PVM-6041QM PVM-6041QM I
I PVM-6041QM
~T
' ""
B(SIGNAL PROCESS)
-37-
-38-
-39-

Related product manuals