EasyManua.ls Logo

Sony UP-DF550 - Menu Flow

Sony UP-DF550
58 pages
Print Icon
To Next Page IconTo Next Page
To Next Page IconTo Next Page
To Previous Page IconTo Previous Page
To Previous Page IconTo Previous Page
Loading...
Adjustment
Adjustment and Setting Using a Menu
27
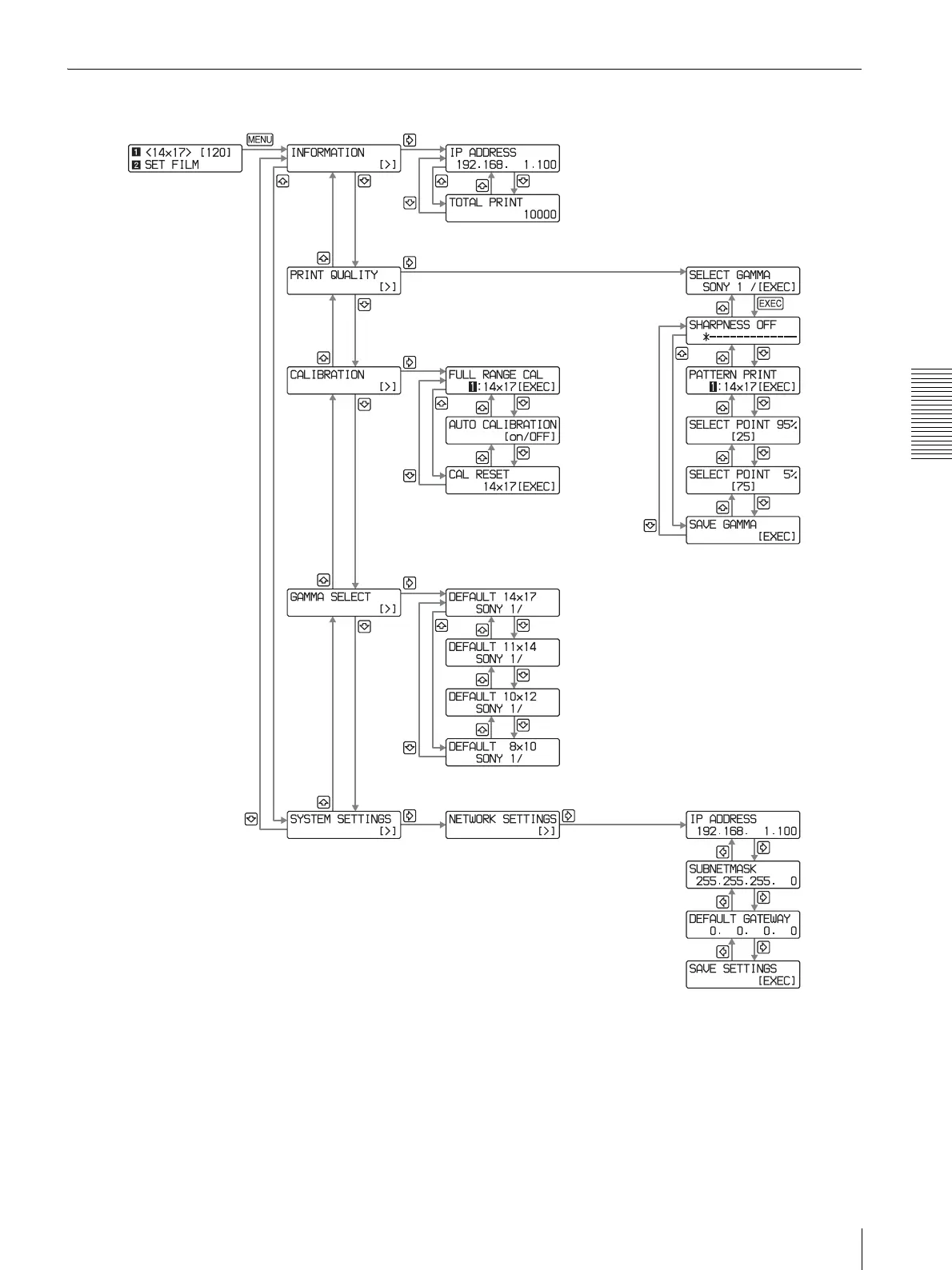
Menu Flow
a) When you press the MENU button, the previously used menu appears
from among INFORMATION, PRINT QUALITY, CALIBRATION, GAMMA
SEL, or SYSTEM SETTINGS
MENU. EXEC, G , g, F, or f in the menu flow indicate buttons
of the printer located on the front panel.
a)

Related product manuals