EasyManua.ls Logo

Sony VMC-IL4415 - Page 22

Sony VMC-IL4415
80 pages
Print Icon
To Next Page IconTo Next Page
To Next Page IconTo Next Page
To Previous Page IconTo Previous Page
To Previous Page IconTo Previous Page
Loading...
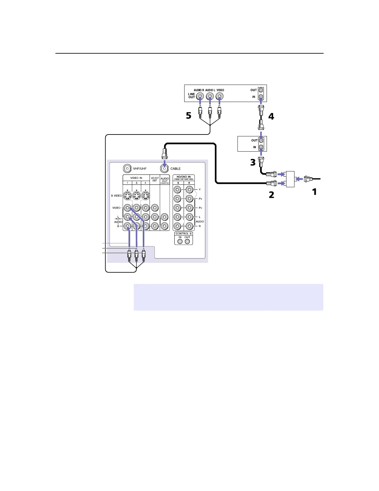
Connecting and Setting Up the DTV
16
IMPORTANT - To use the Twin View or Scrolling Index feature or to watch
premium (scrambled) channels the VCR MUST BE TURNED ON; otherwise,
you will be unable to view them.
Cable box
CATV
A/V cable
Coaxial
cable
VCR
DTV
AUDIO-R (red)
AUDIO-L (white)
VIDEO (yellow)
Coaxial
cable
Coaxial
cable
Splitter
(not included)
(Continued from the previous page)