EasyManua.ls Logo

Sony VPL-VW528 - Page 64

Sony VPL-VW528
66 pages
Print Icon
To Next Page IconTo Next Page
To Next Page IconTo Next Page
To Previous Page IconTo Previous Page
To Previous Page IconTo Previous Page
Loading...
6-2
VPL-VW520
6-2
D-SUB 9PIN
(RS-232C)
HDMI1
CN2000
HDMI2
CN2100
USB
CN1950
RJ45
CN2300
CN2400
IR-IN
TRIGGER1
TRIGGER2
J2402
J2400
J2401
Q
CA
G
PANEL(G)
CN5200
FLEXIBLE FLAT CABLE
FLEXIBLE FLAT CABLE
FLEXIBLE FLAT CABLE
FLEXIBLE FLAT CABLE
FLEXIBLE FLAT CABLE
GND
GND
1
51
60
CN1000
GND
14V
GND
14V
GND
14V
1
2
CN2000
GND
GND
1
51
CN5100
GND
GND
1
51
CN305
1
2
3
4
HSHIFT
HSHIFT
VSHIFT
VSHIFT
CN307
1
2
3
4
VCC
LIMIT_U
LIMIT_D
GND
CN303
1
2
3
4
VCC_PM_VSHIFT
OUT_PM_VSHIFT
GND_PM_VSHIFT
VCC
5
6
7
8
LIMIT_L
LIMIT_R
GND
VCC_PM_HSHIFT
9
10
11
12
OUT_PM_HSHIFT
GND_PM_HSHIFT
13
14
NC
NC
NC
NC
CN304
MOTOR A+
MOTOR A-
MOTOR B+
MOTOR B-
CN6201
1
2
3
4
PI_ANODE
PI_CATHODE
PI_COLLECTOR
PI_EMITTER
5
6
7
8
VCC
GND
NC
NC
CN1404
1
2
3
4
RGB_SENS_SDA
RGB_SENS_SCL
RGB_SENS_TEMP
5
6
7
ECO3.3V
SIRCS_NF
GND
ECO3.3V
CN1400
1
2
3
4
LAMP_LED
POWER_LED
STBY_LED
GND
5
6
7
8
VCC
LIMIT_U
LIMIT_D
GND
CN6200
1
2
3
4
VCC_PM_VSHIFT
OUT_PM_VSHIFT
GND_PM_VSHIFT
VCC
5
6
7
8
LIMIT_L
LIMIT_R
GND
VCC_PM_HSHIFT
9
10
11
12
OUT_PM_HSHIFT
GND_PM_HSHIFT
FOCUS
FOCUS
13
17V
17V
GND
GND
14V
14V
14V
GND
GND
CN302
1
2
3
4
5
6
7
8
9
GND
ECO5.5V
POWER_ON
POWER_PROT
AC_DET
CN303
1
2
3
4
5
POWER UNIT
HA
CN61
LAMP_RXD
GND
VCC
LAMP_ON
LAMP_TXD
CN2
1
2
3
4
5
U
LAMP_COVER
GND
LAMP_TEMP
GND
CN20
1
2
3
4
NR
ECO3.3
SIRCS_NR
GND
EMT_SYNC
BT_HOST_WAKE
BT_CTS
BT_UART_TXD
BT_UART_RXD
BT_RESET
GND
ECO3.3V
CN35
1
2
3
ECO3.3V
SIRCS_NR
GND
1
2
3
ECO3.3V
KEY1
KEY0
GND
SIRCS_NR
EMT_SYNC
BT_HOST_WAKE
BT_CTS
BT_UART_TXD
BT_UART_RXD
BT_RESET
GND
EXT_TEMP
CN60
1
2
3
4
5
6
7
8
9
10
11
12
13
14
15
16
ZOOM
ZOOM
VCC_PM_FOCUS
OUT_PM_FOCUS
17
18
19
20
GND_PM_FOCUS
VCC_PM_ZOOM
OUT_PM_ZOOM
GND
21
22
23
24
HSHIFT
HSHIFT
VSHIFT
VSHIFT
25
26
27
28
NC
NC
29
30
4
5
6
7
8
9
10
11
12
13
14
15
16
17
18
19
20
21
22
23
24
25
26
27
28
29
30
1
2
3
4
NC
FOCUS
FOCUS
ZOOM
5
6
7
8
ZOOM
VCC_PM_FOCUS
OUT_PM_FOCUS
GND_PM_FOCUS
9
10
11
12
VCC_PM_ZOOM
GND_PM_ZOOM
13
15
OUT_PM_ZOOM 14
CN2502
120
CN2500
120
CN2501
CB
PANEL(B)
FLEXIBLE FLAT CABLE
FLEXIBLE FLAT CABLE
FLEXIBLE FLAT CABLE
60
CN3000
GND
14V
1
3
NC2
CN4001
GND
GND
1
51
FLEXIBLE FLAT CABLE
CN5201
GND
GND
1
51
CN5001
GND
GND
1
51
CN4502
120
CN4500
120
CN4501
M
NC
SCL
SDA
VDD
CN1005
1
2
5
6
SENSOR_TEMP
GND
3
4
CL
CN308
VCC
GND
VCC_PM_VSHIFT
OUT_PM_VSHIFT
GND_PM_VSHIFT
VCC
LIMIT_L
LIMIT_R
GND
VCC_PM_HSHIFT
OUT_PM_HSHIFT
GND_PM_HSHIFT
FOCUS
FOCUS
ZOOM
ZOOM
VCC_PM_FOCUS
OUT_PM_FOCUS
GND_PM_FOCUS
VCC_PM_ZOOM
OUT_PM_ZOOM
GND
HSHIFT
HSHIFT
VSHIFT
VSHIFT
NC
NC
LIMIT_D
1
3
LIMIT_U2
4
5
6
7
8
9
CN1001
17V1
3
2
4
5
6
7
8
9
10
11
12
13
CN1402
ECO3.3V
KEY1
KEY0
GND
SIRCS_NR
EMT_SYNC
BT_HOST_WAKE
BT_CTS
BT_UART_TXD
BT_UART_RXD
BT_RESET
GND
EXT_TEMP
17V
GND
GND
14V
14V
14V
GND
GND
1
3
2
4
5
6
7
8
CN62
1
3
2
AC(L)
AC(N)
CN1
1
3
360V
NC
CN1
1
2
GND3
LAMP
NC
CN3
1
2
NC3
LAMP 3
DC+
DC-
CN201
1
4
4
5
6
7
8
9
10
CN6001
FAN_6
FAN_PROT_6
GND
GND
FAN_2
FAN_PROT_2
FAN_3
FAN_PROT_3
FAN_CONT_3
GND
1
3
2
4
5
6
CN6002
FAN_4
FAN_PROT_4
GND
FAN_5
FAN_PROT_5
GND
1
3
2
CN6003
FAN_1
FAN2
FAN6
FAN5
FAN1
FAN4
FAN3
FAN_PROT_1
GND
1
3
2
4
5
CN1000
GND
ECO5.5V
POWER_ON
POWER_PROT
AC_DET
1
3
2
4
5
CN1401
LAMP_RXD
GND
VCC
LAMP_ON
LAMP_TXD
1
3
2
4
CN1403
LAMP_COVER
GND
LAMP_TEMP
GND
1
3
2
NF
CN40
ECO3.3V
GND
1
3
SIRCS_NF2
HB
CN50
ECO3.3V
GND
1
5
STBY_LED4
POWER_LED3
LAMP_LED2
CN1006
VDD.3V1
5
SCL
RGB_SENS_TEMP
4
SDA3
GND2
PANEL(R)
IRIS
OPTICAL
UNIT
LAMP
FLEXIBLE FLAT CABLE
Cal. Sensor
FLEXIBLE FLAT CABLE
FLEXIBLE FLAT CABLE
FLEXIBLE FLAT CABLE
60
CN5502
120
CN5500
120
CN5501
CHASSIS
GND
OPTICAL
BLOCK
(TO BALLAST
CHASSIS)
T_Fuse
T_Fuse
CN304
1
2
FUSE
BT MODULE
UART_TXD
UART_RXD
GND
BT_RST
BT_CTS
BT_HOST_WAKE
EMIT_SYNC
GND
4
5
6
7
8
VDD_3.3V9
GND10
J1
1
3
2
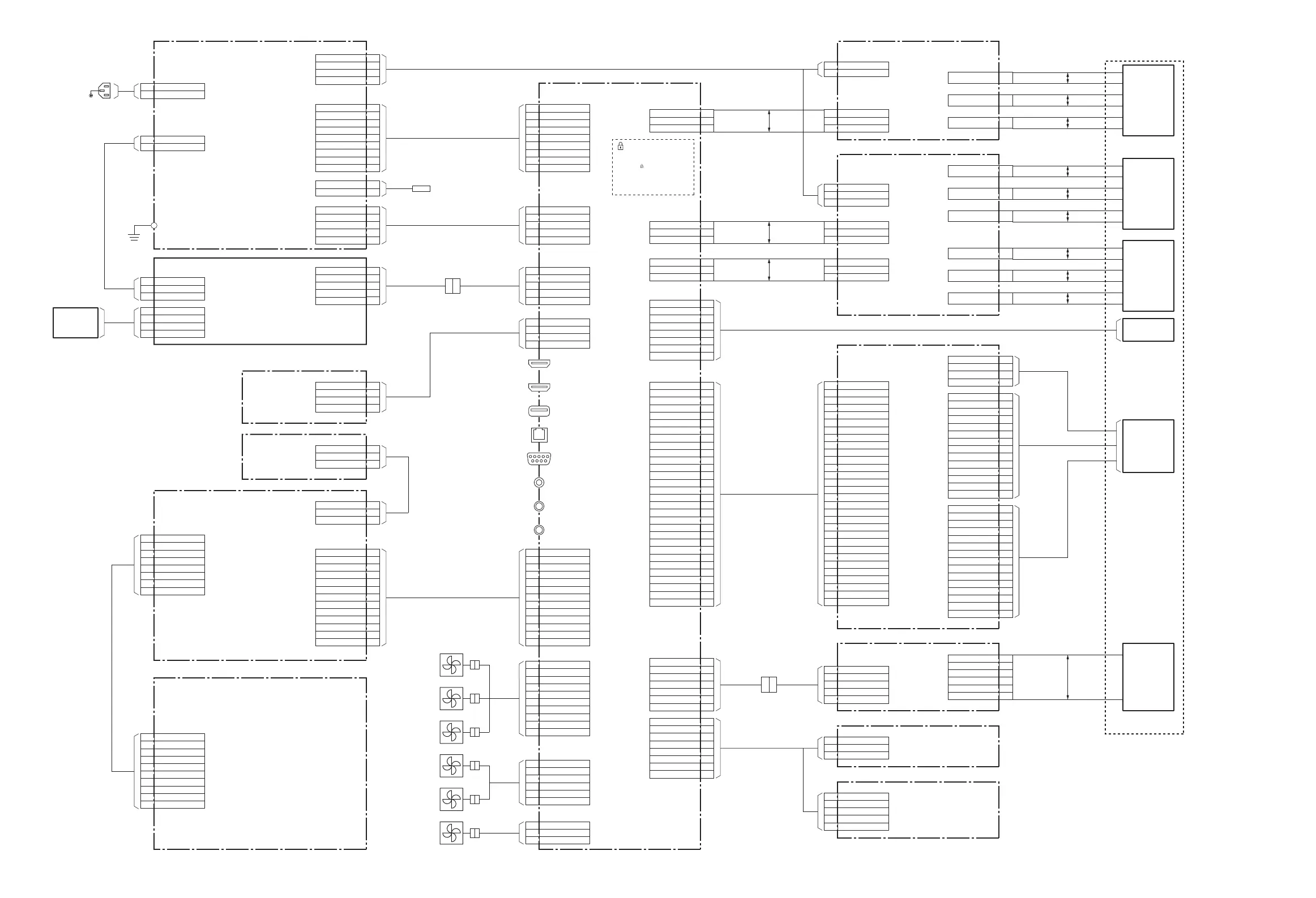
Note: The components identified by
mark contain confidential
information.
Strictly follow the instructions
whenever the components are
repaired and/or replaced.
Frame Wiring
Frame WiringFrame Wiring

Table of Contents

Related product manuals