EasyManua.ls Logo

Sony WM-FX855 - Page 24

Sony WM-FX855
35 pages
Print Icon
To Next Page IconTo Next Page
To Next Page IconTo Next Page
To Previous Page IconTo Previous Page
To Previous Page IconTo Previous Page
Loading...
– 35 –
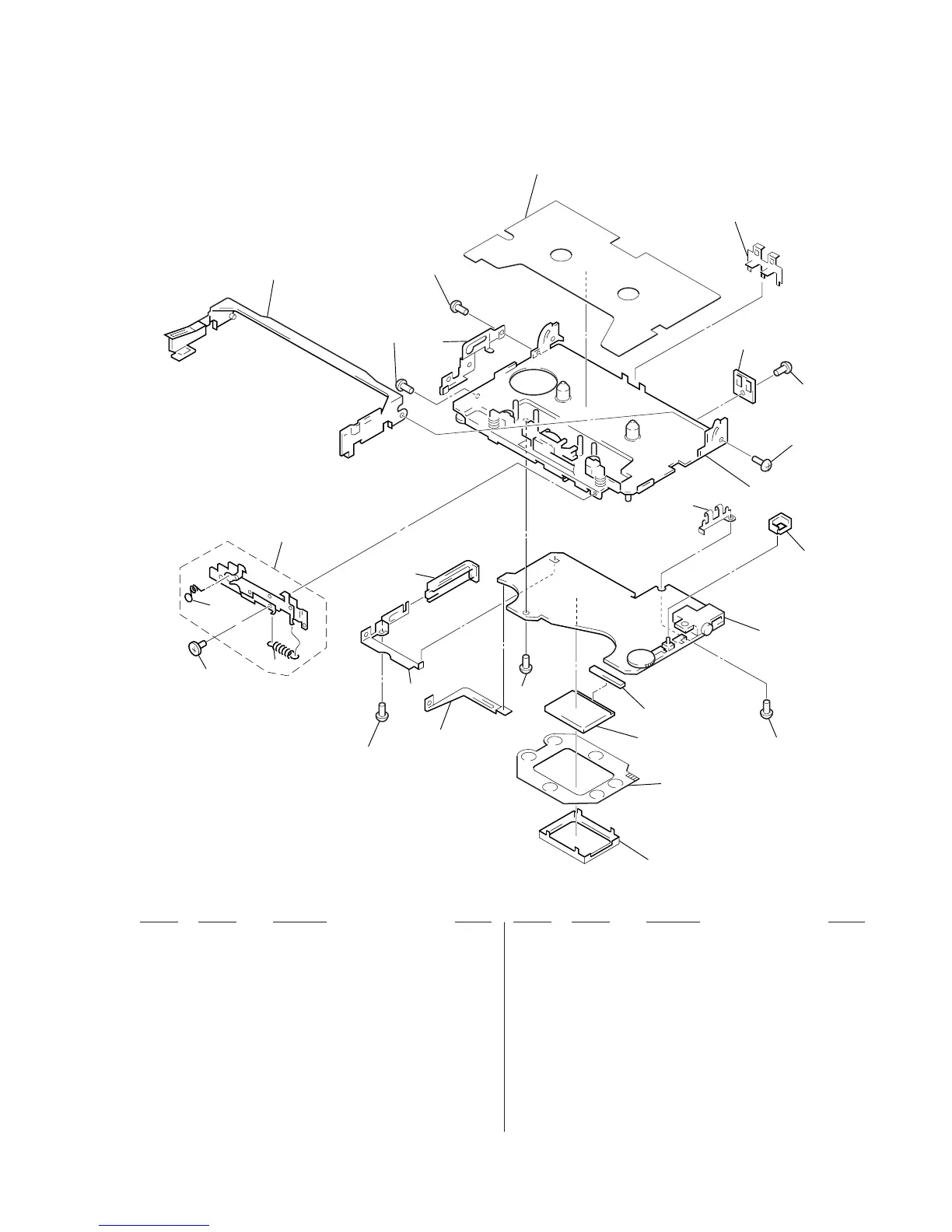
51 3-015-925-01 TERMINAL BOARD
52 3-375-114-71 SCREW (M1.7X3.5)
53 X-3374-330-1 TERMINAL BOARD ASSY (K)
54 3-015-926-01 LID, BATTERY CASE (BLACK)
54 3-015-926-41 LID, BATTERY CASE (GOLD)
54 3-015-926-51 LID, BATTERY CASE (BROWN)
55 3-704-197-01 SCREW (IB LOCK)
56 X-3374-062-1 BRACKET ASSY
57 X-3374-063-1 HOLDER ASSY, CASSETTE
58 3-016-085-01 BRACKET (C)
59 3-009-662-01 COVER (A), MD (Korean)
59 3-009-662-22 COVER (A), MD (Tourist)
Ref. No. Part No. Description Remark
Ref. No. Part No. Description Remark
60 3-928-465-01 DETENT, CASSETTE
61 3-366-890-01 SCREW (M1.4)
62 3-007-282-01 TERMINAL BOARD (MINUS), BATTERY
63 3-016-087-01 COVER (SW)
64 A-3061-553-A AUDIO (B) BOARD, COMPLETE
* 65 1-694-030-11 CONDUCTIVE BOARD, CONNECTION
* 66 1-668-361-11 AUDIO SWITCH UNIT BOARD
* 67 3-014-925-01 HOLDER (LCD)
68 3-019-232-01 SPRING, TENSION
69 3-018-159-01 SPRING, TORSION
ND501 1-801-894-11 DISPLAY PANEL, LIQUID CRYSTAL
S710 1-762-582-11 SWITCH, LEAF (ATS)
59
55
58
55
56
55
54
53
52
68
69
51
55
57
60
55
61
62
63
64
52
65
66
67
S710
MT-WMEX655-12
ND501
(2) AUDIO BOARD, COMPLETE SECTION

Related product manuals