EasyManua.ls Logo

SOOKOOK P3M - Page 16

SOOKOOK P3M
34 pages
Print Icon
To Next Page IconTo Next Page
To Next Page IconTo Next Page
To Previous Page IconTo Previous Page
To Previous Page IconTo Previous Page
Loading...
14
Sookook Corporation
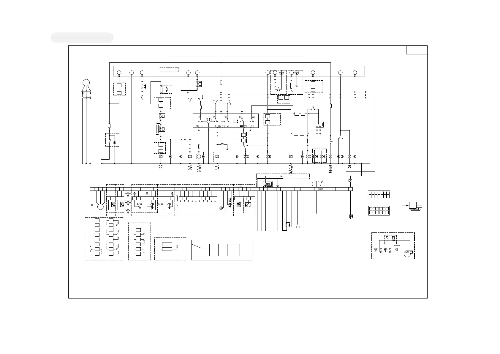
[Figure 1H-B. PROGRESSIVE HIGH/LOW Burner Circuit Diagram]
2
7
224
6
31
PR (MF2 R)
4
20
25
26
EV2
+
11
3
3rk
(QRA2)
PGLK
P
182
12
8
2rc
4
3
8
34
35
5
10
9
4
3tv
12
LRD
LEV2
LEV1
4rk
12
4
8
FD
27
*4
95
96
*5
N
EV2
EV1
PGSL
PGLK PGSH
*1
PV1 PV2
*7
:
:
LP
:
LK
EV1,2
LEV1,2
LS
:
: FAN MOTOR OVERLOAD
: FAN MOTOR THERMAL RELAY
: FAN MOTOR MAGNET
-LEGEND-
: PUMP MOTOR MAGNET
:
: PUMP MOTOR MAGNET CONTACT
: PUMP MOTOR THERMAL RELAY
:
F
PAS
MV
P1
LTV
LTA
LTU
TA
TV
PGSH
PGSL
RC
PR
RK
RM
RB
* NOTE.
: LP-12 (DM & PAS CONNECTION PLUG)
: LEAKAGE CONTROL S/W
CN3
: LP-16 JUMPER PLUG
*5 *4
TR : DOWN TRANSFORMER
: ROAD CONTROLLERLR
*7. Only for pilot ignition
PV2
TA
PV1
*7
: PILOT IGNITION V/V
PV
: BURNER ON/OFF SIGNAL
ST
*1. In case of gas supply pressure < 350mmAq
(PGSH only for gas supply pressure > 350mmAq)
*2. In case of two single valves
*3. In case of one double valve
*4. Only for UV scanner
*5. Only for Flame rod detector
*6. If down transformer (380V → 220V) is installed
*12. DM : Air damper motor
*8.
to 220V control source
Power source
□ 380V 3
?
□ 220V 3
?
50Hz
□ 60Hz
220V
50/60Hz
control
source
*12
CN4 (FROM VALVE TRAIN
CONNECTION PLUG HOUSING )
CN5 (DM & PAS CONNECTION
PLUG HOUSING )
(※2. GAS, ※3 OIL, ※4 DUAL)
192 193
SQN30.402A (SQM10)
NC
COM
Burner
start /
stop
switching
contact
Burner
Combustion
signal
(dry-contact)
Burner
firing
rate
control
contact
Burner
Lock-out
signal
(dry-contact)
1
2
3
4
5
6
7
8
9
10
11
12
13
14
15
16
10
2rg
2
3rg
3
11
7
4rg
4
12
8
1
9
5
1rg
GAS
PV1 PV2
*7
ST
*8
(FLAME ROD)
FD
N
2(F)
191
32A
*12
15
16
CN2
2
1
CN2
4
3
CN2
6
7
CN2
13
14
CN3
31
32
CN3
3
12(5)
4(410)
11(3)
3(311)
10(96)
2(16)
9
1
16
BP
BP
4
14
13
RD
*13
32A
21 22
CN3 BP2b
P
17
PGSL
502
11
2tv
7
3
M
30
I
3
N
33
II
1rm
9
1
5
V
10
III
31B
6
32
3
7
44
2bv
28
1
1rc
43
10
2
29
11
3rc
2
6
19
P
PAS
10
1tv
5
8
32
6
2
DM
31
6
13 5
2220 21 23
12 11
CN4
126
2524 26
*2
12 6 11
2524
*3
CN5
29
CN4
4 3 10
CN2
CN3
N P
GAS BURNER CIRCUIT DIAGRAM FOR BOILER (PRO-HI/LOW)
PGSH
NC
COM
P
NO
PGLK
NC
COM
*1
PGSL
EV1
13
14
bp
62
61
CN3
bp
GASGAS
22
21
bp2b
GAS
stop s/w
start s/w
CN1
냉온수기만,적용
2rd
12
8
저연소
고연소
위치
90각도
III
0
점화리미트점화
III
15
IV
20
리크리미트
50
V
Damper Motor Limit setting
관계 III V IV III> > > >
AB
14
13
RHL
504
506
rhl1
9
51
505
2(F)
CN8
95
1rd
3bv
32
31
8
1
9 10
2 3
12
5
11
4
13
6
7
1
8
9
2 3
11
10
4
12
5
6
VIEW
7
PAS
COM
P
NO
CN5CN4
1 8 5
16 1917
5
23
LS LTU
13
14
RM
TV
LTV
24
EV1
23
MV
SR
IL
LP
F
T
U
CTV
CV
V
W
1
1bv
2rm
*1
PGSH
P
158
157
8
12
CRTV
28 29 30 31 31B 32 32A 33
1 2 3 4 9 10 8 7
1 2 3 5 6 8 10 N
(1) (2) (11) (5) (25) (3) (13) (N)
*13. Low position start function
301 302
-P&ID-
*11
2rd
12
8
*13
HI
LOW
: HI/LOW CONTROL S/W
AB
START
STOP
*11. PR : Burner controller MF2R
V
13
11
I
29C
32C
29C 32C
5 6
11
(4)
12
(24)
44
bv
43
191
11
MK2
22
MK2
Ver. 2
W
MV
UE V 35
UV
+
34
GV1
GV2
1831583736 157 181 182 TRE S
*1
LRD
5041 2 224502 506 505 213 416 134
4rc
8
12
8
12
1rb
14
EV2
EV1 EV2
DM : SQN30.402A (SQM10)
PUMP MOTOR OVERLOAD
DAMPER MOTOR
FAN MOTOR MAGNET CONTACT
DM
CV
CTV
CTP
CRTV
CRTP
CP
BV
BP
FUSE
FLAME DETECTOR
BURNER POWER S/W
BURNER LOCK-OUT LAMP
:
FD
IL
LB
: BURNER LEAK LAMP
: BURNER POWER LAMP
: BURNER READY LAMP
: GAS SOLENOID V/V LAMP
: IGNITION TRANSFORMER LAMP
: LOAD CONTROL LAMP
: PRE-PRUGE TIMER LAMP
: FAN MOTOR
: FEEDBACK POTENTIOMETER
: AIR PRESSURE S/W
: GAS LEAK RESET PUSH S/W
PGLK
: GAS PRESSURE HIGH S/W
: GAS PRESSURE LOW S/W
: BURNER CONTROLLER
: PRE-PURGE COMPLETION LAMP
: PRE-PURGE TIMER
: IGNITION TRANSFORMER
: FAN MOTOR RELAY
: GAS LEAK RELAY
: COMBUSTION RELAY
: LOCK-OUT RELAY
COM
P
NO
: GAS SOLENOID V/V
TR
*6
0
N(0)
P(220V)
220V
27
FD
135
4
CMF1 : FUEL SELECTION S/W(GAS/OIL)
RG : RELAY FOR OIL SELECTION
PBLK
: BP S/W AUXILIARY CONTACT
CN4
CN5
: LP-14 (VALVE TRAIN CONNECTION PLUG)
CN2
TV : Pre-purge timing relay (30˚)
GASGAS
GAS
P
88B 88
: RELAY FOR DAMPER MOTOR OPERATION
RD
13
14
LTARC
13
14
22
TA
21
LKRK LB RB13
14
5
183
9
181
2rk
10
6
PBLK
2
1rk
2
1
N
P
BV