EasyManua.ls Logo

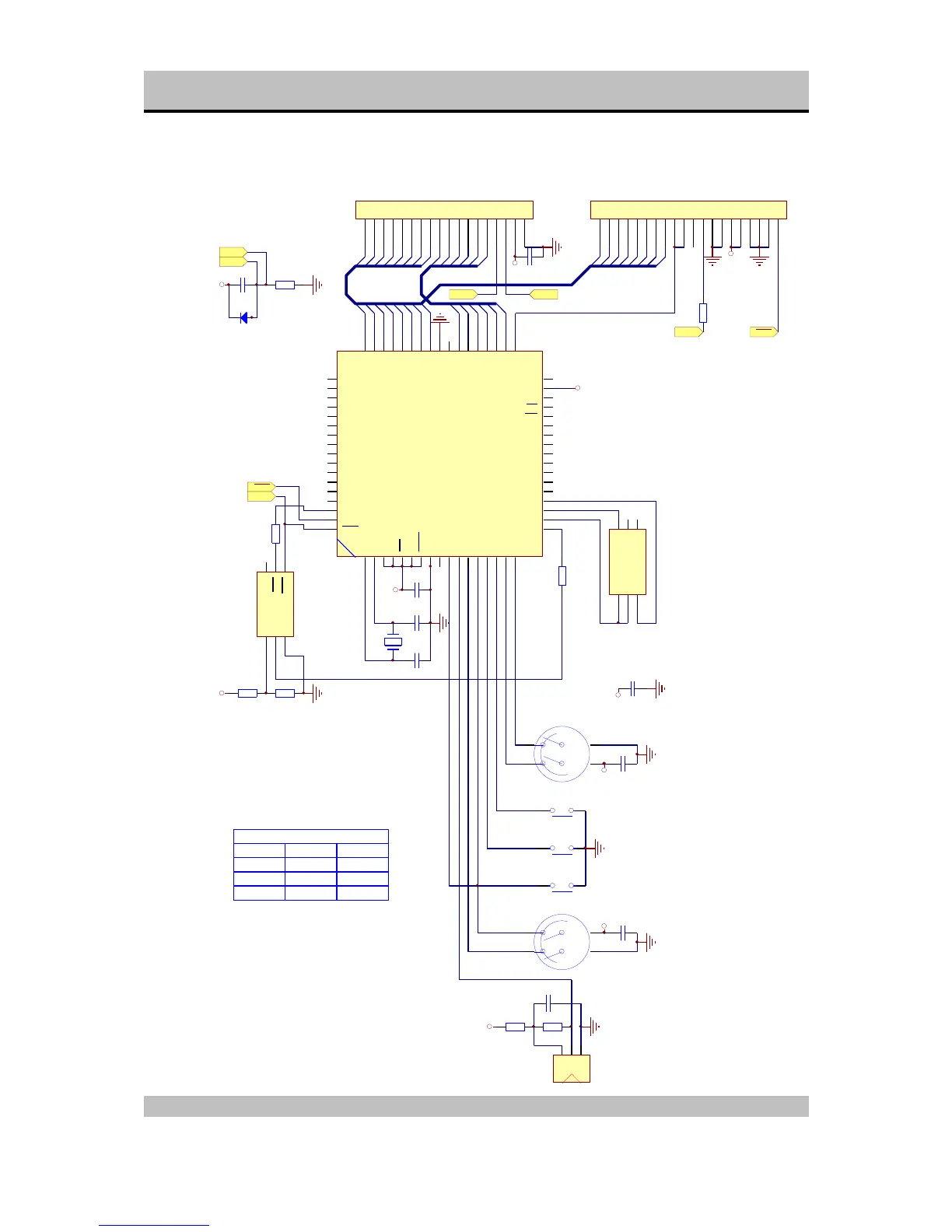
SPHINX Project Eight - Figure 4: Display Board Schematic Layout

SPHINX Project Eight
42 pages
Print Icon
To Next Page IconTo Next Page
To Next Page IconTo Next Page
To Previous Page IconTo Previous Page
To Previous Page IconTo Previous Page
Loading...
SPHINX Project Eight Service Manual
15
Figure 4: Display Board Schematic Layout
Xtal
10
EXtal
11
MD1
12
MD0
13
NMI
14
VCC
15
STBY
16
GND
17
P40
19
P41
20
P42
21
P43
22
P44
23
P45
24
P46
25
P47
26
nc
18
P50
27
P51
28
P52
29
P53
30
P54
31
P55
32
P70
33
P71
34
nc
35
P72
36
P73
37
P74
38
P75/WR
39
P76/RD
40
P77
41
VCC
42
P27
43
RES
9
P66
8
P65
7
P64
6
P63
5
P62
4
P61
3
P60
2
nc
1
P30
61
P31
62
P32
63
P33
64
P34
65
P35
66
P36
67
P37
68
P26
44
P25
45
P24
46
P23
47
P22
48
P21
49
P20
50
nc
51
GND
52
P17
53
P16
54
P15
55
P14
56
P13
57
P12
58
P11
59
P10
60
H8
U1
H8/325
VOUT
1
PFI
4
PFO
5
WDI
6
RES
7
VBAT
8
U2
MAX690
U3
8M
VCC
VCC
R1
27K4
R2
10K0
VCC
C1
33p
C2
33p
A -
B +
S1
ENCOD
A -
B +
S2
ENCOD
21
S3
21
S4
21
S5
VCC
C3
220n
V+
2
D
1
GND
3
IR
IR1
IRIC
R3
5R62
R4
61K9
Input Volume
Standby PresetsPolarity
1
2
3
4
5
6
7
8
9
10
11
12
13
14
15
16
17
18
CN1
18PIN
D0
D1
D2
D3
D4
D5
D6
D7
D0
D1
D2
D3
D4
D5
D6
D7
D[0..7]
S0
S1
S2
S3
S4
S5
S6
S0
S1
S2
S3
S4
S5
S[0..5]
VCC
EN CL
TO MAINBOARD UCN'S
C4
220n
VCC
1
2
3
4
5
6
7
8
9
10
11
12
13
14
15
16
17
18
19
20
CN2
20PIN
D0
D1
D2
D3
D4
D5
D6
D7
VCC
RES
RES
TO VFD-DISPLAY
VCC
C7
3U3/63V
R5
68K1
CL
EN
CS
1
DI
3
nc
6
DO
4
nc
7
CLK
2
U4
93C46
VCC
+
C8
C47U/16V
+
C9
470U/16V
C5
220n
C6
220n
VCC
J1
J2
D1
1N4148
J3
P65
P65
IR-receiver
J1
J2
J3
JUMPER CLOSED OPEN
X
X
X
NORMAL JUMPER SETTINGS

Related product manuals