EasyManua.ls Logo

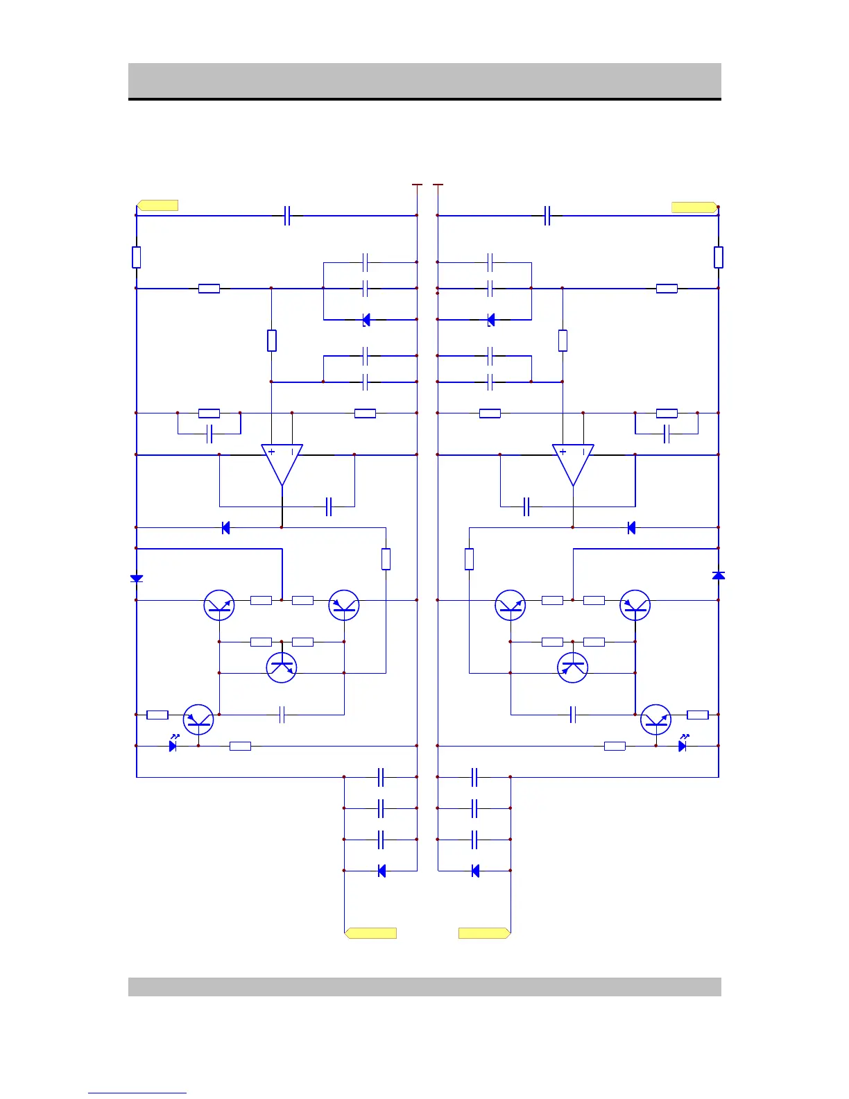
SPHINX Project Eight - Figure 11: Right Power Supply

SPHINX Project Eight
42 pages
Print Icon
To Next Page IconTo Next Page
To Next Page IconTo Next Page
To Previous Page IconTo Previous Page
To Previous Page IconTo Previous Page
Loading...
SPHINX Project Eight Service Manual
22
Figure 11: Right Power Supply
T7
C3298
T10
C3298
T8
C2240
R25
2K00
R12
15R0
R13
1R00
T9
A1306
T12
A1306
T15
A970
R22
332R
LD3
LD RD
R14
1R00
R15
15R0
R26
2K00
T11
A970
T16
C2240
R29
332R
R6
22K1
R7
22K1
LD4
LD RD
D3
1N4004
D4
1N4004
R+38V R-38V
3
2
6
7 4
U4
OPA604
D11
1N4148
D7
1N4004
R24
2K00
U8
LM329DZ
U9
LM329DZ
+
C30
50V/330U
+
C41
50V/330U
+
C42
50V/330U
+
C31
C50V/330U
R35
3K32
R39
8K25
R50
1K00
R49
10K0
R51
1K00
R36
3K32
R40
8K25
R52
10K0
3
2
6
7 4
U5
OPA604
R31
2K00
R27
10K0
R23
10K0
D12
1N4148
D8
1N4004
R+24V
R-24V
AGNDAGND
C40
22N/PP
C29
22N/PP
C32
22N/PP
C43
22N/PP
C7
330N/PP
C12
330N/PP
+
C17
50V/330U
+
C20
50V/330U
C23
330N/PP
C24
330N/PP
+
C39
63V/2200U
+
C44
C63V/2200U
R43
1R00
R44
1R00
+
C8
63V/1000U
+
C9
63V/1000U
+
C10
63V/1000U
+
C11
63V/1000U
C18
47N/PP
C19
47N/PP
150..160 mA 150..160 mA

Related product manuals