EasyManua.ls Logo

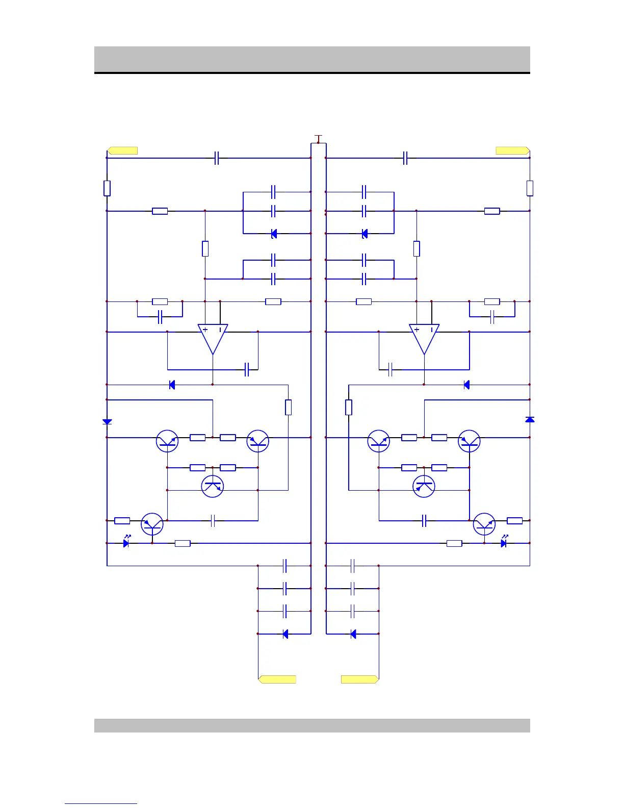
SPHINX Project Eight - Figure 10: Left Power Supply

SPHINX Project Eight
42 pages
Print Icon
To Next Page IconTo Next Page
To Next Page IconTo Next Page
To Previous Page IconTo Previous Page
To Previous Page IconTo Previous Page
Loading...
SPHINX Project Eight Service Manual
21
Figure 10: Left Power Supply
T1
C3298
T4
C3298
T2
C2240
R19
2K00
R8
15R0
R9
1R00
T3
A1306
T6
A1306
T13
A970
R16
332R
LD1
LD RD
R10
1R00
R11
15R0
R20
2K00
T5
A970
T14
C2240
R28
332R
R4
22K1
R5
22K1
LD2
LD RD
D1
1N4004
D2
1N4004
L+38V L-38V
D9
1N4148
D5
1N4004
R18
2K00
U6
LM329DZ
U7
LM329DZ
+
C26
50V/330U
+
C35
50V/330U
+
C36
50V/330U
+
C27
50V/330U
R33
3K32
R37
8K25
R46
1K00
R45
10K0
R47
1K00
R34
3K32
R38
8K25
R48
10K0
3
2
6
7 4
U3
OPA604
R30
2K00
R21
10K0
R17
10K0
D10
1N4148
L+24V L-24V
AGND
C34
22N/PP
C25
22N/PP
C28
22N/PP
C37
22N/PP
C1
330N/PP
C6
330N/PP
+
C13
C50V/330U
+
C16
C50V/330U
C21
330N/PP
C22
330N/PP
+
C33
63V/2200U
+
C38
63V/2200U
R41
1R00
R42
1R00
+
C2
63V/1000U
+
C3
63V/1000U
+
C5
63V/1000U
+
C4
63V/1000U
C14
47N/PP
C15
47N/PP
3
2
6
7 4
U2
OPA604
150..160 mA
150..160 mA
± 6.9V
6.9V
6.9V
± 16V
± 24V
± 33V
* T2 Uce = ±3.7 V
± 3.5 mA
LED voltage approx. 1.8 V

Related product manuals