EasyManua.ls Logo

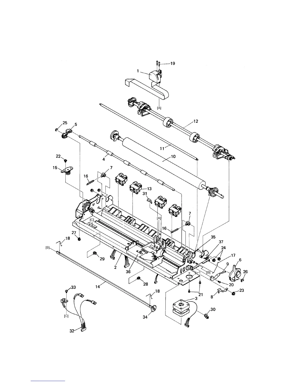
Star Micronics NX-1500 - Printer Mechanism; Disassembly Drawing

Star Micronics NX-1500
106 pages
To Next Page IconTo Next Page
To Next Page IconTo Next Page
To Previous Page IconTo Previous Page
To Previous Page IconTo Previous Page
Loading...
– 69 –
2. Printer Mechanism
2-1. Disassembly Drawing

Table of Contents

Related product manuals