EasyManua.ls Logo

stellar labs 4420 - Control Kit (Radio Electrical Version)

Default Icon
72 pages
Print Icon
To Next Page IconTo Next Page
To Next Page IconTo Next Page
To Previous Page IconTo Previous Page
To Previous Page IconTo Previous Page
Loading...
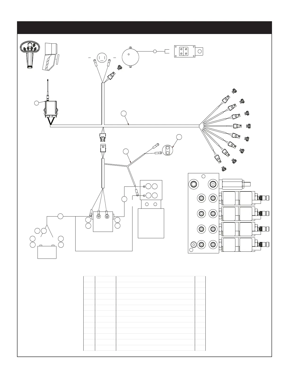
46 4420 Owner’s Manual
NOTE: 1)HEAT SHRINK TO BE CUT TO 3" PIECES
2)FOR SHIP OUT CABLE CONNECTORS
AND HEAT SHRINK FOR BAT T ERY END
TO BE SHIPPED LOOSE.
BAT TERY
--
++
30"
6
6
66
78
SOLENOID
7
7
30'
4
SOL
ENO
ID
GROUND
POW
ER
5
12V POWER UNIT
P
T
6
8
7
6
P
USH BUTTON
3
2
N/O
P
RESSURE SWITCH
N/C COM
S
WITCH
4
3
4
3
2
1
A
2B
WINCH
DOWN
WINCH UP
EXT
IN
EXT
OUT
INNER
DOWN
INNER
UP
ROT
C
W
ROT CCW
10
1112
1
BLK
BLK
RED
RED
CONTROL
(TRANSMITTER)
RADIO
32.5'
CABLE #2 2 WIRE04 20466
PART No.ITEM
01 39784
03 17771
02 44738
HANDLE ASSEMBLY
DESCRIPTION
SWITCH PUSH BUTTON 9216-03
WIRE HARNESS 3315 H2
QTY
1
1
1
HEAT SHRINK 0.50 BLK (RM) 22241
HEAT SHRINK 0.50 RED (RM) 222411521907
05 18627
06 4466
1521808
09 18472
TERML #1X.38 COPPER LUG
CABLE #2 RED
DECAL MANUAL OPERATION 5520
12
10
11
32523
36435
FUSE HOLDER 46039
FUSE 200 AMP 46274
18"
6
6"
12"
1
1
1
25887 WIRE HARNESS 3315 ELECTRIC 1
B
B
AA
B
A
BB
A
A
B
A
BB
A
A
B
A
BB
A
A
B
A
BB
AA
B
A
BB
A
A
B
A
BB
A
A
B
A
BB
AA
B
A
BB
AA
B
A
BB
CC
A
A
CC
B
B
A
A
PN 44737
Control Kit (Radio Electrical Version) - PN 44737

Table of Contents

Related product manuals