EasyManua.ls Logo

Strobel 310D-R - Page 38

Strobel 310D-R
44 pages
Print Icon
To Next Page IconTo Next Page
To Next Page IconTo Next Page
To Previous Page IconTo Previous Page
To Previous Page IconTo Previous Page
Loading...
259.00.63
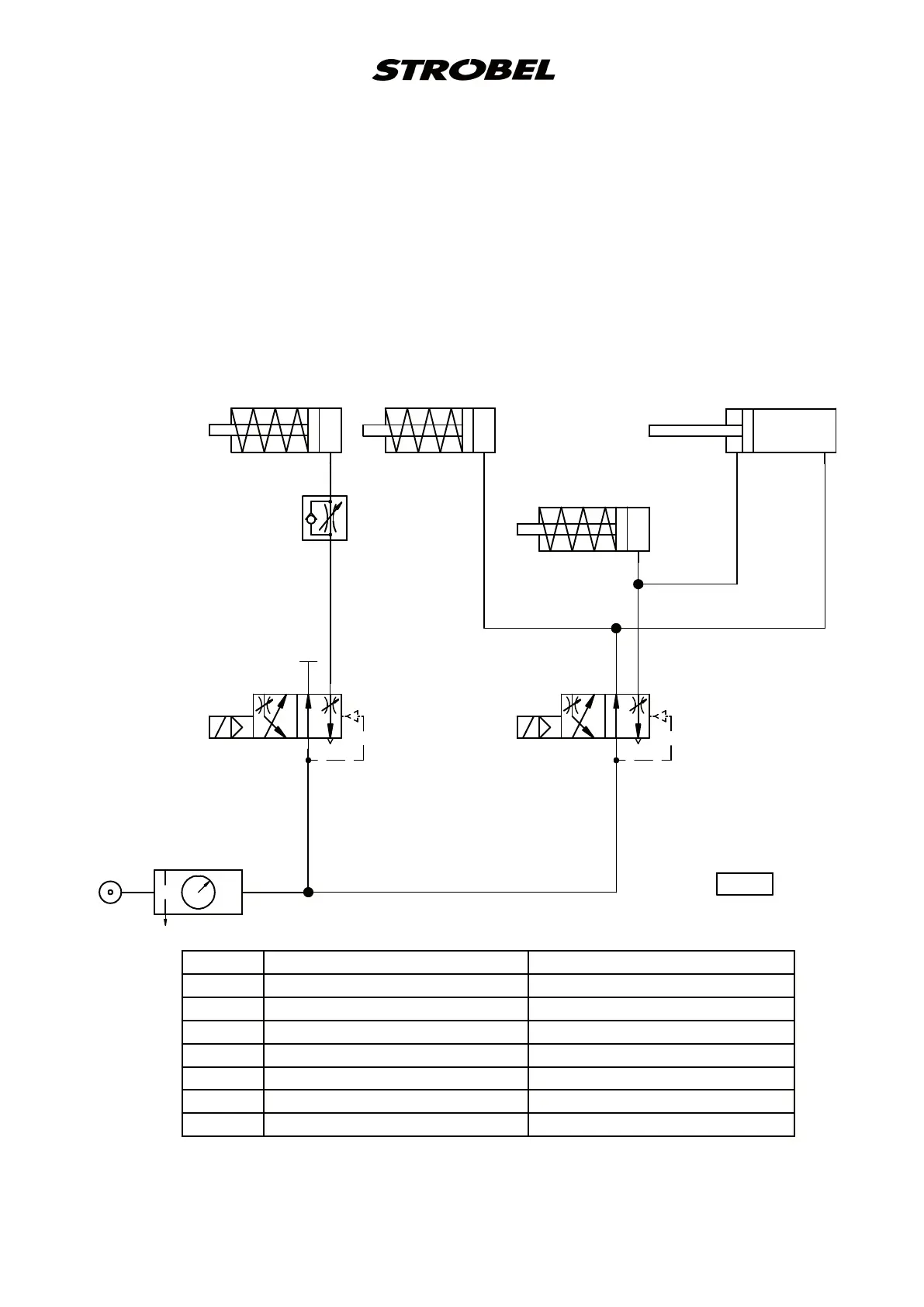
Pneumatischer Schaltplan Kl. 310D-R, 3100D-R
Pneumatic circuit diagram cl. 310D-R, 3100D-R
0 Z 1 Wartungseinheit Service unit
1 V 1 4/2-Magnetventil "Lüftung" 3/2-solenoid-way valve "lifting"
1 V 2 4/2-Magnetventil "Riegel" 3/2-solenoid-way valve "spot tack"
1 V 10 Drosselrückschlagventil "Lüftung" Throttle non-return valve "lifting"
1 A 1 Zylinder "Lüftung" Cylinder "lifting"
1 A 2 Zylinder "Fadenspannung Riegel" Cylinder "thread tension spot tack"
1 A 3 Zylinder "Seitentransport" Cylinder "lateral feed"
1 A 4 Zylinder "Riegel" Cylinder "spot tack"
195.0551
0 Z 1
6bar
10bar max
1 V 10
1 A 1
1 A 2
1 A 3
1 A 4
1 V 1
B
P
R
A
1 V 2
B
P
R
A

Table of Contents

Other manuals for Strobel 310D-R

Related product manuals