EasyManua.ls Logo

Strobel 310D-R - Routine Machine Maintenance

Strobel 310D-R
44 pages
Print Icon
To Next Page IconTo Next Page
To Next Page IconTo Next Page
To Previous Page IconTo Previous Page
To Previous Page IconTo Previous Page
Loading...
259.10.63
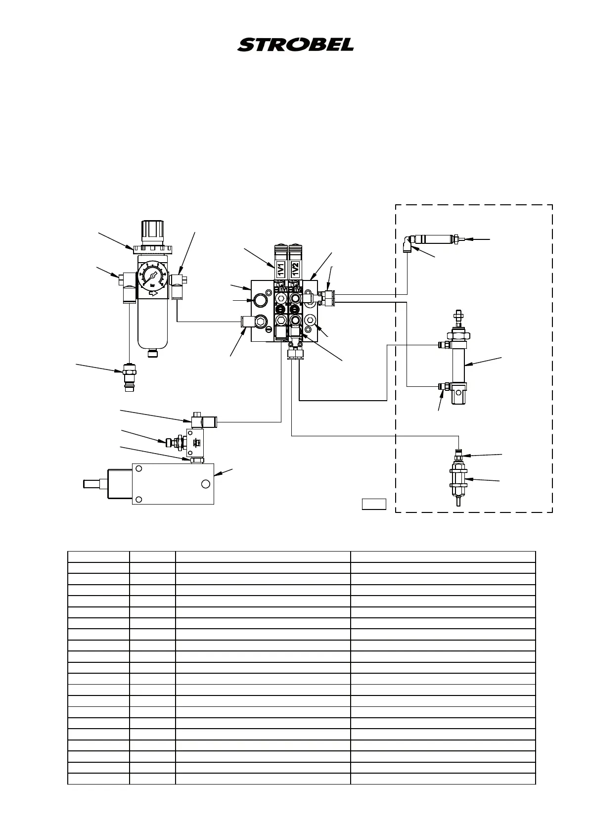
Pneumatischer Bauschaltplan Kl. 310D-R, 3100D-R
Pneumatic construction circuit diagram cl. 310D-R, 3100D-R
2
B
A
2
B
1
1
A
293.0469
293.0470
293.07723x
293.08372x
293.08382x
293.0850
(293.0841)
293.08502x
293.0853
293.08572x
293.0857
293.0975
297.0170
298.0075
298.0077
298.0211
298.0360
298.05102x
298.0511
298.0512
298.0547
293.0469 1 Schalldämpfer R 1/8 silencer R 1/8
293.0470 1 Doppelnippel R 1/8 nipple R 1/8
193.0473 1000 PA-Schlauch Ø6 PA hose Ø6
193.0478 3000 PA-Schlauch Ø8 PA hose Ø8
293.0772 3 Verschlußschraube R 1/8 lock screw R 1/8
293.0837 2 L-Einschraubanschluss R 1/8-4 L-threaded connection R 1/8-4
293.0838 2 Y-Steckanschluß Ø4 Y-plug connection Ø4
293.0850 3 L-Einschraubanschluss R 1/8-6 L-threaded connection R 1/8-6
293.0853 1 L-Einschraubanschluss M5-4 L-threaded connection M5-4
293.0857 3 G-Einschraubanschluss M5-4 threaded connection M5-4
293.0975 1 Wartungseinheit service unit
196.0716 9005 PA-Schlauch Ø4 PA hose Ø4
297.0170 1 Schnellverschlusskupplung Ø8 coupling Ø8
298.0075 1 Spannzylinder clamping cylinder
298.0077 1 Drosselrückschlagventil R 1/8 throttle non-return valve R 1/8
298.0211 1 Miniatur-Zylinder miniature cylinder
298.0360 1 Miniatur-Zylinder miniature cylinder
298.0510 2 4/2-Wege Magnetventil 4/2-solenoid-way valve
298.0511 1 Eingangsmodul G1/8 links input module G1/8 left
298.0512 1 Eingangsmodul G1/8 rechts input module G1/8 right
298.0547 1 Miniatur-Zylinder miniature cylinder
(293.0850)
Wartungseinheit
service unit
Fadenspannung
thread tension
ftung
lifting
Riegel 1
spot tack 1
Magnetventil
solenoid valve
Riegel
spot tack
Riegel 2
spot tack 2
195.0552
193.0478
O
8
3000 lg
193.0473
O
6
193.0473
O
6
196.0716
O
4
196.0716
O
4
196.0716
O
4
196.0716
O
4

Table of Contents

Other manuals for Strobel 310D-R

Related product manuals