EasyManua.ls Logo

Stryker 1015 - Page 39

Stryker 1015
167 pages
Print Icon
To Next Page IconTo Next Page
To Next Page IconTo Next Page
To Previous Page IconTo Previous Page
To Previous Page IconTo Previous Page
Loading...
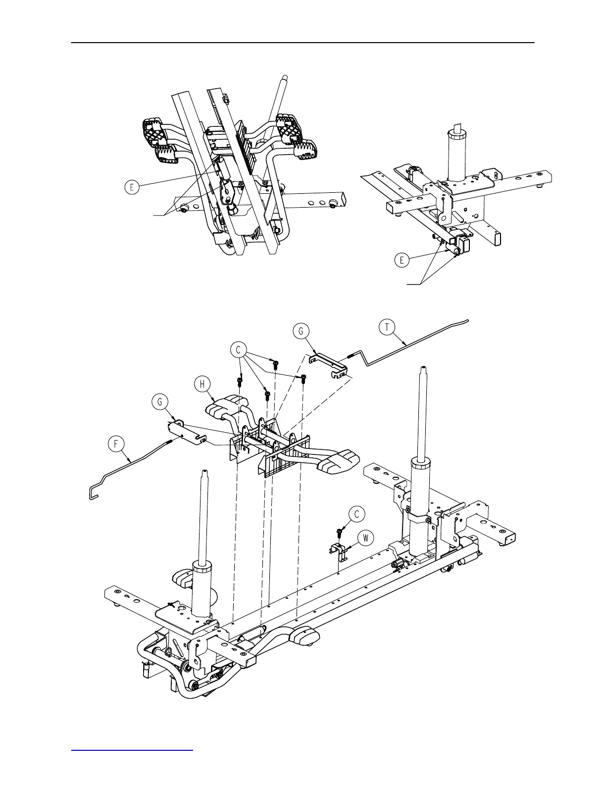
Base with Dual Side Hydraulics (Big Wheel Base)
38
Insert spring hook thru hole in pump
connecting rod. Attach other hook
to return spring hook
Insert spring hook into
hook on release pedal.
Insert other hook into
pump connecting rod.
Return to Table of Contents

Table of Contents

Related product manuals