EasyManua.ls Logo

Stuart Turner BOOSTAMATIC 330 - Page 17

Stuart Turner BOOSTAMATIC 330
28 pages
Print Icon
To Next Page IconTo Next Page
To Next Page IconTo Next Page
To Previous Page IconTo Previous Page
To Previous Page IconTo Previous Page
Loading...
-17-
CAPACITOR
SWITCH
MOTOR
RED
WHITE
BLACK
BLUE
BROWN
BLUE
L1
N
U
V
63
N1L4
L5 N2
MODULE
CONTROL
PRESSURE
E
N
L
(VIA 3 IN PLUG)
50 Hz
1 Phase
230 V
SUPPLY
WHITE
BLUE
BLACK
BLACK
BROWN
MOTOR
E
GREEN/YELLOW
MODULE
CONTROL
PRESSURE
N
L1
V
U
FUSE
50 Hz
1 Phase
230 V
SUPPLY
L
N
E
BLUE
BROWN
MOTOR
50 Hz
1 Phase
230 V
SUPPLY
L
N
E
FUSE
V
U
N
L1
MODULE
CONTROL
PRESSURE
E
GREEN/YELLOW
BLUE
BROWN
GREEN/YELLOW
BLACK
BLUE
50 Hz
1 Phase
230 V
SUPPLY
L
N
E
FUSE
V
U
N
L1
MODULE
CONTROL
PRESSURE
E
RED
BLUE
BROWN
THERMOTRIP
START WINDING
MAIN WINDING
MOTOR
CAPACITOR
BROWN
FUSE
E
GREEN/YELLOW
BLUE
50 Hz
1 Phase
230 V
SUPPLY
L
N
E
FUSE
V
U
N
L1
MODULE
CONTROL
PRESSURE
E
THERMOTRIP
START WINDING
MAIN WINDING
MOTOR
CAPACITOR
BROWN
3
4
5
6
2
1
LN
TERMINAL POSTS
WHITE
WHITE
3
4
5
6
2
1
3
4
5
6
2
1
3
4
5
6
2
1
4
3
2
1
5
6
GREEN/YELLOW
CAPACITOR
50 Hz
1 Phase
110 V
SUPPLY
L
N
E
FUSE
V
U
N
L1
MODULE
CONTROL
PRESSURE
3
4
5
6
2
1
BLUE
BROWN
L
N
GREEN/YELLOW
TERMINAL
BLOCK
BLUE
VIOLET
WHITE
RED
BROWN
THERMOTRIP
BLACK
BLUE
CAPACITOR
MAIN WINDING
MAIN WINDING
START WINDING
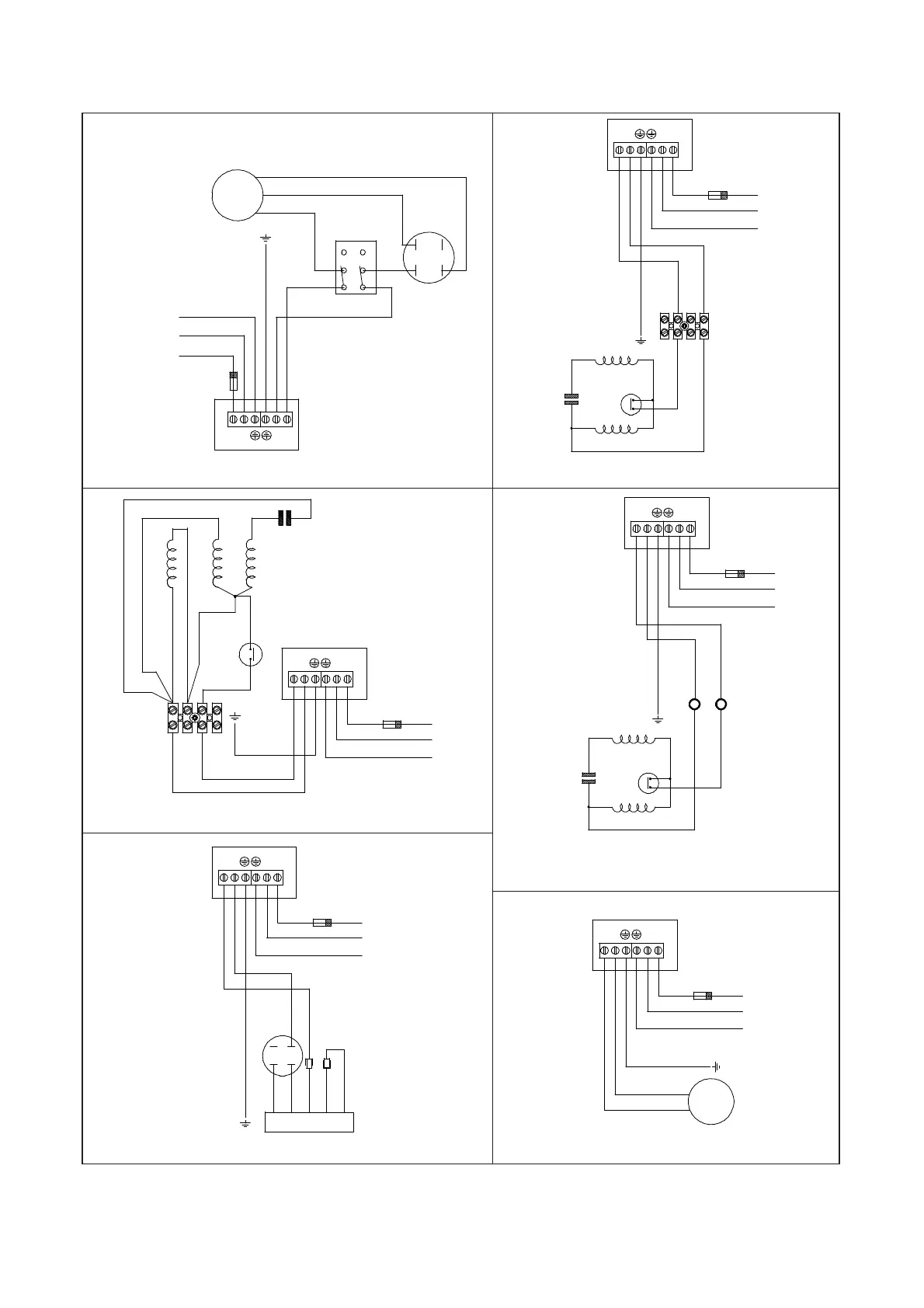
Fig. 12 Jet Range Fig. 13 330, 500, 600 Models (230V)
Fig. 14 330, 500 Models (110V)
Fig. 15 Kennet Range
Fig. 16 Thame & Loddon Range Fig. 17 Diver Range

Related product manuals